No Crank/No Start

Tiny
PROPST56
  • MEMBER
  • 2007 CHEVROLET AVALANCHE
  • 5.3L
  • V8
  • 4WD
  • AUTOMATIC
  • 304,000 MILES
Evening,
No Crank / No Start after disconnecting the neg battery cable. Replaced BCM due to lack of communication. Still No Crank/ No Start. Will start if bypassing starter relay.
Sunday, April 17th, 2022 AT 6:23 PM

3 Replies

Tiny
JACOBANDNICKOLAS
  • MECHANIC
  • 110,194 POSTS
Hi,

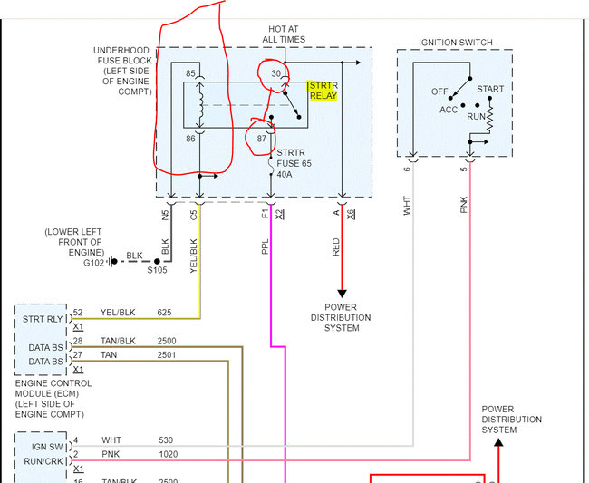
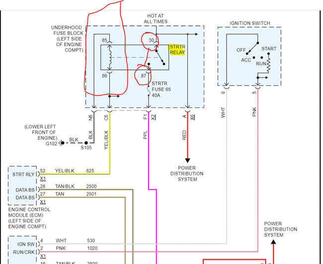
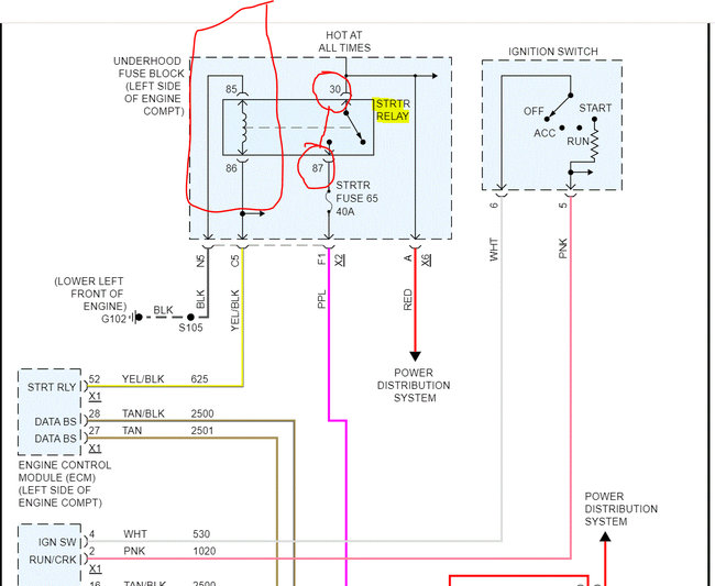
I attached the wiring schematic below for the starting circuit. You indicated that the engine will start if you jump pins 30 and 87 on the starter relay, so we know the starter is good and the relay is receiving power on the secondary side. Have you tried replacing the relay?

If the relay is known good, then we have a problem with power to the primary side of the relay. Pin 86 on the relay receives power from the ECM (starter relay signal) which is grounded through pin 85. So, check to see if you are getting voltage to pin 85 with the key in the start position. If you are, check pin 85 for continuity to ground. Pins 86 and 85 are what trigger the relay and allow the circuit to close and send power to the starter.

Let me know what you find or if you have other questions.

Take care,

Joe

See pics below.
Was this
answer
helpful?
Yes
No
Sunday, April 17th, 2022 AT 10:43 PM
Tiny
PROPST56
  • MEMBER
  • 2 POSTS
Evening,

Thank you for the response! Pin 30 showed constant 12v, Pin 86 showed switched 12v, however Pin 85 did not show ground continuity. After jumping pin 85 to an external ground and using a known good relay the truck started off the ignition switch. I assume this means the ground is broken/corroded somewhere between the fuse box and the front left block location as listed.
Was this
answer
helpful?
Yes
No
Tuesday, April 19th, 2022 AT 6:10 PM
Tiny
JACOBANDNICKOLAS
  • MECHANIC
  • 110,194 POSTS
Hi,

It sounds like you found the problem. That is grounded to the lower left side of the engine. From experience, the connector that attaches the wire to the engine block fails. Either it falls apart, corrodes, or is loose.

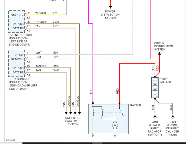
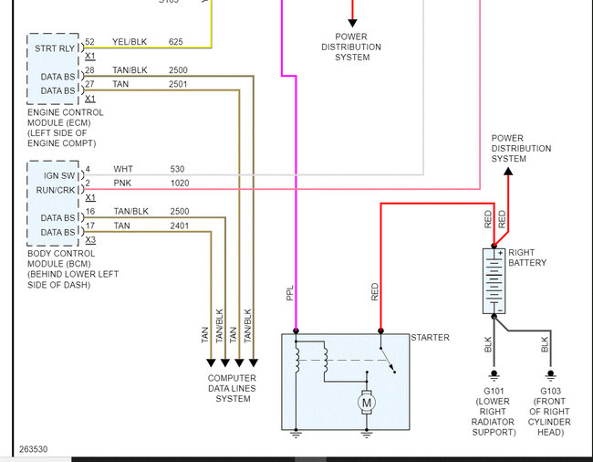
If that ground connector is failing, the next thing that happens is this. You will lose ground/ spark to all coils, and you will have a crank/no start condition. I've seen it too many times. LOL, All the ignition coils share a common ground, and it is the same one. See pic 2.

On the driver's side of the engine approximately six inches from the front and three inches from the bottom of the engine block, you will see a group of black wires bolted to the engine. The last one I did was on a 6.0L, and I had to find it by feeling my way rather than just looking. Interestingly, I had a ground until a load was placed on the ground, then the connection was lost. I fixed the ground and the vehicle started perfectly.

Let me know what you find or if I can help in any way. Note: I would recommend paying attention to that ground to prevent future problems.

Take care of yourself,

Joe

See pics below.
Was this
answer
helpful?
Yes
No
+1
Tuesday, April 19th, 2022 AT 7:27 PM

Please login or register to post a reply.