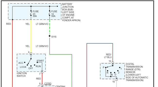
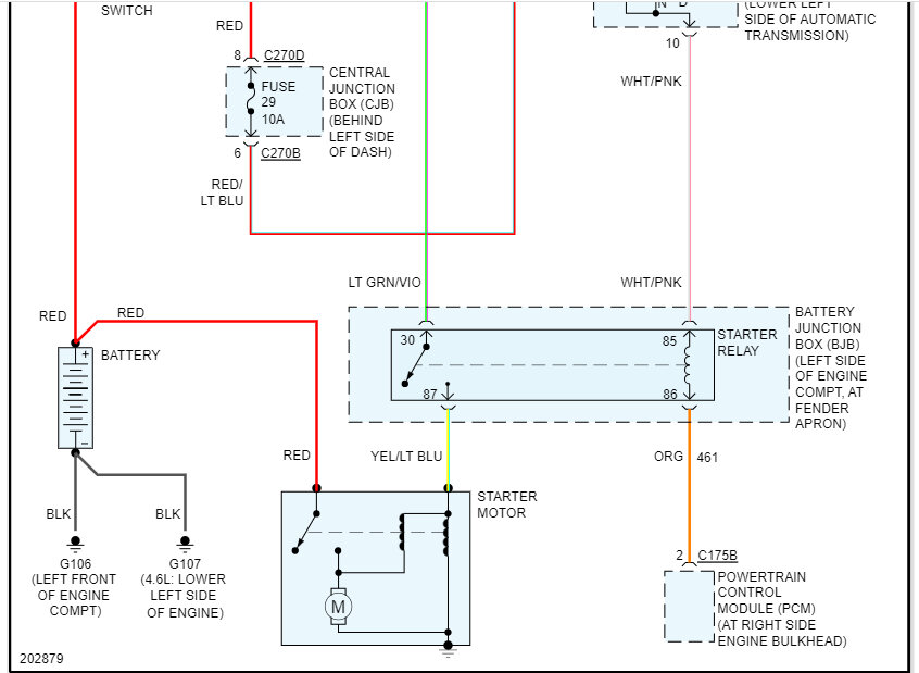
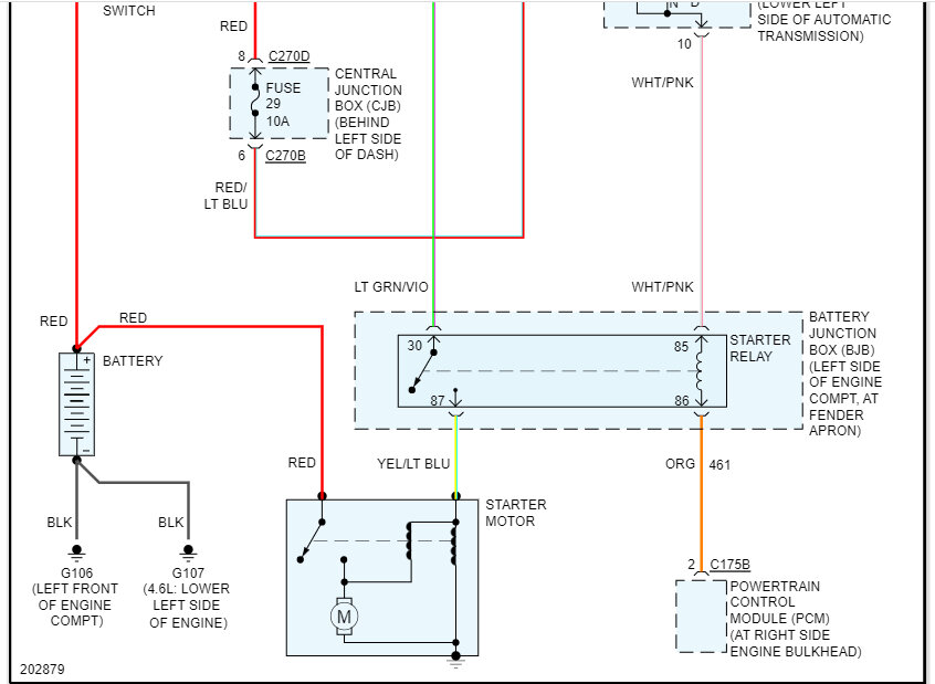
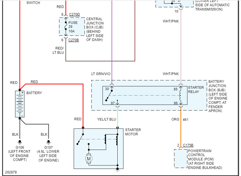
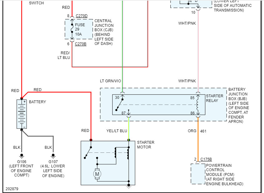
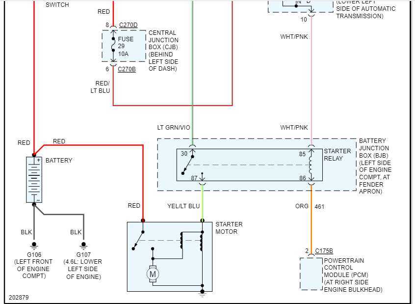
My original project was to replace fuel injectors, hence pulling fuel pump fuse to relieve pressure.
The check gauges light is on as is service engine light. I looked for codes and there are none. Mileage shows 121345 not, so I believe PCM and engine are talking to each other. I'm stumped.
Thanks for any assistance.
Dave
Tuesday, August 15th, 2023 AT 4:59 PM




