Wednesday, March 7th, 2018 AT 3:34 PM
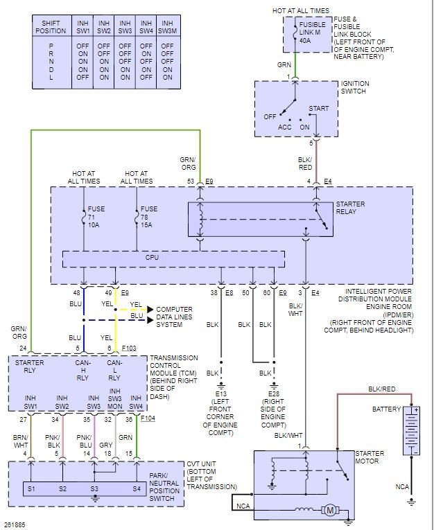
I have no crank at all when trying to start. I have checked the battery, 12.4 volts. The connectors are good as well. I have checked the starter and its good too. When I turn the key I am not getting a signal to the solenoid.



