No crank

2005 BMW 525I
250,000 MILES • 3.0L • 6 CYL • 2WD • AUTOMATIC
Avatar
RENE DIAZ
  • MEMBER
  • 1 POST
I replaced the starter still no crank. The battery is a 12.72v around there. I turn the key and the only click I here is under the steering maybe cas module not the sure. The ibs seems to work fine. Not sure what's next or is there's a fix.
Jun 1, 2022 at 9:41 AM
Repair Safety Notice: This information is for general instructional purposes only. Vehicle repair can be dangerous. Verify all information, follow manufacturer service procedures, use proper tools and safety equipment, and consult a qualified repair shop when needed.
Advertisement
Avatar
KASEKENNY
  • CAR REPAIR CONTRIBUTOR
  • 18,907 POSTS
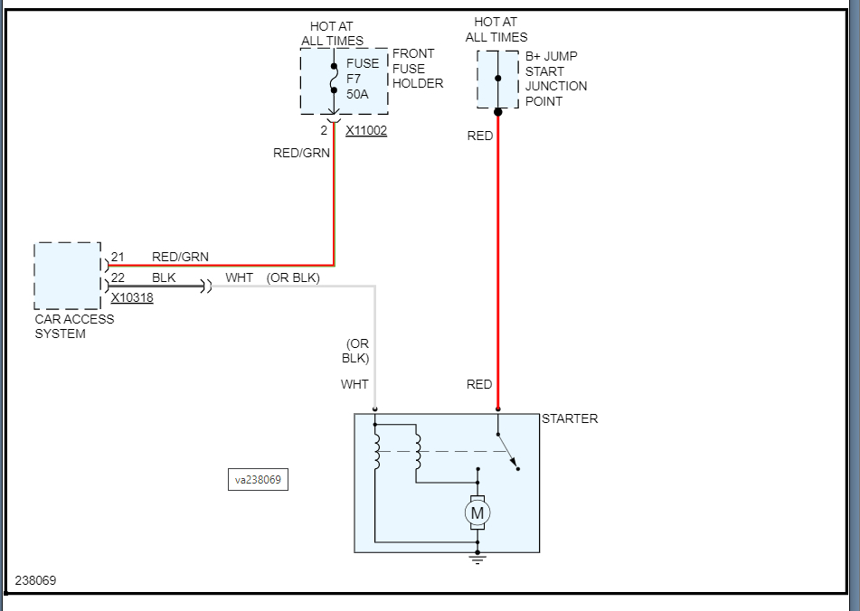
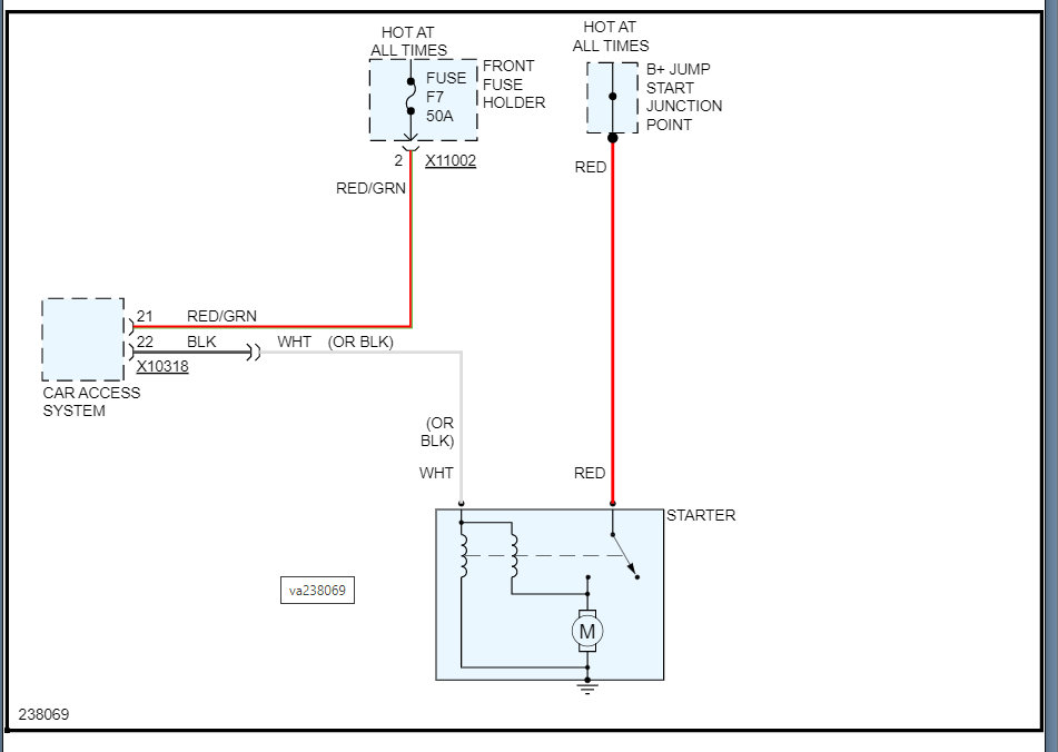
If the starter is only clicking or there is only a click, and the starter does not turn then we need to start with checking the voltage at the starter.

You should have 12 volts on the B+ wire and then trigger wire when you are cranking the engine.

https://www.2carpros.com/articles/how-to-check-wiring

I am attaching the wiring diagram below but basically, we need to go to the starter and find out if we have 12 volts on both wires. I suspect we will not have it on the trigger wire but we need to confirm this first, so we are not guessing.

Next, is the theft system remaining active? If it is, then we need to check for codes.

https://www.2carpros.com/articles/checking-a-service-engine-soon-or-check-engine-light-on-or-flashing

Let me know what you find, and we can go from there.

Thanks
Jun 2, 2022 at 7:53 AM
Advertisement