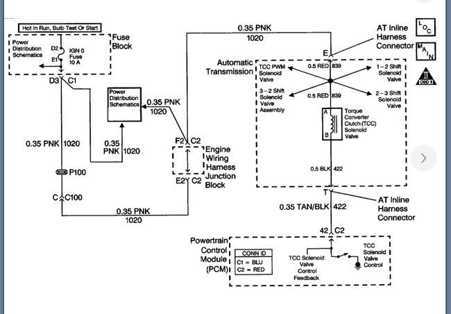
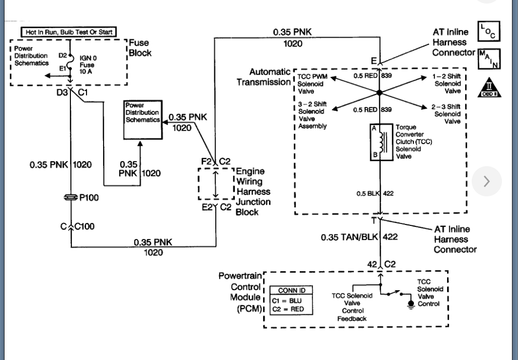
No crank and codes p078, P0740, P0753, P0758, P0785 and P1860

Tiny
SINGLECABSILVER
  • MEMBER
  • 2002 CHEVROLET SILVERADO
  • 4.8L
  • V8
  • 2WD
  • AUTOMATIC
  • 260,000 MILES
I have the truck listed above 1500. It all happened about 30 minutes after I started the truck fine, but the transmission had no torque. I think it’s stuck in third gear. I turned it off then turned on again and I had no prndl light, tachometer, or speedometer. It works normally if I hold the reset button. I parked and turned it off but when I went to turn it on it did not crank. I was at the gas station I was wiggling around the under-hood fuse box, and it cranked. Now it does not crank anymore. I slammed the hood once and the dash lights came on. But I didn’t crank I didn’t realize I had to relay off at the time. The battery is good, I replaced the neutral safety switch and nothing. I have the following codes: p078, p0740, p0753, p0758, p0785 and p1860. The crank fuse and Ign 0 fuse have no power and the fuses are good.
Any Ideas? I’ve replaced the ignition coil and harness also and still nothing
Sunday, February 20th, 2022 AT 2:37 PM

3 Replies

Tiny
KASEKENNY
  • MECHANIC
  • 18,907 POSTS
All these codes are for shift solenoids so they would not cause a no crank condition.

So, we need to figure out the no crank first and foremost.

Just to get this started here is a guide that will help with this issue:

https://www.2carpros.com/articles/starter-not-working-repair

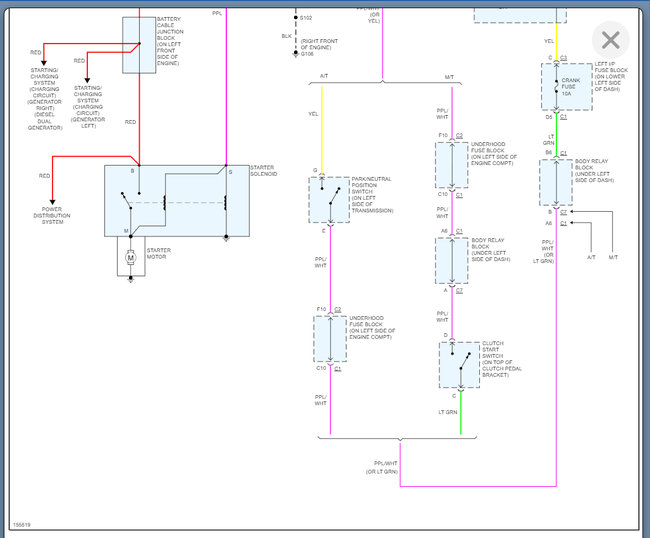
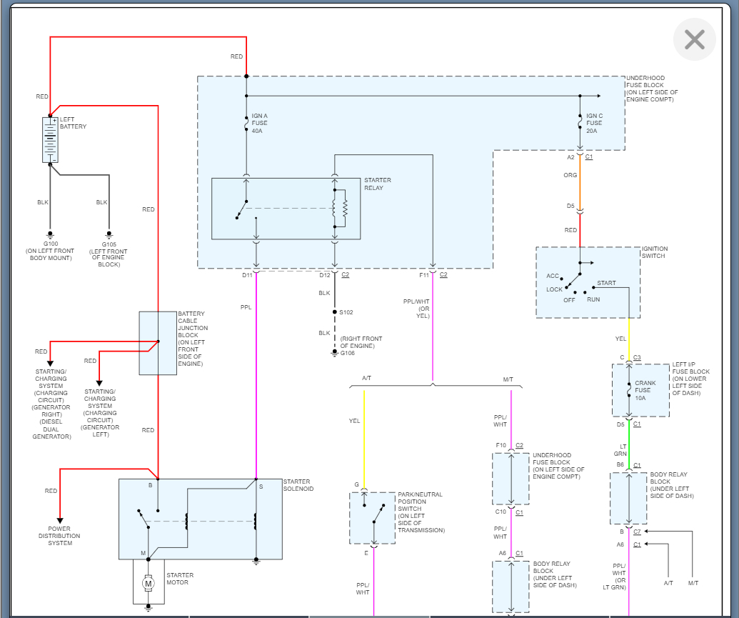
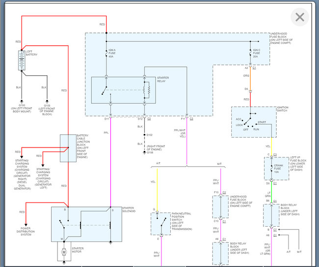
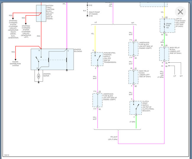
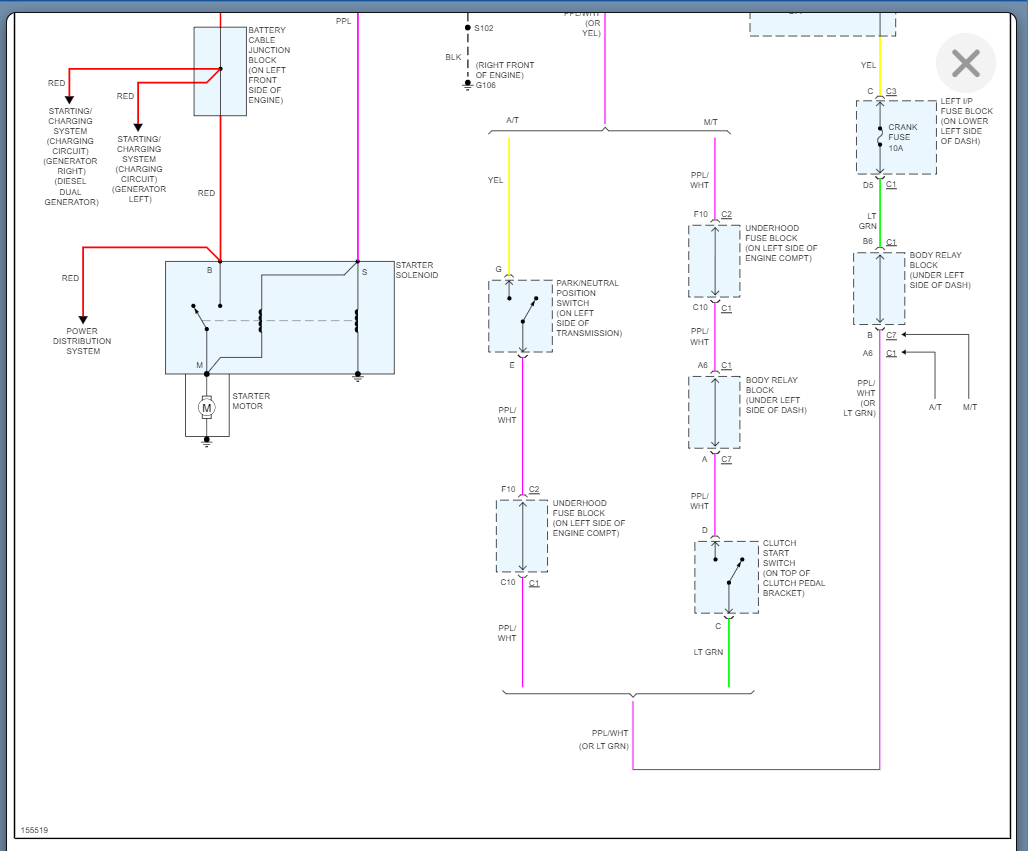
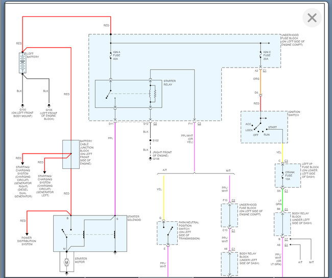
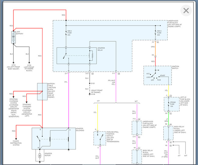
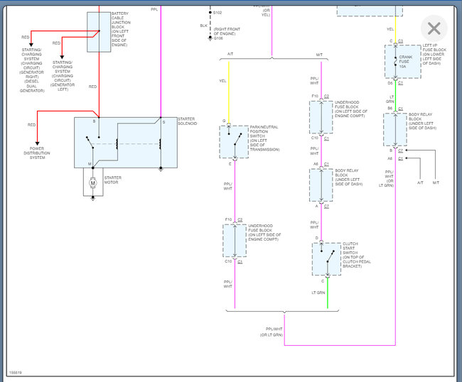
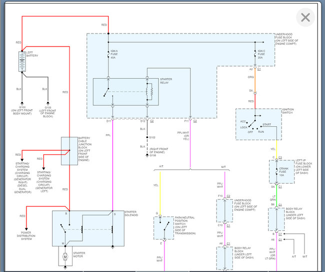
I would suggest starting with checking voltage at the relay for the starter and see if the starter is even being commanded on.

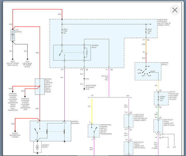
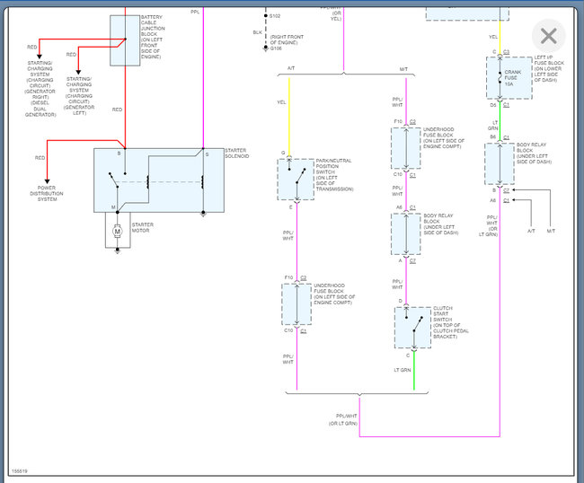
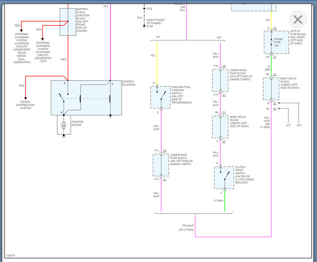
You do this by checking the voltage coming from the park switch. I am attaching the wiring diagram below which will show this info.

Basically, this wire should have 12 volts on it. If it doesn't then we need to back track and find out where we are losing it.

It does sound like you have a connection issue somewhere under the hood so make sure you have good tight battery connections and then we should check the grounds for the battery.

https://www.2carpros.com/articles/how-to-check-wiring

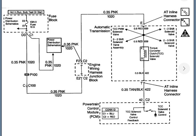
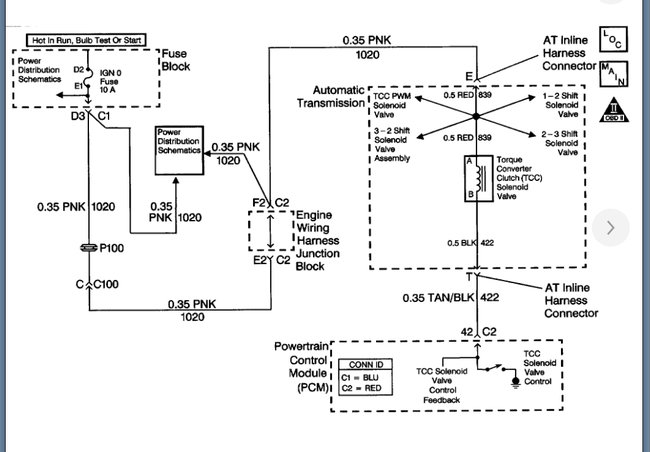
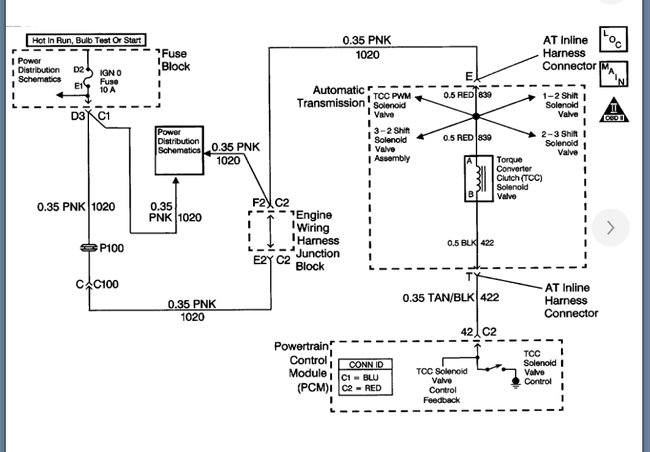
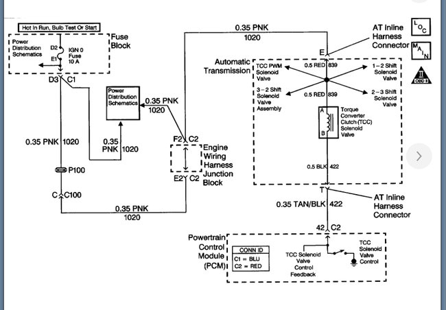
I am also attaching the testing for one of the codes because if we find nothing else then we are going to have to run through this testing.
Was this
answer
helpful?
Yes
No
Monday, February 21st, 2022 AT 6:18 PM
Tiny
SINGLECABSILVER
  • MEMBER
  • 6 POSTS
I changed the user hood fuse box today and it solved all problems. Thanks for the help.
Was this
answer
helpful?
Yes
No
+1
Monday, February 21st, 2022 AT 11:18 PM
Tiny
KASEKENNY
  • MECHANIC
  • 18,907 POSTS
Great job. Thanks for coming back to update us and tell us what happened.

That info will surely help others.
Was this
answer
helpful?
Yes
No
+1
Tuesday, February 22nd, 2022 AT 5:49 PM

Please login or register to post a reply.