Sunday, March 20th, 2022 AT 4:12 PM
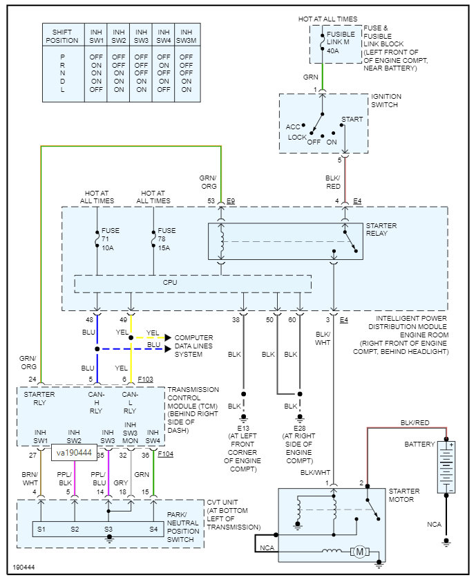
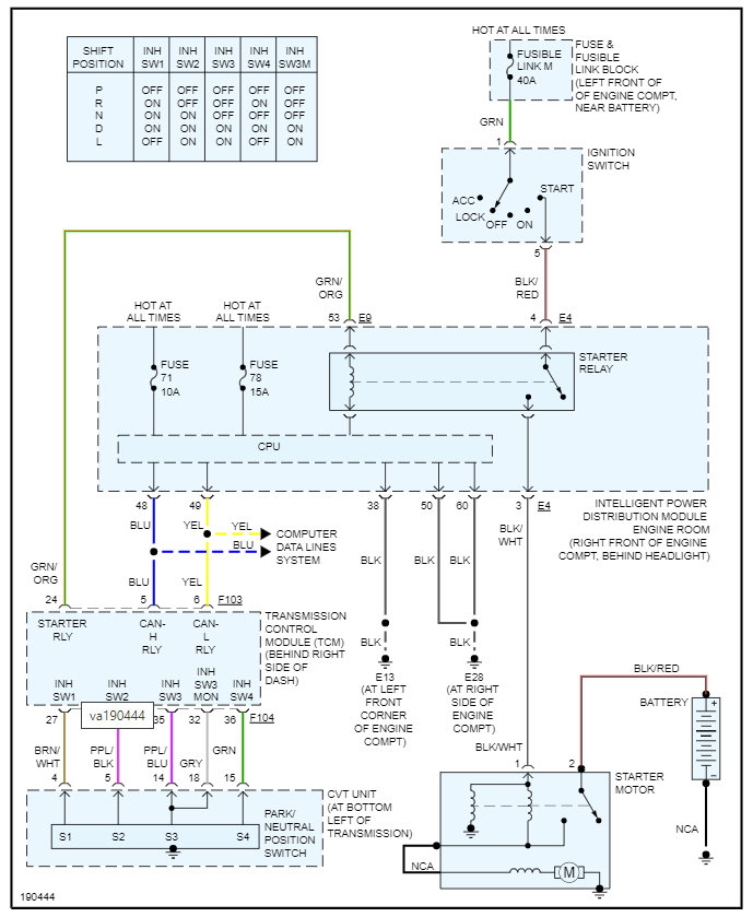
Turn the switch on lights come on but try to start no crank. I am not getting any fire to starter from the switch. Turn the switch on the lights come on but try and crank the truck will not crank I have no power coming from the switch to engage the starter I can jump the relay and truck cranks and even will start as long as I leave the switch in the on spot, but the switch will not send power to the starter. I would like to know where the neutral safety switch is, its not on the transmission where the ste gear selector is.



