Monday, May 22nd, 2023 AT 8:46 AM
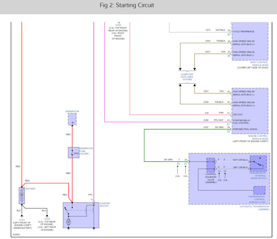
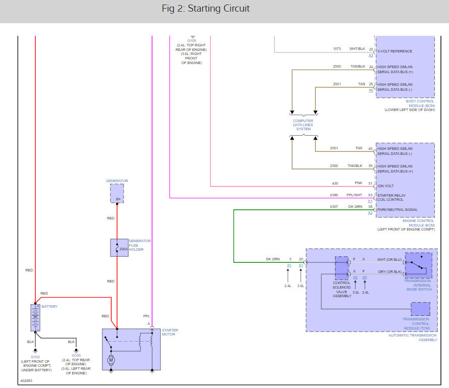
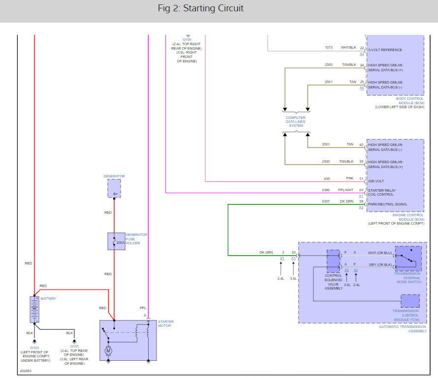
Replaced engine, the new engine will not crank over, power tests good at starter but don’t have anything on the excite wire. If I supply ground to the starter system, when the helper turns the key, it will click as if it has a drained battery but nothing without supplying ground.




