Thursday, April 26th, 2018 AT 7:11 PM
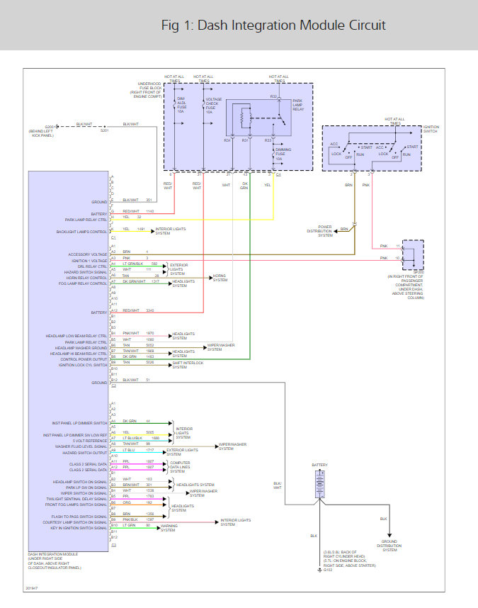
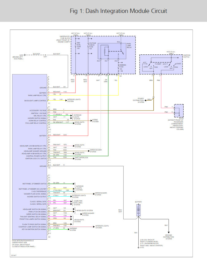
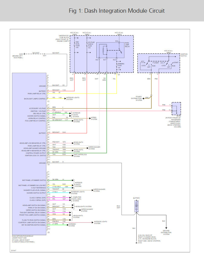
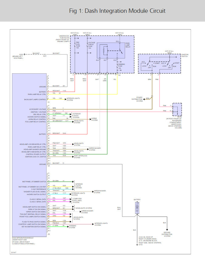
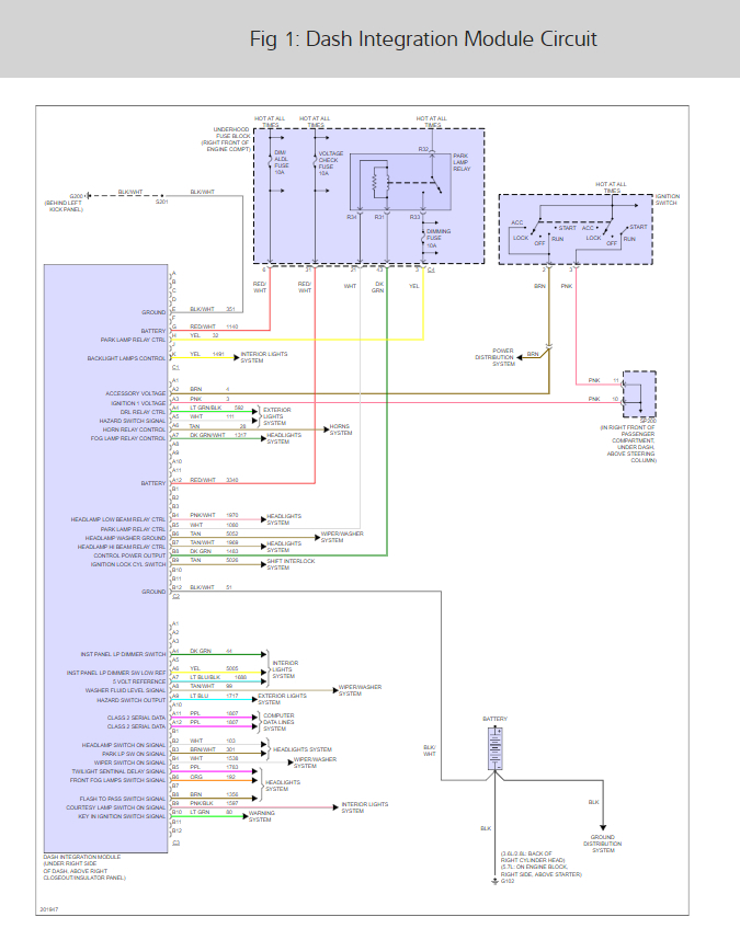
Vehicle came in to shop with no brake lights, ABS and Trac light, no and communication with ABS module. Replace the module with new one, programmed, all worked fine. It worked fine for about twenty minutes, then no brake lights and no communication. Someone said in a post that maybe have pinched wire from front fuse panel and front bumper.





