Thursday, August 19th, 2021 AT 6:57 PM
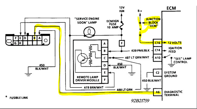
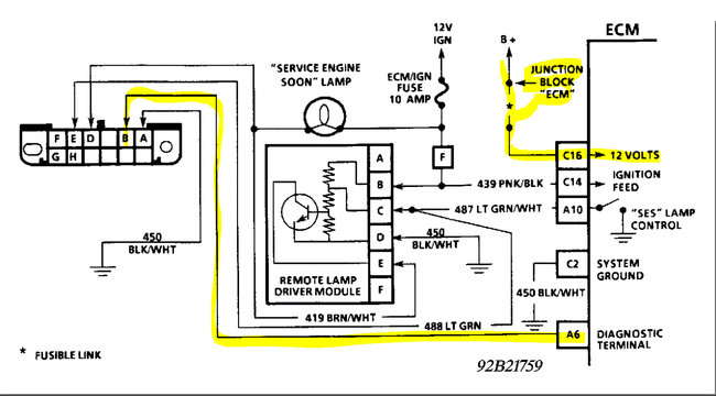
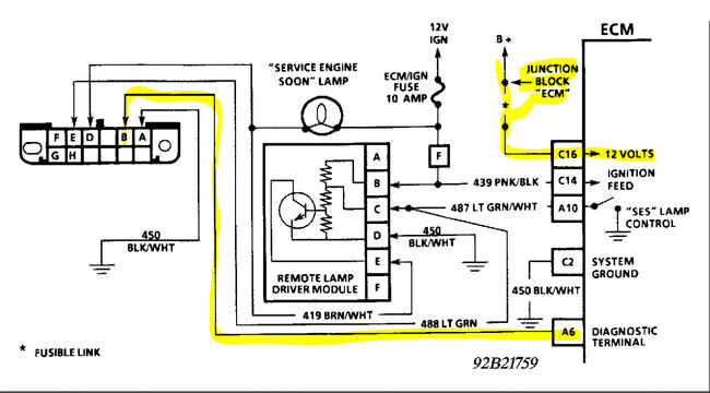
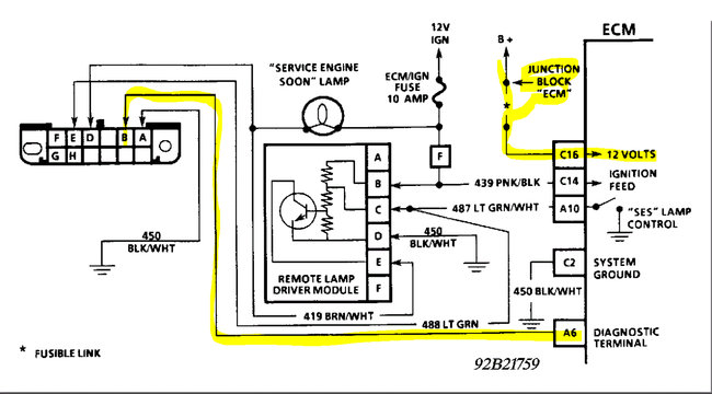
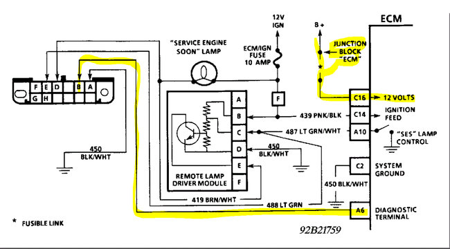
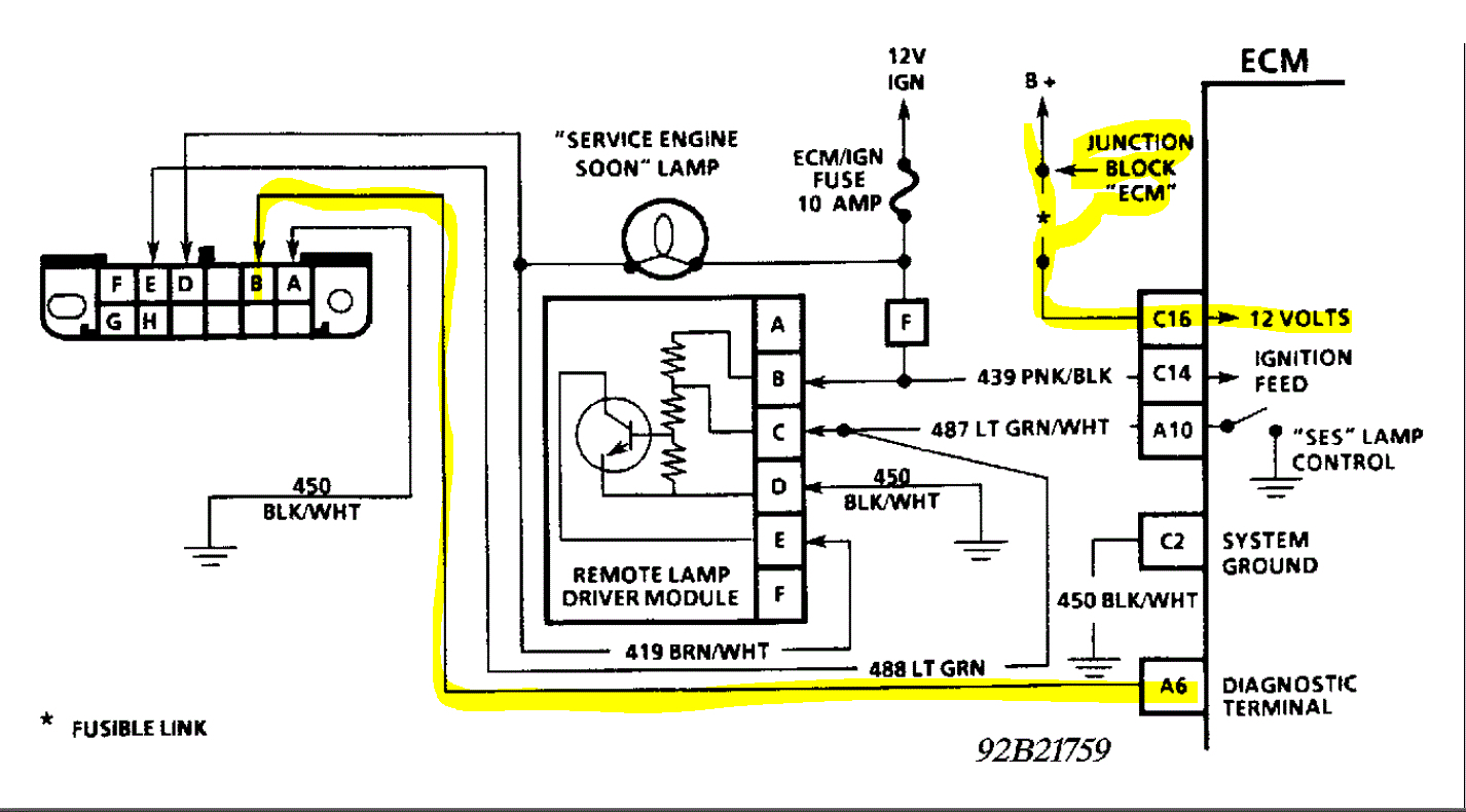
I have checked all fuses, connections and relays - they are good. Grounds seem clean and tight. When I jump A and B on the OBDI connector the "Service Engine Soon" light stays on steady, no flashing. I've tried this numerous times with paperclips and a dedicated OBDI jump tool. I even replaced the output TSS to no avail. Could this indicate a defective ECM? This particular truck has the 7060 module.
















