Friday, March 20th, 2020 AT 8:52 AM
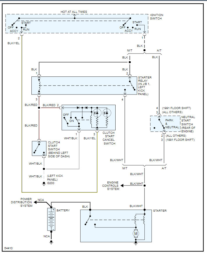
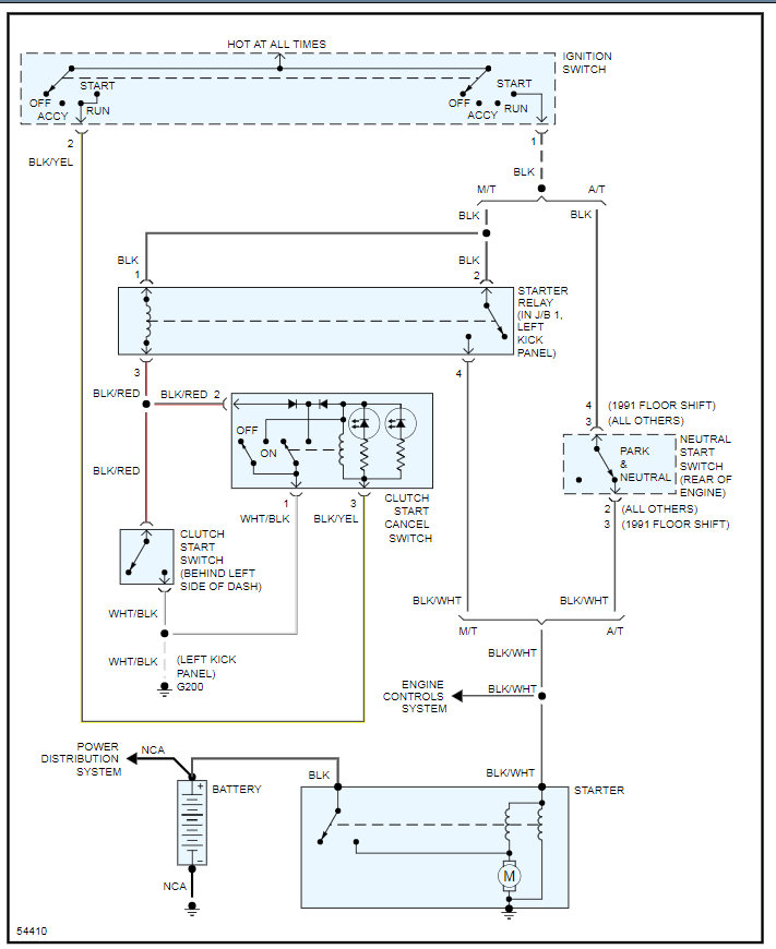
Truck listed above is the dlx model I had removed the air intake hose to the carburetor to put a new one on. I moved the truck and did not crank it for 2 weeks. I went to the truck to crank it and no sound, no click, no dash lights, no blinkers and no fan motor for the vent. I do have headlights and hazard lights. I took my battery to AutoZone and got me a new one knowing the one I had was bad. I hooked it up and while hooking the hot wire to the battery after the negative wire, I got a little spark showing power to the fuse box under the hood. I am unable to check the fuses in the truck as all these fuses are interconnected to the ignition switch. What could possibly be wrong and what can I do to either test or fix this? This is my only vehicle and right now I have time to work on it. I was thinking fuse or ignition switch but don't know how to test ignition switch. Any help is more than grateful. Just a note: the clutch and manual transmission was bypassed a long time ago allowing the truck to be cranked in any gear with out pressing in the clutch or putting it in neutral.

