Center high mount stop light is not working

Tiny
DEACON DAN
  • MEMBER
  • 2010 CHEVROLET EXPRESS
  • 4.6L
  • V8
  • 2WD
  • AUTOMATIC
  • 47,000 MILES
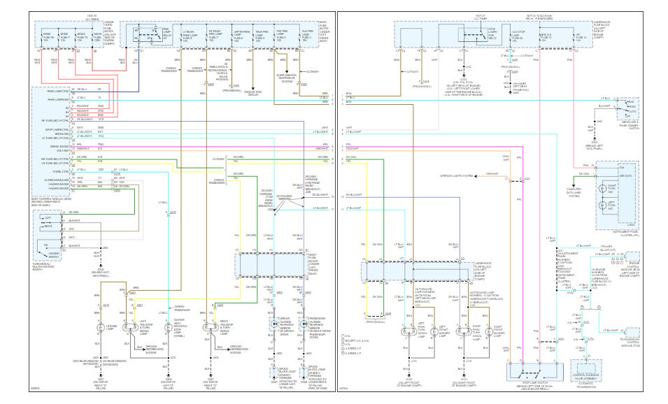
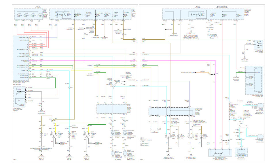
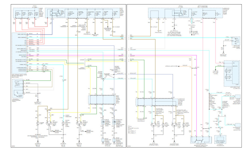
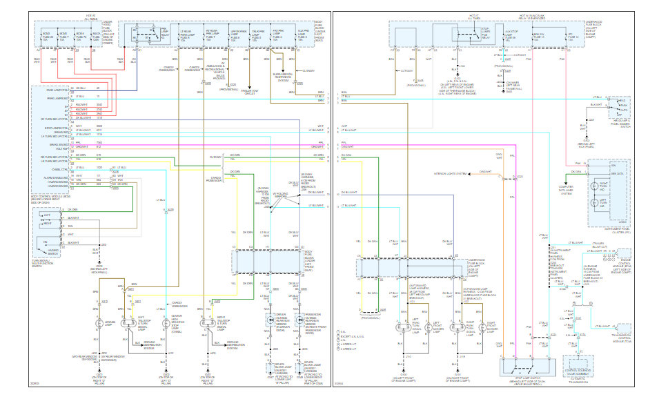
All related fuses are good as well as bulbs. Sockets are clean. Could it be a BCM issue?
Friday, February 22nd, 2019 AT 4:34 AM

53 Replies

Tiny
ASEMASTER6371
  • MECHANIC
  • 52,796 POSTS
Good morning,

Yes, it could be.

If you have normal brake lights to the rear, then the brake light switch is working correctly. It sends a signal to the BCM and then it goes to the center light.

Before assuming it is the BCM, you need to test for power coming out of the BCM. If there is power, then it could be wiring to the socket.

I would test it first before replacing an expensive part that will not fix it.

Roy
Was this
answer
helpful?
Yes
No
Friday, February 22nd, 2019 AT 5:20 AM
Tiny
DEACON DAN
  • MEMBER
  • 29 POSTS
Thanks Roy. I will check at my earliest convenience. By the way, I was told that the BCM checks for resistance from the bulb and then sends 12 volts. If not is found, it will not send 12 volts and the BCM will need to be reset. Is this true?
Was this
answer
helpful?
Yes
No
Friday, February 22nd, 2019 AT 5:34 AM
Tiny
ASEMASTER6371
  • MECHANIC
  • 52,796 POSTS
No, it is not. It would do that if it controlled the ground.

No, the BCM does not have to be reset.

You need to check the voltages from the BCM to the socket.

Roy
Was this
answer
helpful?
Yes
No
Friday, February 22nd, 2019 AT 6:02 AM
Tiny
DEACON DAN
  • MEMBER
  • 29 POSTS
Thanks again. I imagine that I should also confirm that the brake switch is sending the input signal as well? 12 volts?
Was this
answer
helpful?
Yes
No
-1
Friday, February 22nd, 2019 AT 6:12 AM
Tiny
DEACON DAN
  • MEMBER
  • 29 POSTS
For the record. I'm a licensed electrician, not an auto mechanic. Sorry for any confusion.
Was this
answer
helpful?
Yes
No
Friday, February 22nd, 2019 AT 6:14 AM
Tiny
ASEMASTER6371
  • MECHANIC
  • 52,796 POSTS
No worries.

No to the brake light switch. As I stated before, if the brake lights in the rear are working, the switch is working and sending a signal to the BCM. You can test it but it will be good.

You need to concentrate on the wiring from the BCM to the third light.

Roy
Was this
answer
helpful?
Yes
No
Friday, February 22nd, 2019 AT 6:19 AM
Tiny
DEACON DAN
  • MEMBER
  • 29 POSTS
Very good, thanks again.
Was this
answer
helpful?
Yes
No
Friday, February 22nd, 2019 AT 6:21 AM
Tiny
ASEMASTER6371
  • MECHANIC
  • 52,796 POSTS
You are welcome.

Roy
Was this
answer
helpful?
Yes
No
Friday, February 22nd, 2019 AT 6:23 AM
Tiny
DEACON DAN
  • MEMBER
  • 29 POSTS
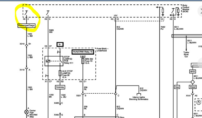
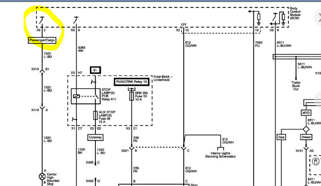
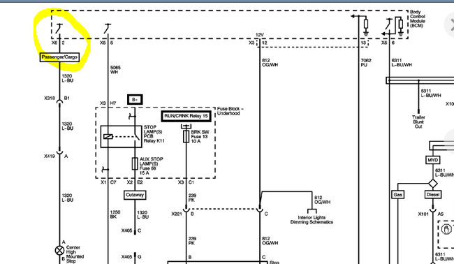
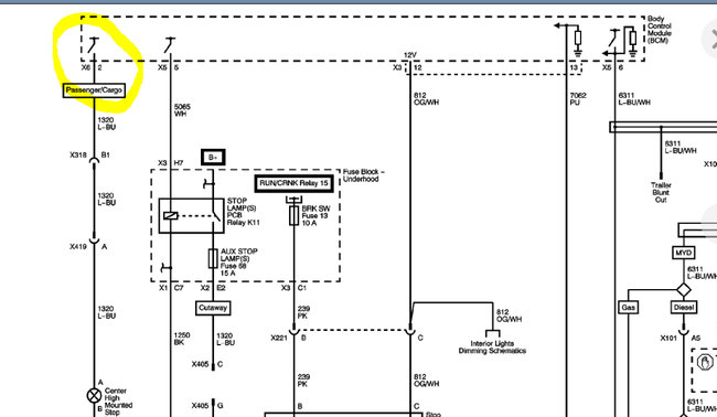
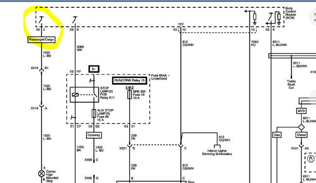
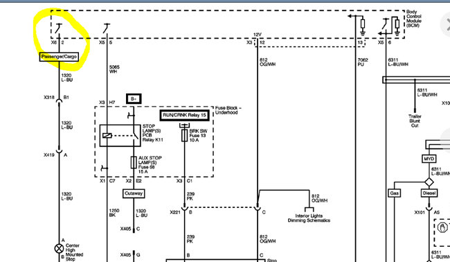
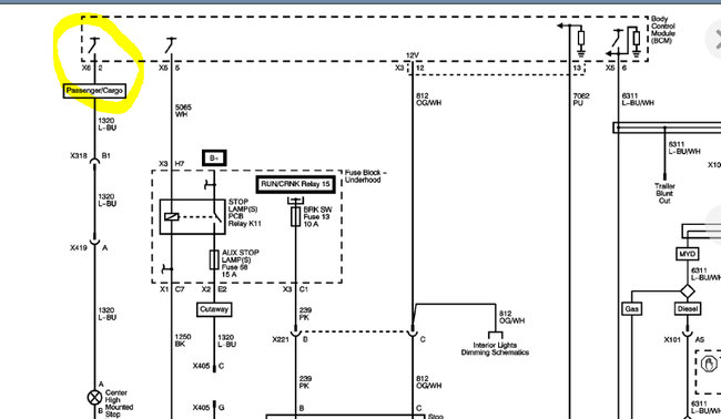
Hey Roy, can you send me a picture of the diagram in PDF format? It's hard to view when enlarged.
Was this
answer
helpful?
Yes
No
Friday, February 22nd, 2019 AT 7:58 AM
Tiny
ASEMASTER6371
  • MECHANIC
  • 52,796 POSTS
Try this one.

Roy
Was this
answer
helpful?
Yes
No
Friday, February 22nd, 2019 AT 8:03 AM
Tiny
DEACON DAN
  • MEMBER
  • 29 POSTS
Thanks, that's a bit better.
Was this
answer
helpful?
Yes
No
Friday, February 22nd, 2019 AT 8:12 AM
Tiny
ASEMASTER6371
  • MECHANIC
  • 52,796 POSTS
Good.

Roy
Was this
answer
helpful?
Yes
No
Friday, February 22nd, 2019 AT 8:17 AM
Tiny
DEACON DAN
  • MEMBER
  • 29 POSTS
Hey Roy, can you tell me which color modular plug this wire is in? There are 7.
Was this
answer
helpful?
Yes
No
Friday, February 22nd, 2019 AT 12:54 PM
Tiny
ASEMASTER6371
  • MECHANIC
  • 52,796 POSTS
It is marked as X6 pin2. It is a light blue wire.

Roy
Was this
answer
helpful?
Yes
No
Friday, February 22nd, 2019 AT 1:11 PM
Tiny
DEACON DAN
  • MEMBER
  • 29 POSTS
I do see some numbers on the plugs, but no x designations. I thought I could figure it out by process of elimination, but I don't see a light blue wire in any position 2.
Was this
answer
helpful?
Yes
No
Friday, February 22nd, 2019 AT 1:18 PM
Tiny
ASEMASTER6371
  • MECHANIC
  • 52,796 POSTS
The pin arrangements are the same on all the connectors. There needs to be a light blue wire on one of them.

Roy
Was this
answer
helpful?
Yes
No
Friday, February 22nd, 2019 AT 1:30 PM
Tiny
DEACON DAN
  • MEMBER
  • 29 POSTS
Based on the picture you sent me, I believe I found x6, but pin 2 looks gray.
Was this
answer
helpful?
Yes
No
Friday, February 22nd, 2019 AT 1:40 PM
Tiny
DEACON DAN
  • MEMBER
  • 29 POSTS
The wire at the light is light blue?
Was this
answer
helpful?
Yes
No
Friday, February 22nd, 2019 AT 1:41 PM
Tiny
ASEMASTER6371
  • MECHANIC
  • 52,796 POSTS
I see a light blue wire. Use an ohmeter to see if is the wire to the third light socket.

Roy
Was this
answer
helpful?
Yes
No
Friday, February 22nd, 2019 AT 1:50 PM
Tiny
DEACON DAN
  • MEMBER
  • 29 POSTS
There is a light blue wire on that plug, but it's definitely not position 2. And it has power now I just checked. Brake is not pressed.
Was this
answer
helpful?
Yes
No
Friday, February 22nd, 2019 AT 1:52 PM

Please login or register to post a reply.