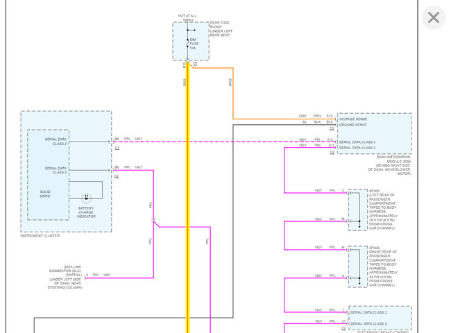
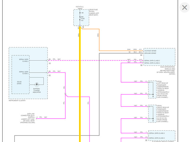
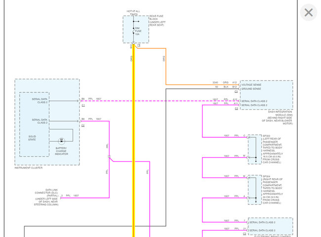
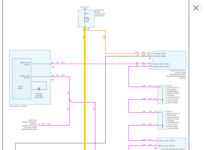
Sunday, November 21st, 2021 AT 11:30 PM
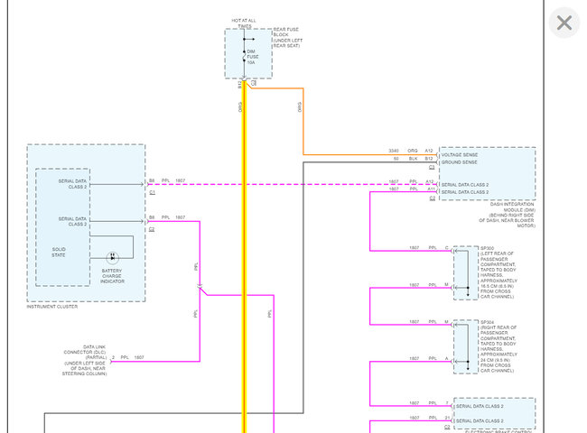
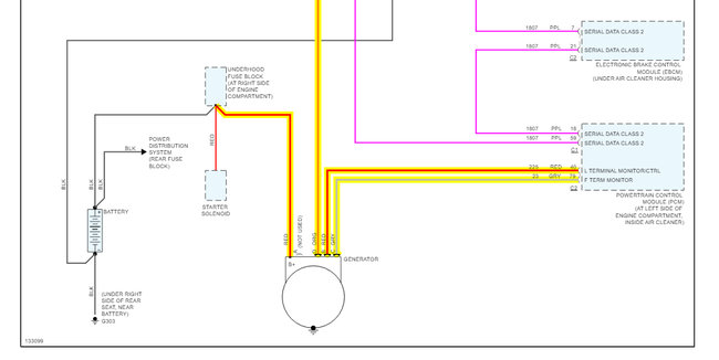
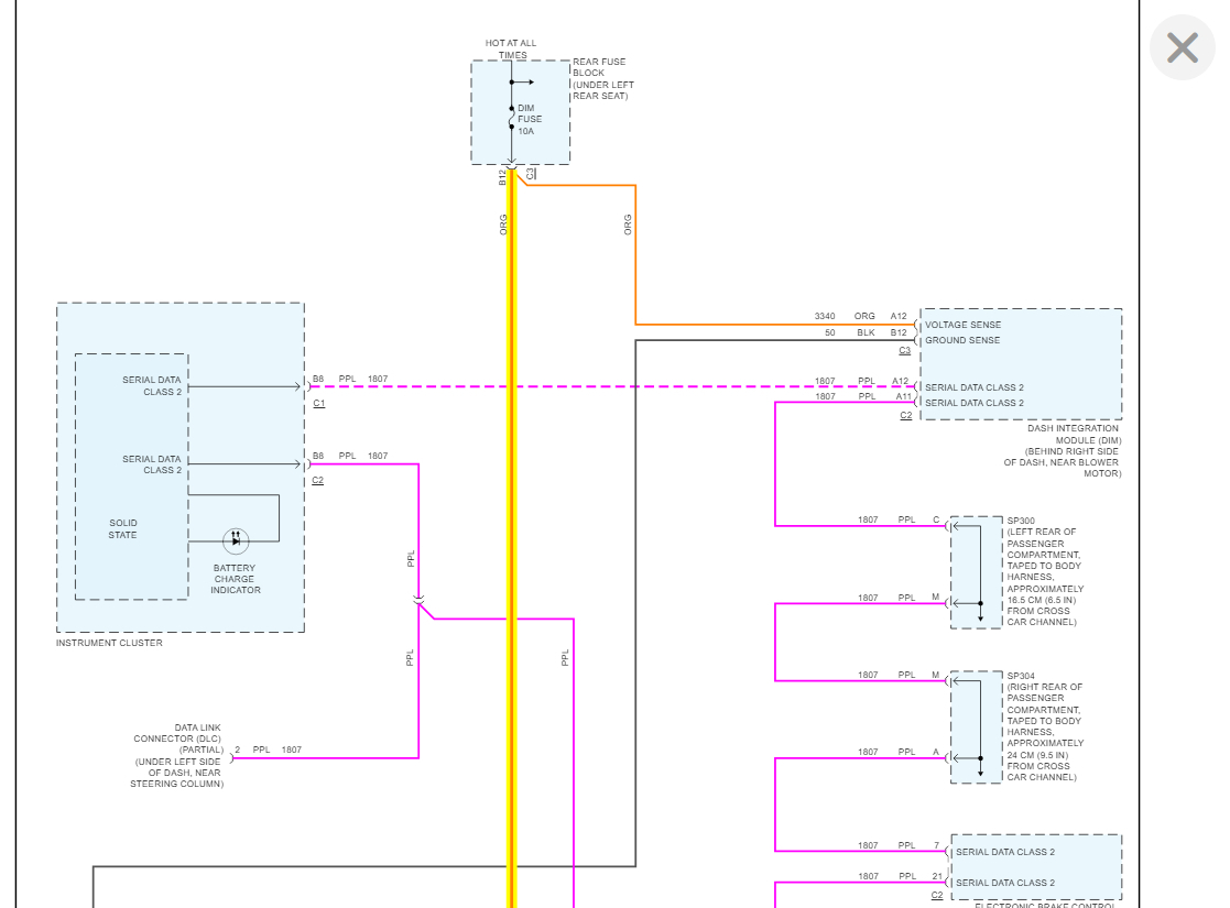
I replaced PCM, battery and alternator. Drove to AutoZone and back car was dead in morning. I have three wires red orange and yellow/gray I’m not sure what order they go in for alternator plug. Can’t find a diagram anywhere.











