No Bus fault (short)

Tiny
BLEEDBLUE311
  • MEMBER
  • 2002 DODGE DAKOTA
  • 3.9L
  • 6 CYL
  • 2WD
  • AUTOMATIC
  • 220,000 MILES
Hey I'm getting a No Bus fault, I have done some testing and found that I have a short in my interior lamp. (Found this by disconnecting the negative cable from the battery and using a multimeter touching the negative post and the negative wire) stays around 1.5 amps. I removed my 40 amp fuse (for my interior lights) and it went down to
(0 -.4) so I have a short in my interior light wiring somewhere. Is there a way to bypass the interior lights where the PCM will still send the 5v to the sensors? In other words sacrificing not having interior lights so that my truck will still run? Any help would be appreciated. Thanks
Saturday, October 17th, 2020 AT 1:36 PM

7 Replies

Tiny
KASEKENNY
  • MECHANIC
  • 18,907 POSTS
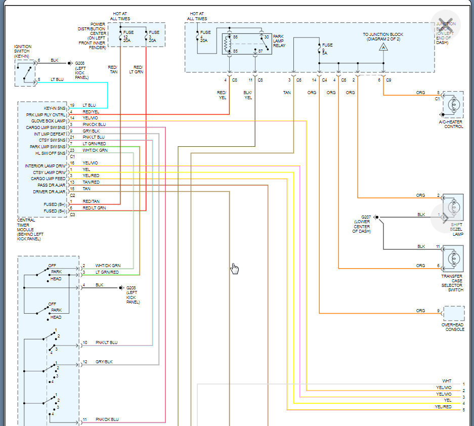
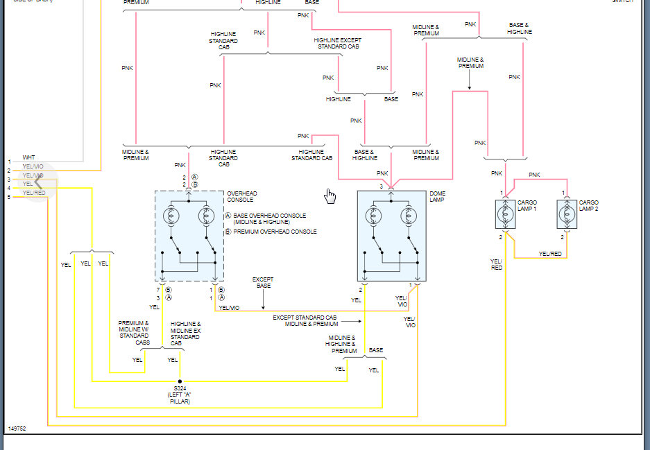
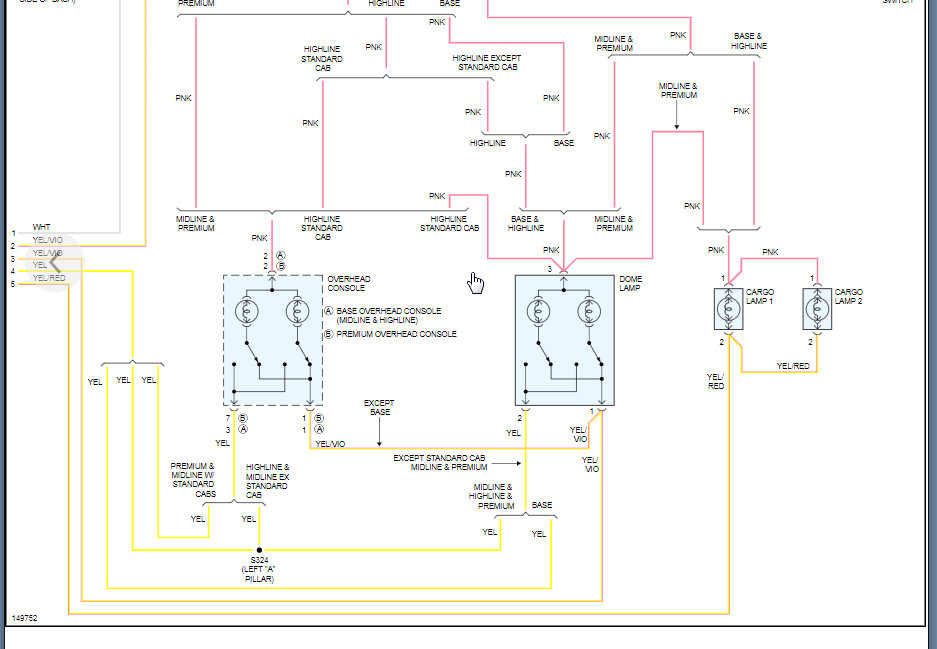
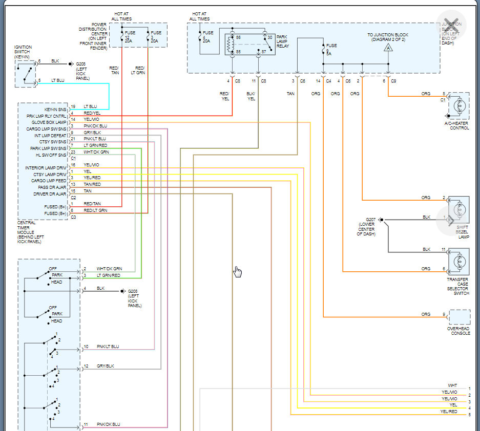
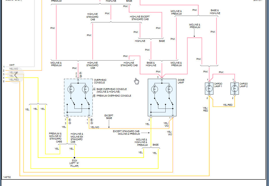
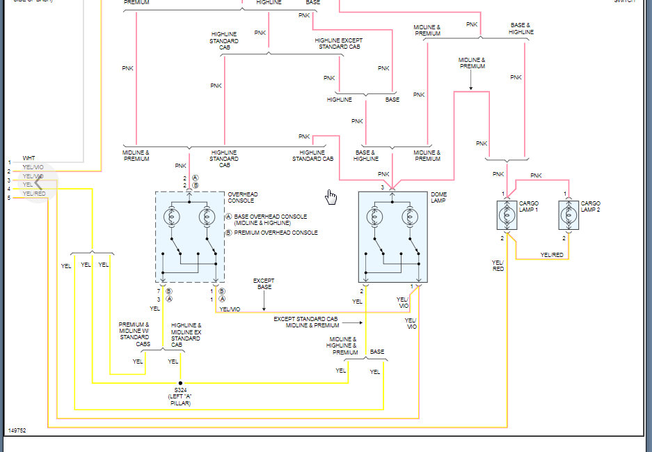
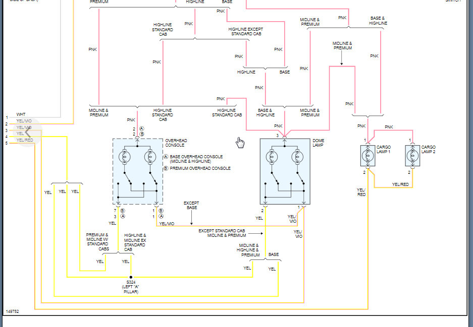
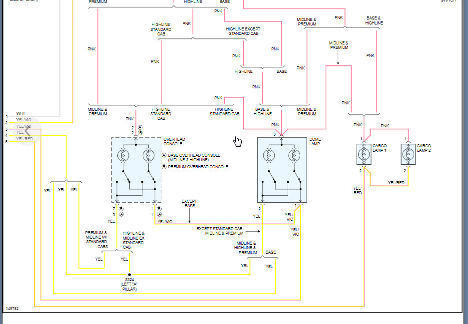
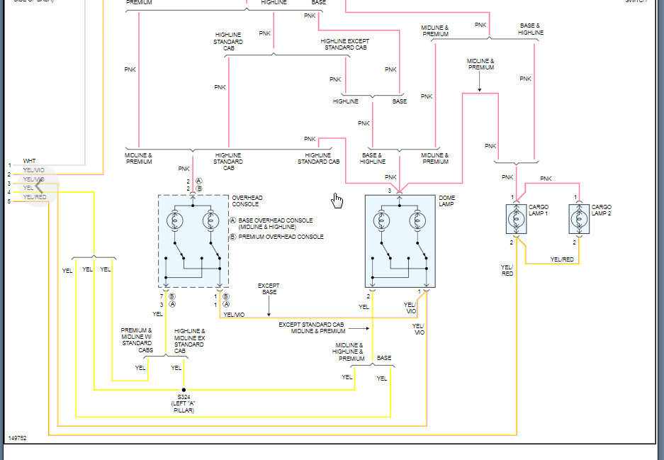
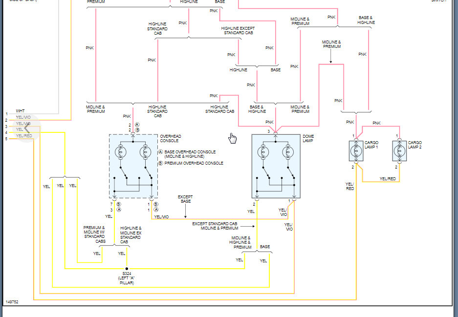
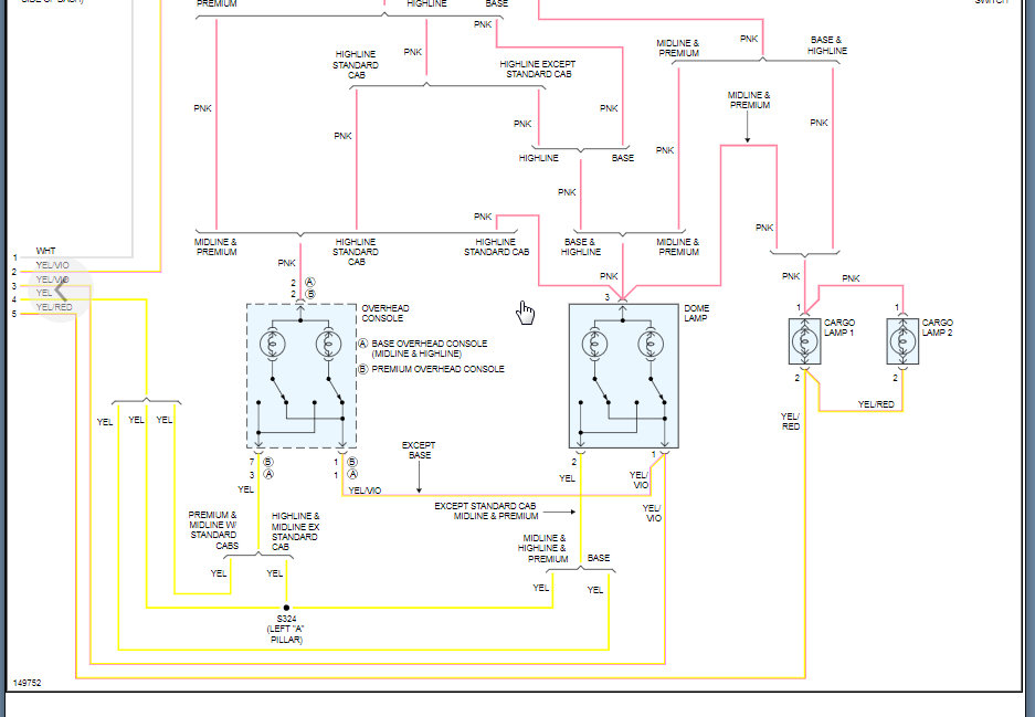
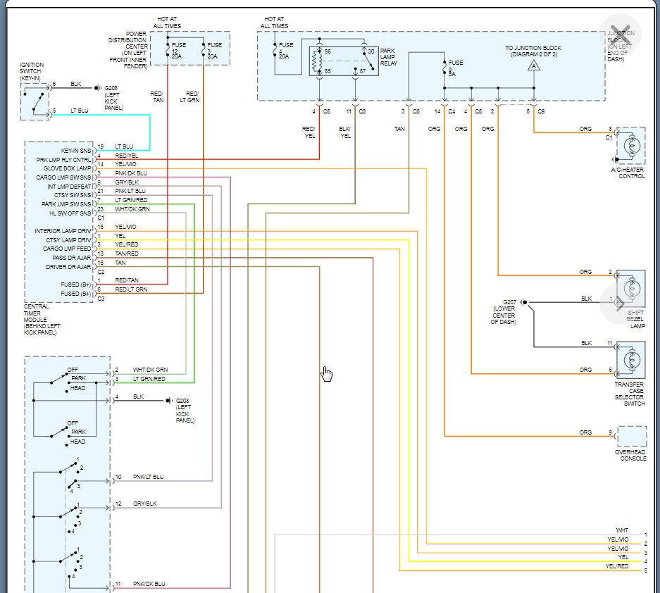
Can we take a step back and clarify what 40 amp fuse you are removing that is causing the draw to go away? I attached the wiring diagram for the interior lighting system and there is no 40 amp fuse so we just need to make sure we cover that first.

Next, we need to address the 1.5 amp draw because that may not mean that you have a short in the wiring and that also may not account for the No Bus message. The 1.5 amp draw just means that something is remaining on and it is clearly on this 40 amp fuse but you may not need to bypass the entire interior lighting if we identify the specific component causing this and then we can either replace that or just unhook that one light (assuming it is a light).

Then we may need to address the no bus issue but lets start here and see what happens. Thanks
Was this
answer
helpful?
Yes
No
-1
Saturday, October 17th, 2020 AT 7:40 PM
Tiny
BLEEDBLUE311
  • MEMBER
  • 4 POSTS
Here is a pic of the fuse box and the 40 amp fuse I referenced.
Was this
answer
helpful?
Yes
No
Saturday, October 17th, 2020 AT 8:13 PM
Tiny
AL514
  • MECHANIC
  • 5,595 POSTS
What exactly is the Bus code you're getting? Or Is it just a dash light? I'm just curious, I really like CAN bus issues.
Was this
answer
helpful?
Yes
No
Saturday, October 17th, 2020 AT 8:40 PM
Tiny
BLEEDBLUE311
  • MEMBER
  • 4 POSTS
AL514 it's (no bus) shows up in odometer, from what I have gathered it just means that the circuit is not complete somewhere, and the PCM doesn't send 5v to sensors and fuel pump doesn't prime. So truck wont start. I have definitely thought that maybe I needed a new PCM? But I wanted to rule out any other possibilities. Plus I was thinking I have a short somewhere.
Was this
answer
helpful?
Yes
No
+1
Saturday, October 17th, 2020 AT 9:01 PM
Tiny
KASEKENNY
  • MECHANIC
  • 18,907 POSTS
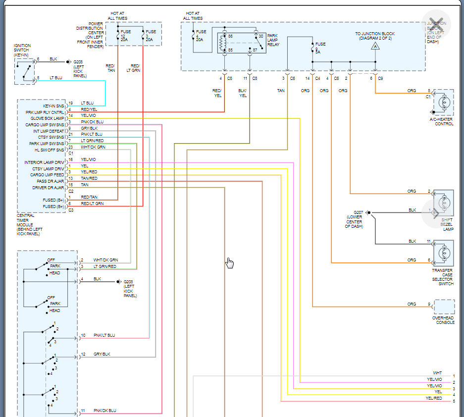
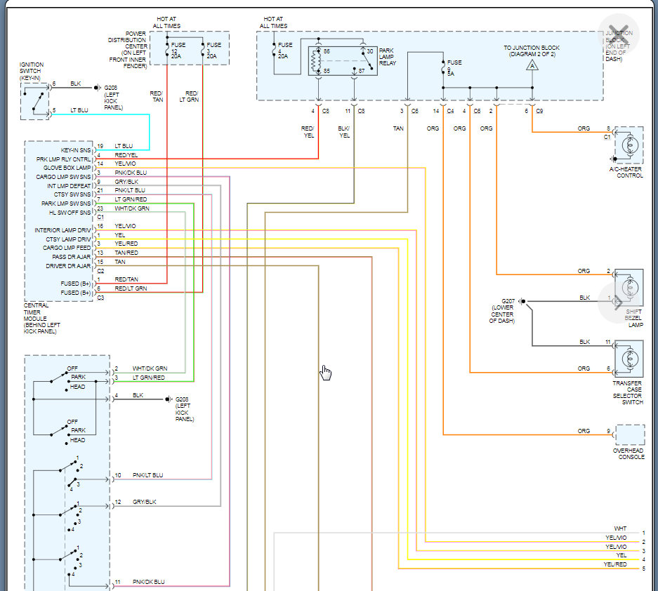
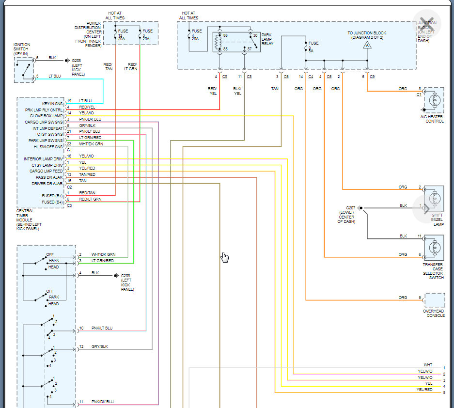
Okay. That helps. I suspect you have two issues. However, the cause of the draw could be the cause of the no bus issue. That 40 amp fuse is what we call a mega fuse. It not only runs the interior lamps but it runs the mirrors, radio, exterior lamps, etc. Basically anything that is on fuses 1, 2, 4, and 13 in the junction block. So this 40 fuse is the larger fuse for those smaller fuses. Something on those fuses is causing your draw.

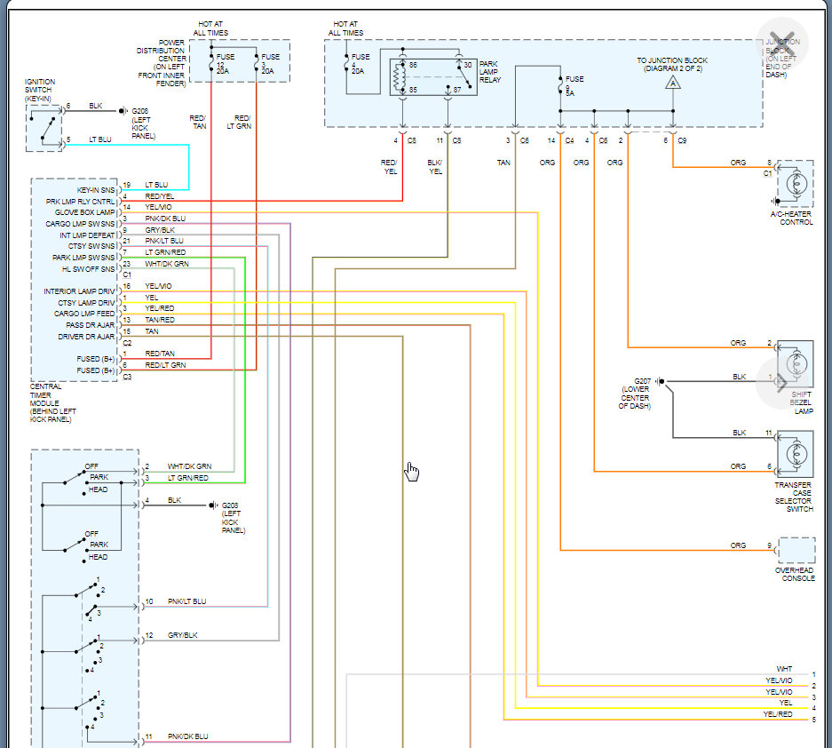
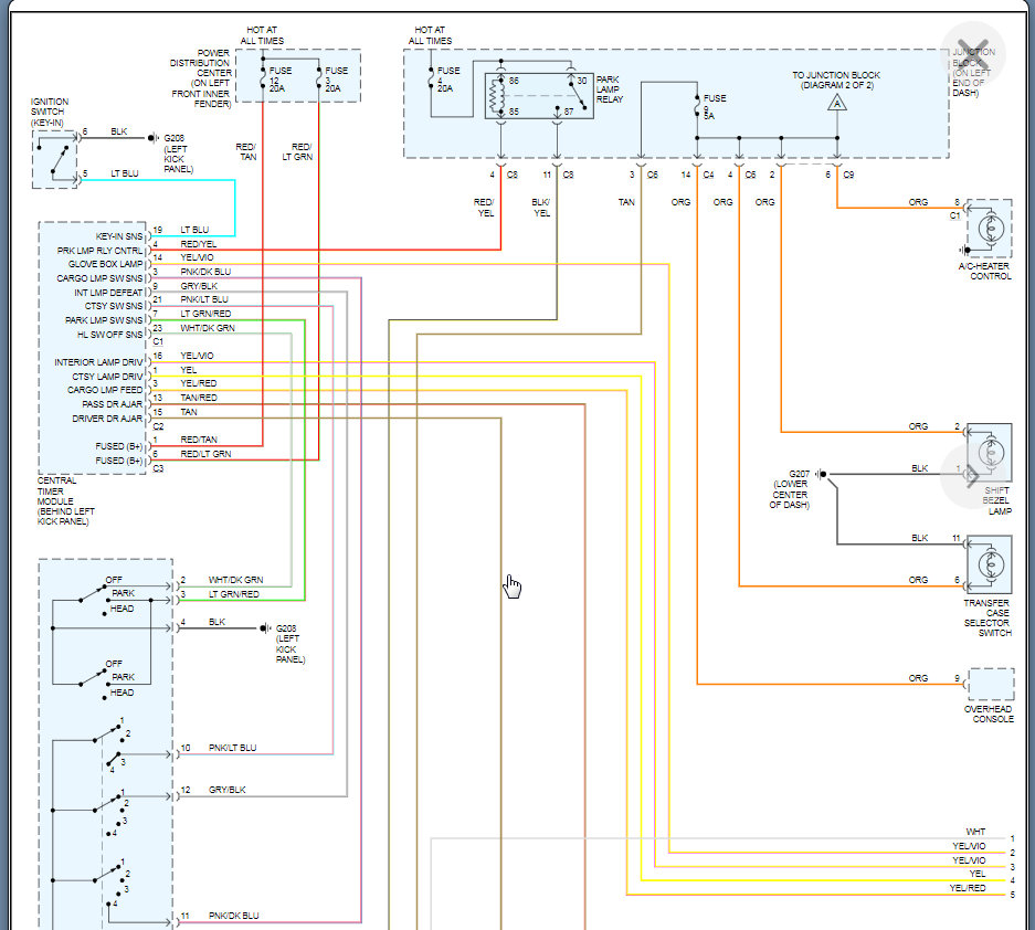
As for the no bus message, that is telling you that one of the modules is not able to communicate and the fact that the vehicle does not start and run, chances are that it is the PCM. I attached information on this bus system as it is called a PCI bus so it is different then a CAN bus. On this bus there is only one dominant module which is the PCM where in CAN bus systems you have two dominant modules and they are the only terminating modules. Where as each module in the PCI bus terminates itself.

So here is what I would recommend. Plug the 40 amp fuse back in and monitor the draw again on the negative battery terminal to get your 1.5 amp draw back. Then go to the junction block and remove fuse 1, 2, 4, and then 13 to see which one causes the draw go away. Once we know that we can drill further into what that fuse controls.
Was this
answer
helpful?
Yes
No
Sunday, October 18th, 2020 AT 6:20 PM
Tiny
BLEEDBLUE311
  • MEMBER
  • 4 POSTS
Okay, awesome I will try that, New problem. I replaced the crank position sensor the other day, because I read of people having the no bus fault due to a bad CPS. (Truck still wouldn't start, didn't seem to change anything) I removed the PCM completely for about 30 minutes today. Replaced it and was able to start the truck. (Runs rough) got a code p1391
(research reference attached). So I see that changing the sensor can cause issues, but then I read that the timing is set with the PCM. So is it more likely that the PCM is getting a weak signal or that something has gone wrong with the timing? Thanks for your help!
Was this
answer
helpful?
Yes
No
Sunday, October 18th, 2020 AT 6:51 PM
Tiny
KASEKENNY
  • MECHANIC
  • 18,907 POSTS
Sounds great however, we need to get a new post started for new issues. We need to keep each post to one topic so that others can find the answers if they visit the site with the same issue. They won't find a different issues under a different topic.

https://www.2carpros.com/questions/new
Was this
answer
helpful?
Yes
No
Monday, October 19th, 2020 AT 5:55 PM

Please login or register to post a reply.