No brake lights All my other lights works

Tiny
3GIRLS302524
  • MEMBER
  • 1994 FORD RANGER
  • 3.0L
  • 4 CYL
  • 4WD
  • MANUAL
  • 138,000 MILES
All my other lights works. Even my brake light on the cab, but by brake lights in the bed do not. We checked the fuses and some of the wiring but we cannot figure it out. Any idea? Truly appreciate it.
Friday, September 21st, 2018 AT 12:19 AM

3 Replies

Tiny
ASEMASTER6371
  • MECHANIC
  • 52,796 POSTS
Good morning.

If the brake light on the cab works, it seems like the switch is working.

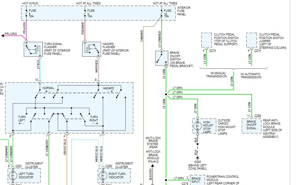
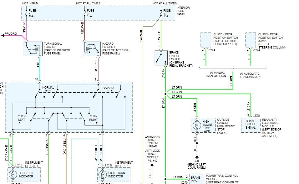
You will need to go the brake light switch and verify power on both sides of the switch with the pedal depressed. Once that is done, then it is wiring to the back bed to the brake light sockets that needs to be checked for an open circuit.

Roy

- Key "OFF".

- Release brake pedal.

- Disconnect Power-train Control Module (PCM) 60 pin connector. Inspect for damaged or pushed out pins, corrosion, loose wires, etc. Service as necessary.

- Install breakout box, leave PCM disconnected.

- Connect Digital Volt/Ohm Meter (DVOM) between Brake On/Off (BOO) test pin 2 at the breakout box and stop-lamp circuit at the stop-lamp switch.

- DVOM on 200 ohm scale.

- Wiggle BOO circuit wires and connectors while observing DVOM.

- Is resistance ever greater than 5.0 ohms while wiggling?

Yes -- Isolate open in BOO circuit and service as necessary. Remove breakout box. Reconnect processor. Rerun quick test. See: Computers and Control Systems > Reading and Clearing Diagnostic Trouble Codes > Quick Test Appendix (Detailed Testing Instructions)

No -- For further diagnosis using the EEC-IV monitor box, go to Normal Scan Data Values. If an EEC-IV monitor box is not available, go to FD99. See: Computers and Control Systems > Pinpoint Tests > FD99 - Road Test
Was this
answer
helpful?
Yes
No
Wednesday, June 2nd, 2021 AT 1:08 PM
Tiny
3GIRLS302524
  • MEMBER
  • 2 POSTS
Thank you. I will truly do that.
Was this
answer
helpful?
Yes
No
Wednesday, June 2nd, 2021 AT 1:08 PM
Tiny
ASEMASTER6371
  • MECHANIC
  • 52,796 POSTS
You are welcome.

Keep us updated.

Always glad to help.
Was this
answer
helpful?
Yes
No
Wednesday, June 2nd, 2021 AT 1:08 PM

Please login or register to post a reply.