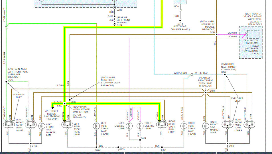
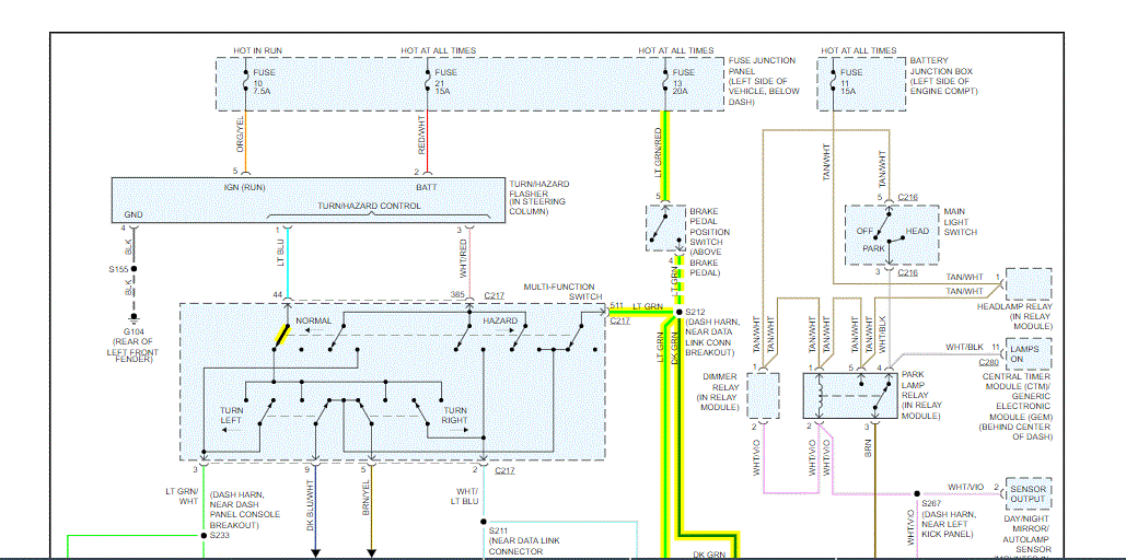
I have done like some said and changed turn switch , nope didn't work. changed every fuse and relay on this unit. no power going to fuses for brake lights and if you jump them with direct power at fuse they come on and stay on so that lets broken wire out to lights all 3 light up. Changed brake light switch . Unit has 200,675 miles on it still runs like a top. this issue started out of the blue this past Sunday . Any help would be appreciated.
Oct 13, 2020 at 1:16 AM




