Thursday, December 12th, 2019 AT 12:40 AM
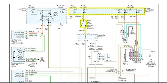
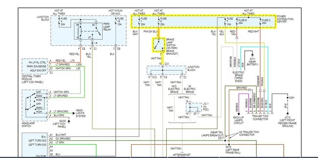
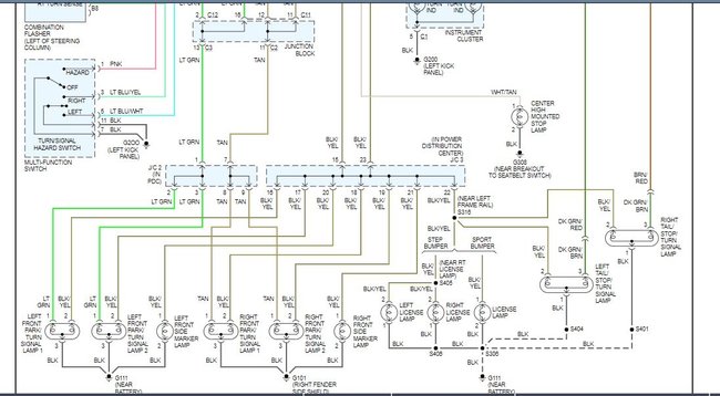
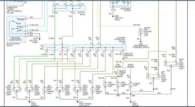
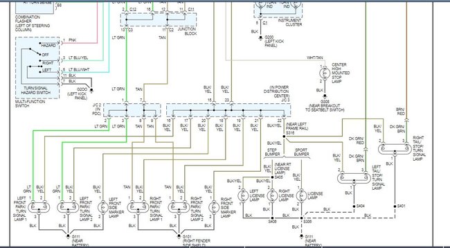
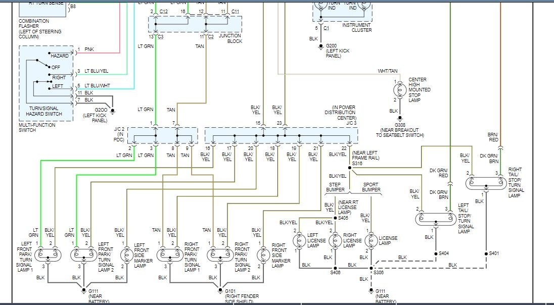
I have turn signals and hazards. Brake lights don't work. Radio shorted out. Radio short causes dash lights to go out intermittently. Brake light issue started after radio shorted. Checked all can fuses.



