The brake lights and turn signals are not working, can I get the wiring diagram?

Tiny
EARL91
  • MEMBER
  • 2002 FORD F-350
  • 6.8L
  • V10
  • 2WD
  • AUTOMATIC
  • 280,000 MILES
The truck listed above is a super duty. Has no brake lights or rear turn signals. Is there any way you could help with a wiring diagram for this? This way I can trace down the wires and hopefully locate the issue. Please and thank you.
Monday, January 8th, 2024 AT 8:49 AM

3 Replies

Tiny
AL514
  • MECHANIC
  • 5,597 POSTS
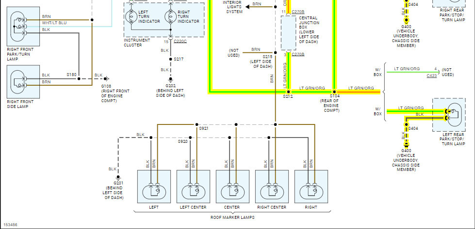
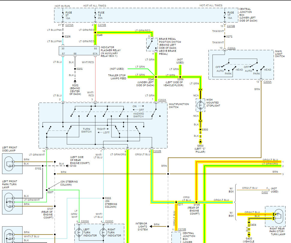
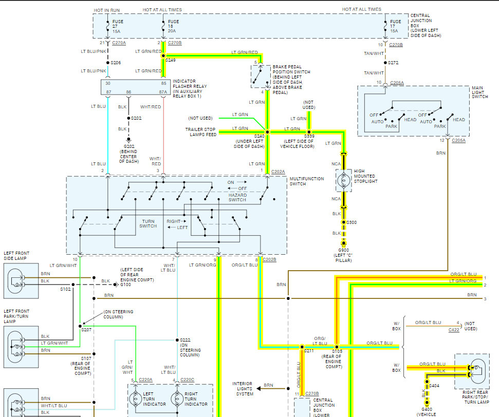
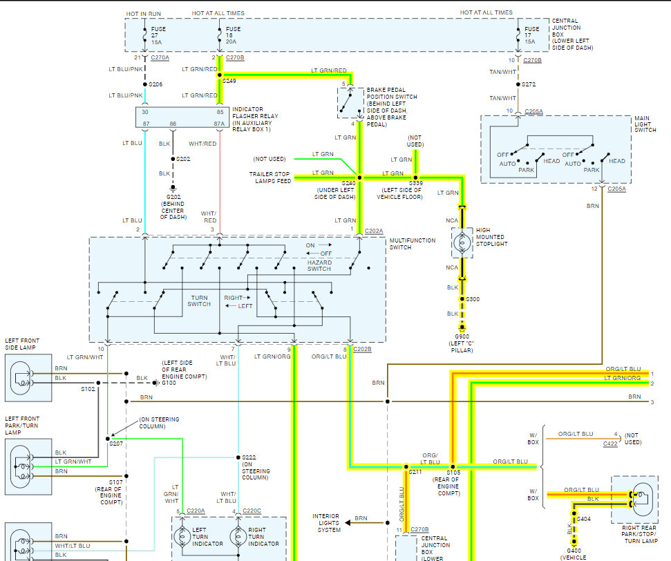
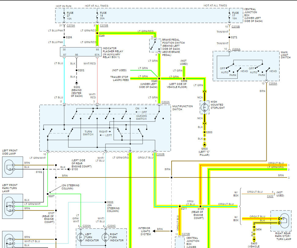
Hello, sorry for the delay, have you been able to check for power back at the Brake Lamp sockets? The Brake lamps and Turn signals share a Ground, G400, which looks to include the side marker lamps in the rear, are those working?
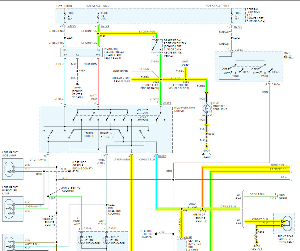
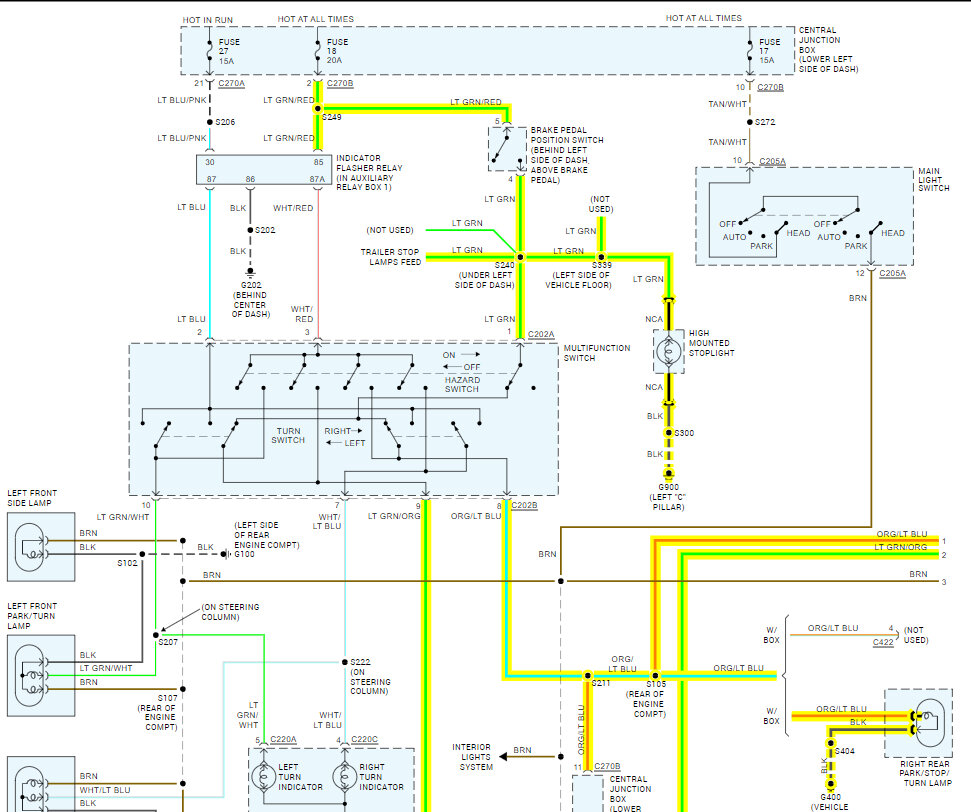
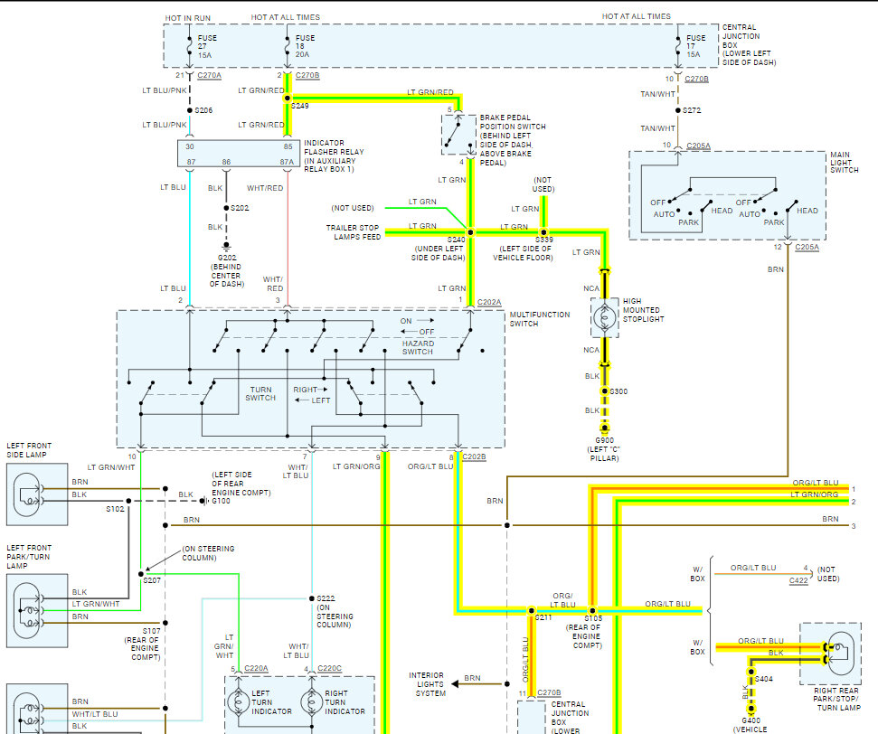
There are a couple variations on design, but they basically work the same, Power for the Brake lamp circuit comes through the Brake pedal switch, it then branches off to the 3rd brake lamp (high center lamp) and also to the Multifunction Switch which is for Turn Signals, Hazards and the Brake Lamp power normally goes through the switch when there are no Turn Signals or Hazards on. If the Turn signals are On, power comes from the Indicator Flasher Relay. and is sent out on the same wires to the rear Park/Stop/Turn Lamps.
So, if the Center High 3rd Brake lamp works but the other right and left do not, the issue can be a bad Ground in the rear. An issue with the multifunction switch or wiring in between.
So, checking for power at the Brake lamp socket is a first check. If there's power there, then it's a Ground issue, if not then it's an issue with the wiring or switch.

https://www.2carpros.com/articles/how-to-use-a-test-light-circuit-tester

https://www.2carpros.com/articles/how-to-use-a-voltmeter
Was this
answer
helpful?
Yes
No
Monday, January 8th, 2024 AT 5:20 PM
Tiny
EARL91
  • MEMBER
  • 89 POSTS
So, now I have no turn signal. It has a flatbed and lights installed. I can't for the life of me figure out how to run these lights. I had them working but when I pressed the brake the running lights came on. Thats not good. So now the turn signal will not work or flasher at all. Please help.
Was this
answer
helpful?
Yes
No
Tuesday, January 9th, 2024 AT 12:01 PM
Tiny
AL514
  • MECHANIC
  • 5,597 POSTS
You have no turn signals in front or rear? And does the Turn signals work on the Instrument Cluster? And what kind of lights are you trying to run? I assume some aftermarket type high amperage lamps? Have you gone through all the fuses to check for any that might be blown at this point?
For running after market lamps, you need to know how much amperage they are going to draw to begin with, And depending on how you want to control them, its not a good idea to run them off of any wire from the ignition switch, unless its just to power a relay which in turn, will carry the higher current for the lamps on the load side of the relay. So you have a low current relay turned on by the ignition switch, and the relay will carry the higher amperage load. And you can have the control side of the relay on a switch that you can mount wherever you want to.

This is the basic operation of how power travels the rear lamps, for Stop/Turn lamps.
It sounds like you had too much current being drawn threw the factory setup, which isnt really designed for additional lamps, its best to have them on their own setup and coming from a separate fuse directly from the battery.
You should try to get everything back to its original design and then we can design a circuit for any other lights you want to add.
Was this
answer
helpful?
Yes
No
Tuesday, January 9th, 2024 AT 1:16 PM

Please login or register to post a reply.