Thursday, November 28th, 2024 AT 9:58 AM
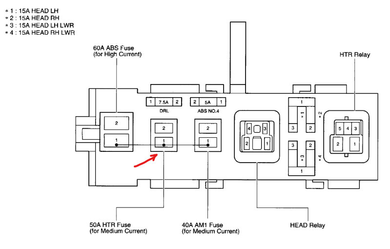
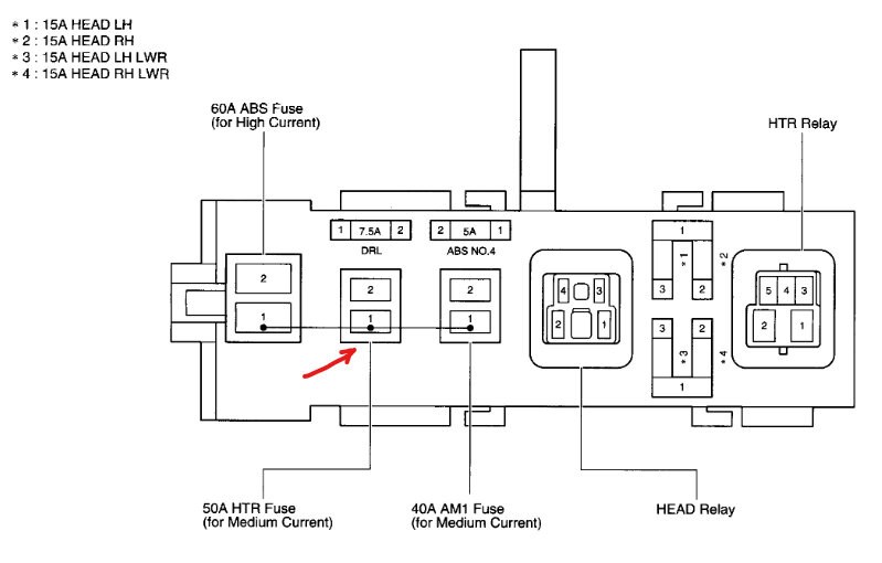
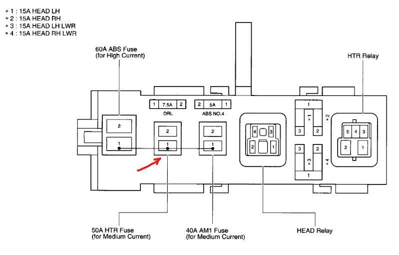
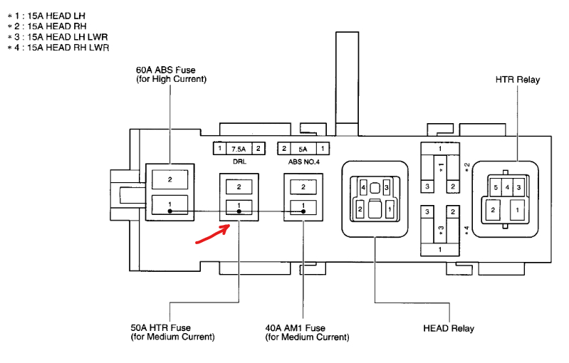
No Blower Motor. How to check 50 amp htr fuse and htr relay in engine compartment? Have dmm but unable to remove fuse or relay to test.








