No audio inside vehicle

Tiny
MISSNATALIE
  • MEMBER
  • 2008 CADILLAC SRX
  • 3.6L
  • 6 CYL
  • 2WD
  • AUTOMATIC
  • 12,800 MILES
Radio, turn signals, seat belts, rear DVD players.
Wednesday, May 5th, 2021 AT 11:52 PM

3 Replies

Tiny
JACOBANDNICKOLAS
  • MECHANIC
  • 110,194 POSTS
Hi,

The audio for the signals, seat belts, and the DVD are produced by the audio amp/radio. Actually, the radio generates the audible warning through the left speaker. So, that is where we need to start.

There are two fuses I need you to check. The first is under the hood in the fuse box. It is the radio fuse. See pic 1 for fuse location.

The second fuse is the amplifier fuse. It is located in the left rear fuse box. Pic 2 shows its location.

In addition to checking the fuses, confirm there is power to and from them.

Here is a link you may find helpful:

https://www.2carpros.com/articles/how-to-check-a-car-fuse

As far as the left rear fuse box, is located under the rear seat on the left side of the vehicle. The carpet must be lifted up to access the rear fuse block.

Let me know what you find or if you have other questions.

Take care,

Joe

See pics below.
Was this
answer
helpful?
Yes
No
Friday, May 7th, 2021 AT 7:34 PM
Tiny
MISSNATALIE
  • MEMBER
  • 2 POSTS
Okay, I checked the radio and amp fuse. They both checked. Out good and have power going in and out.
Was this
answer
helpful?
Yes
No
Thursday, May 13th, 2021 AT 6:52 PM
Tiny
JACOBANDNICKOLAS
  • MECHANIC
  • 110,194 POSTS
Okay. If the fuses are good, then we need to make sure the power is getting to the radio and the amp.

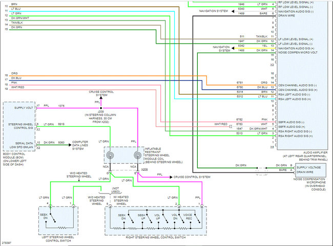
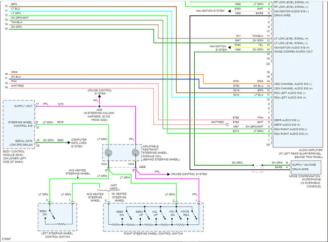
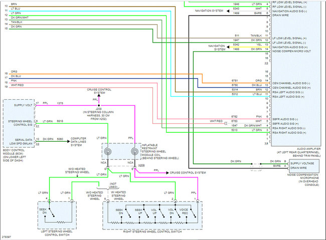
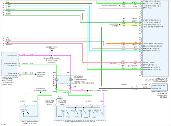
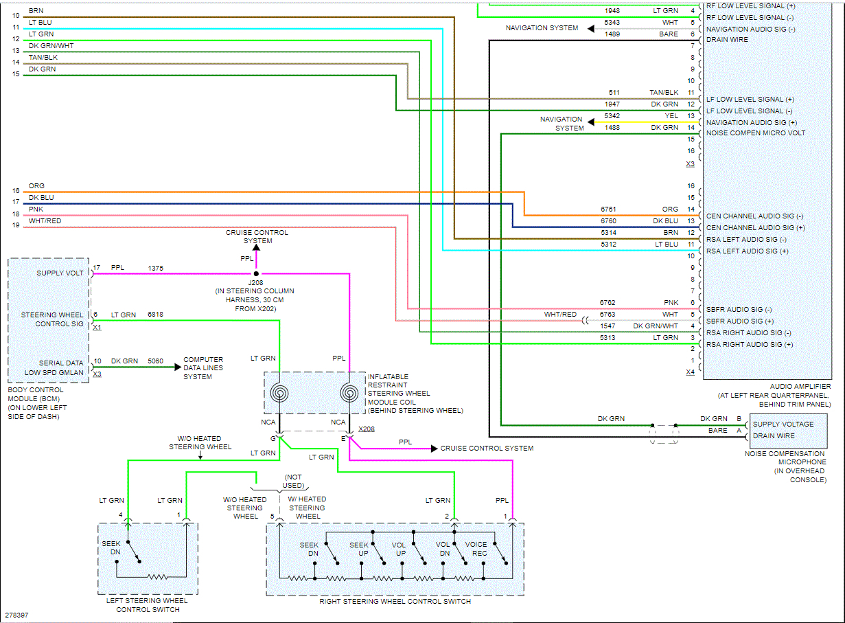
I attached the entire wiring schematic for the radio. They are a little overwhelming for a radio, but I highlighted the two things you need to check. I had to cut the pics in half to make them readable. I did overlap them so you can follow from one to the other.

The first pic shows the wire that powers the radio itself. The seventh pic shows the wire that powers the amp. If the radio turns on, check the amp first.

Here is a link you may find helpful:

https://www.2carpros.com/articles/how-to-check-wiring

Let me know what you find or if you have other questions.

Take care,

Joe

See pics below.
Was this
answer
helpful?
Yes
No
Friday, May 14th, 2021 AT 8:58 PM

Please login or register to post a reply.