No air or heat?

Tiny
MICK33.
  • MEMBER
  • 2002 BUICK PARK AVENUE
  • 3.8L
  • 6 CYL
  • 2WD
  • AUTOMATIC
  • 114,000 MILES
When I push the button for a nothing happens and same with the heat nothing blowing at all, and all the lights still work.
Tuesday, September 20th, 2022 AT 8:11 PM

1 Reply

Tiny
JACOBANDNICKOLAS
  • MECHANIC
  • 110,192 POSTS
Hi,

Do you mean the blower motor isn't turning on? If that is the case, the motor itself may have failed, there could be a relay or resister issue, or the switch may have failed.

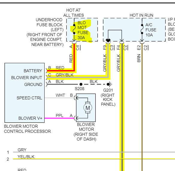
Do me a favor. Check the 30-amp blower motor fuse in the under-hood fuse box. When checking it, make sure it's good and make sure there is power to and from it.

Here is a link you may find helpful:

https://www.2carpros.com/articles/how-to-check-a-car-fuse

I attached the schematic below showing the blower motor fuse. Pic 2 shows the fuse location in the under-hood fuse box.

Let me know what you find and if it is the blower motor that isn't working.

Take care,

Joe

See pics below.
Was this
answer
helpful?
Yes
No
+1
Tuesday, September 20th, 2022 AT 9:01 PM

Please login or register to post a reply.