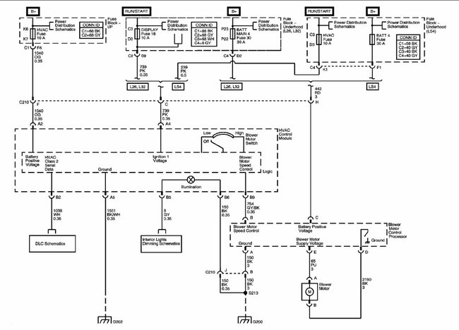
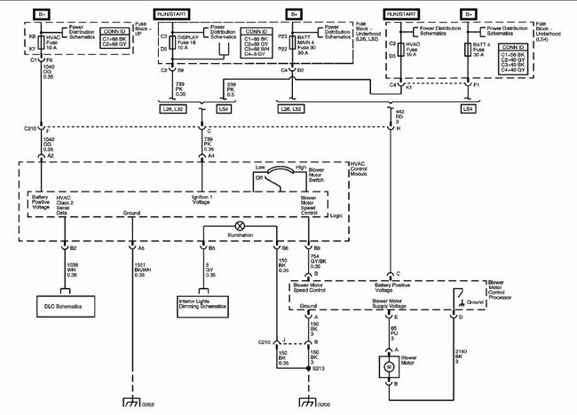
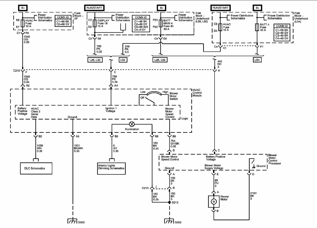
Friday, August 10th, 2018 AT 3:36 AM
I have no heat or air from car vents. We replaced the fuse, resistor, blower moter and control panel and still no air flow. Any suggestions?



