Sunday, September 19th, 2021 AT 6:16 PM
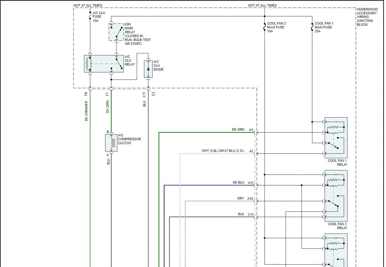
We had a small electrical problem on the window portion underneath the seat and fixed it. I'm a technician and every connection was re-soldered. We have everything working but we do not have display on the climate control. I replaced it with a new unit and still do not have any display. Every connection and he has been checked as well as all contacts cleaned with an electronics cleaner. How can I obtain a power output for the Molex plug on the back connector? We bought a Chilton's manual but can't figure out voltages for this system.





