Tuesday, October 3rd, 2023 AT 9:53 AM
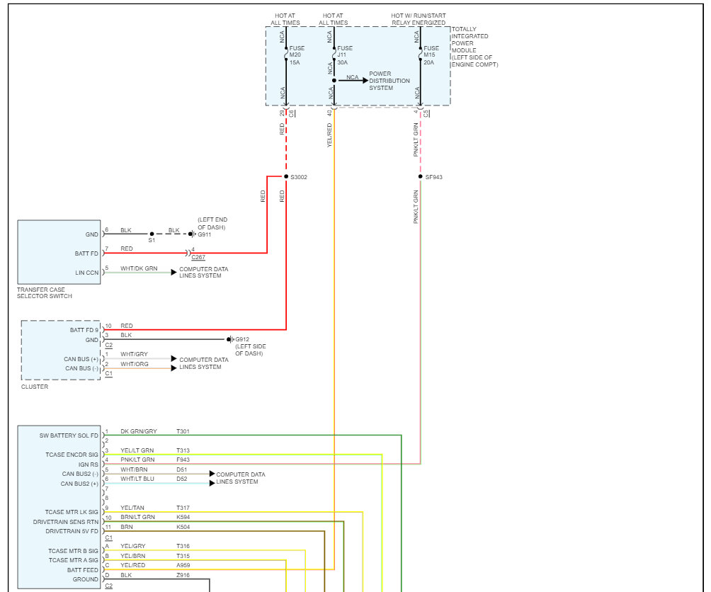
Service four-wheel drive and traction control light comes on only on the highway or when I exceed 55 miles per hour. Trying to figure out what was wrong I tried in my driveway to use the select terrain control to press four-wheel low button, no lights come on button or dash. I tried to put the transfer case in neutral and it does not work either. I took it to AutoZone to see if a code could be read when the light was on there are no codes. Is it the switch the selects terrain switch or the module under my seat to fix this? Or entirely something else? I don't want to go to the dealer because it's going to cost a lot of money, they will probably try to sell me a whole new transfer case.




