Wednesday, June 24th, 2009 AT 7:54 PM
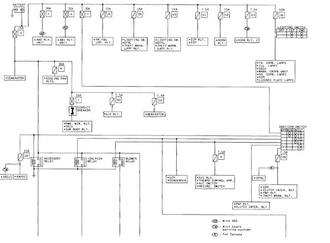
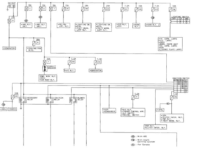
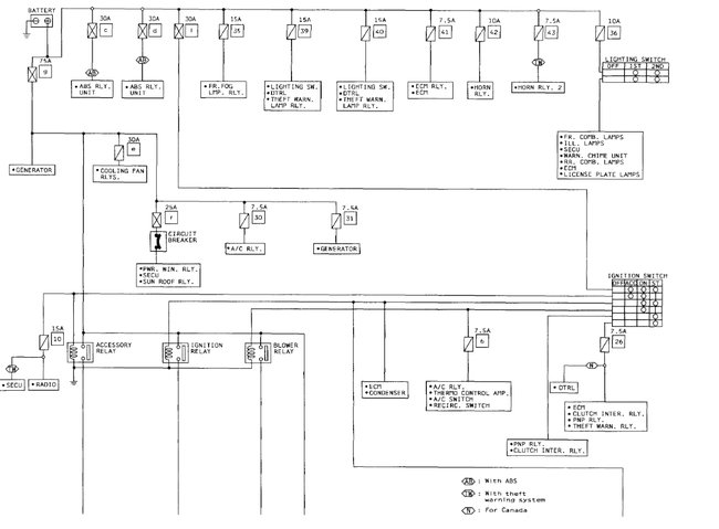
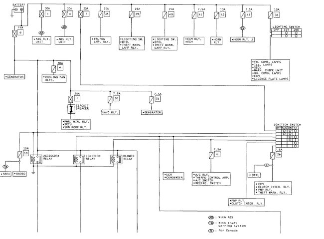
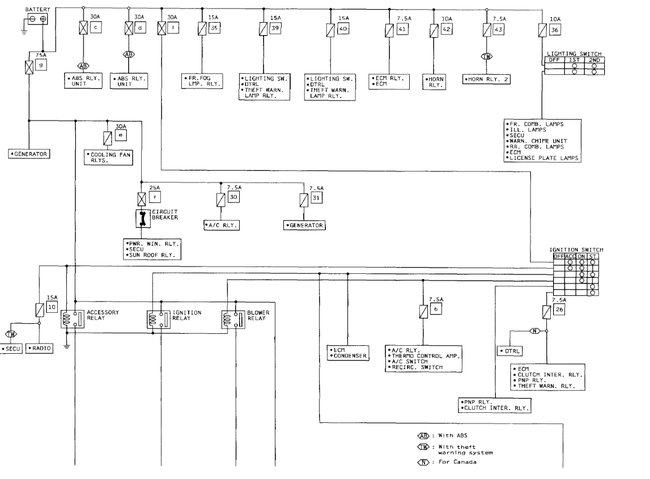
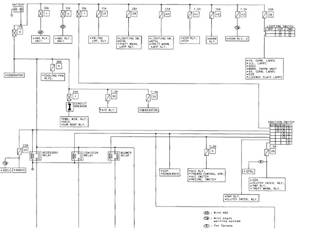
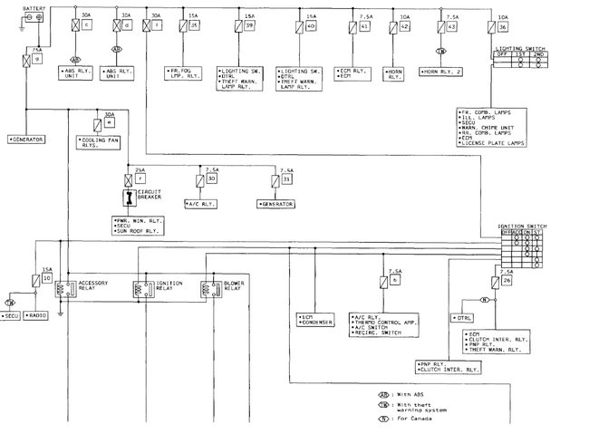
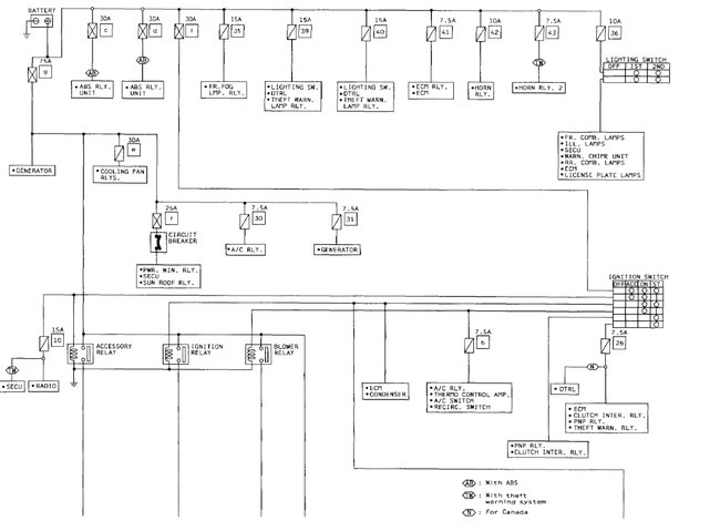
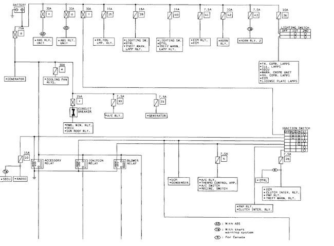
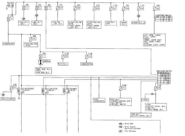
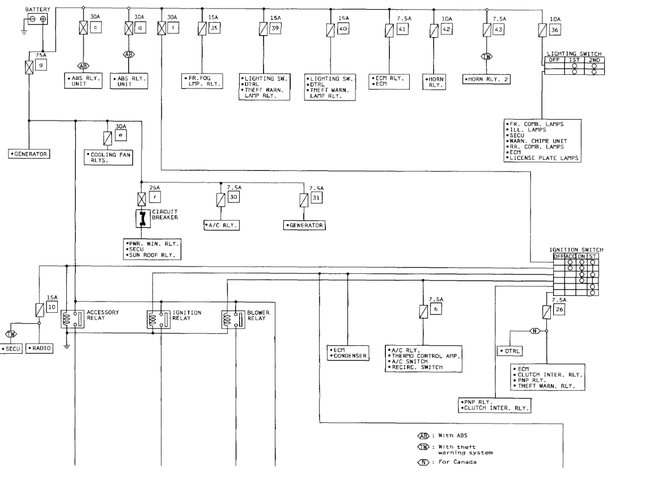
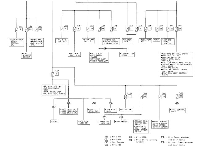
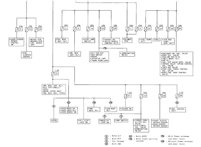
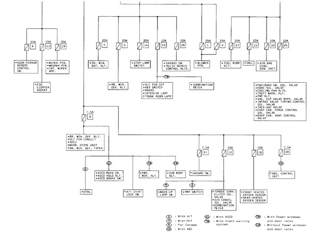
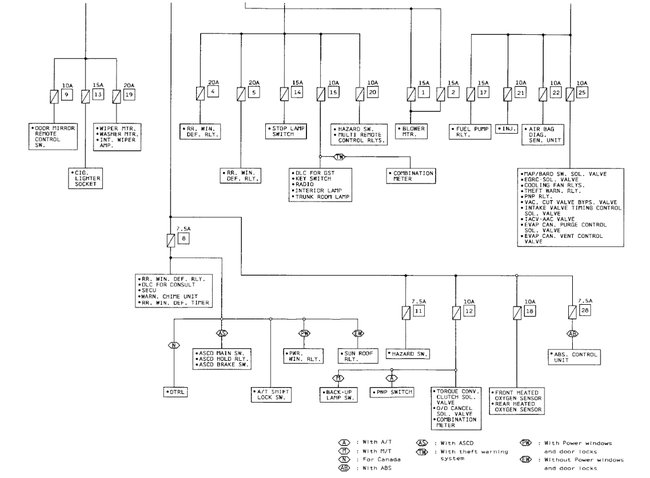
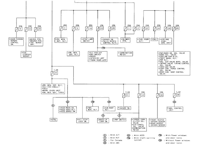
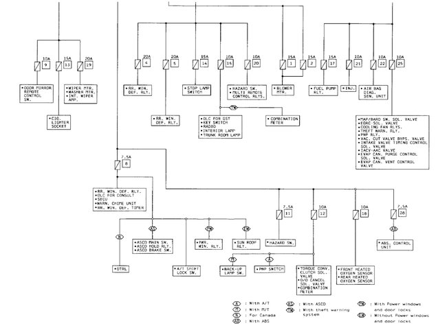
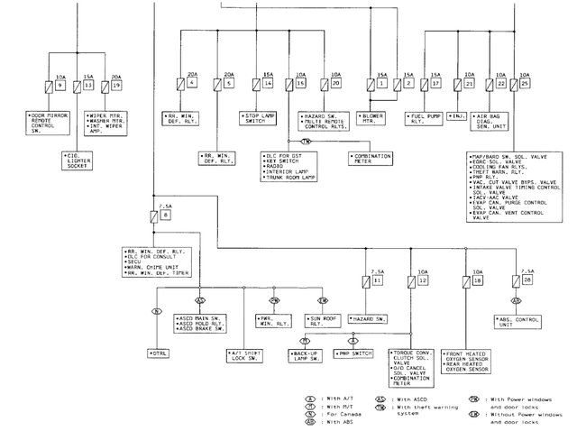
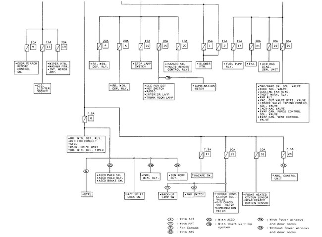
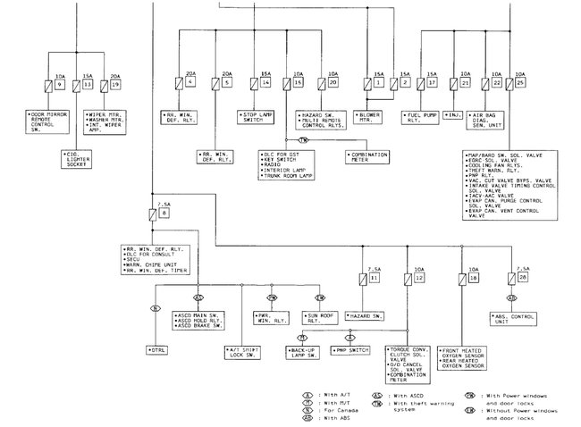
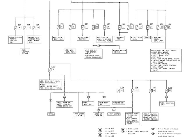
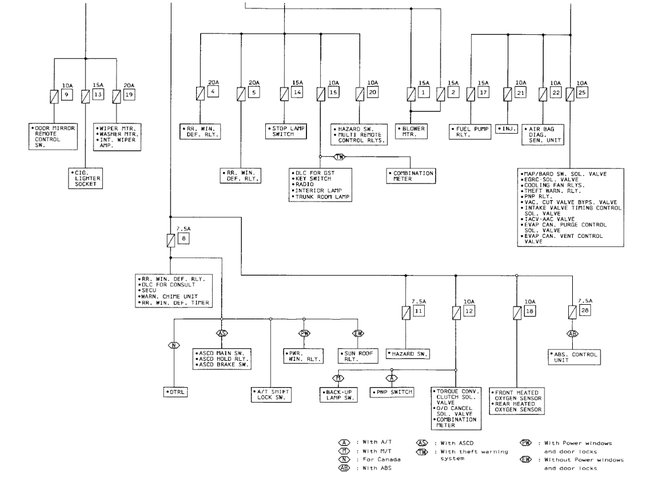
I have lost the cover for my interior fuse panel and I am in need of the information that is on the cover for the fuses. I need to know what and where the fuses go PLEASE anyone with that info PLEASE help me. THANK YOU VERY MUCH










