Wednesday, August 20th, 2008 AT 11:25 AM
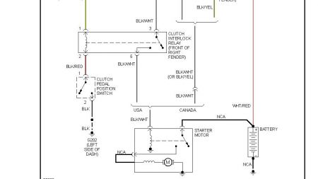
The car started up when I left work to go the store. When I got back in the car, it now does not want to start. The interior lights, radio, and A/C come on, but when turning the ignition it does not start. The battery, alternator, and starter were all replaced about 5 years ago. We tried jumping and we even tried using a power supply box, still would not start. What do you think could be causing the car not to start?



