
Remove under cover.
Drain coolant from radiator.
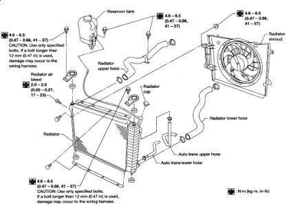
Disconnect radiator upper and lower hoses.
Remove A/T oil cooler hoses.
Disconnect reservoir tank hose.
Remove right bolt from fuse box and position fuse box aside.
Disconnect cooling fan harness connector.
Remove radiator.
After repairing or replacing radiator, install all parts in reverse order of removal.
Fill radiator with engine coolant.
Saturday, November 28th, 2009 AT 7:53 AM