Low beam headlights

Tiny
BLONDEY
  • MEMBER
  • 2001 NISSAN MAXIMA
  • 6 CYL
  • 2WD
  • MANUAL
  • 123,000 MILES
The low beam on both headlights suddenly went out at the same time. The relay checked out. What else could it be?
Wednesday, April 8th, 2009 AT 8:24 PM

2 Replies

Tiny
YASGER
  • MEMBER
  • 83 POSTS
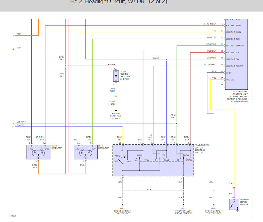
There is a smart entrance controller that sounds like it went out but to be sure here is a guide and the wiring diagrams for the halights so you can see how the system works.

https://www.2carpros.com/articles/how-to-check-wiring

Check out the diagrams (Below). Please let us know what you find.

Cheers
Was this
answer
helpful?
Yes
No
Friday, April 10th, 2009 AT 1:01 PM
Tiny
JENNIFERC43
  • MEMBER
  • 1 POST
Thanks for this post I had the same problem had to get a new entrance controller, mine had water damage. All fixed I love this site.
Was this
answer
helpful?
Yes
No
Thursday, October 4th, 2018 AT 4:09 PM

Please login or register to post a reply.