Monday, April 19th, 2021 AT 7:39 AM
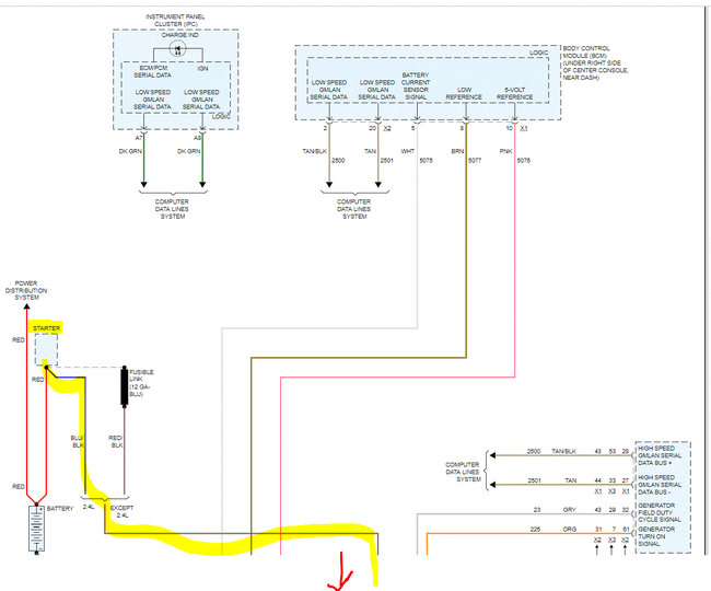
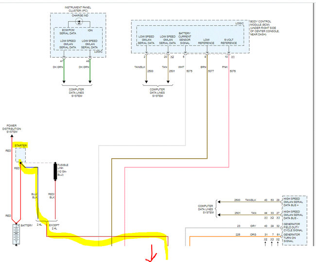
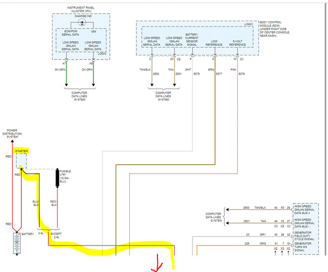
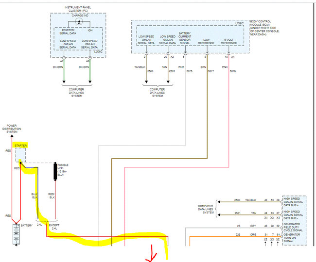
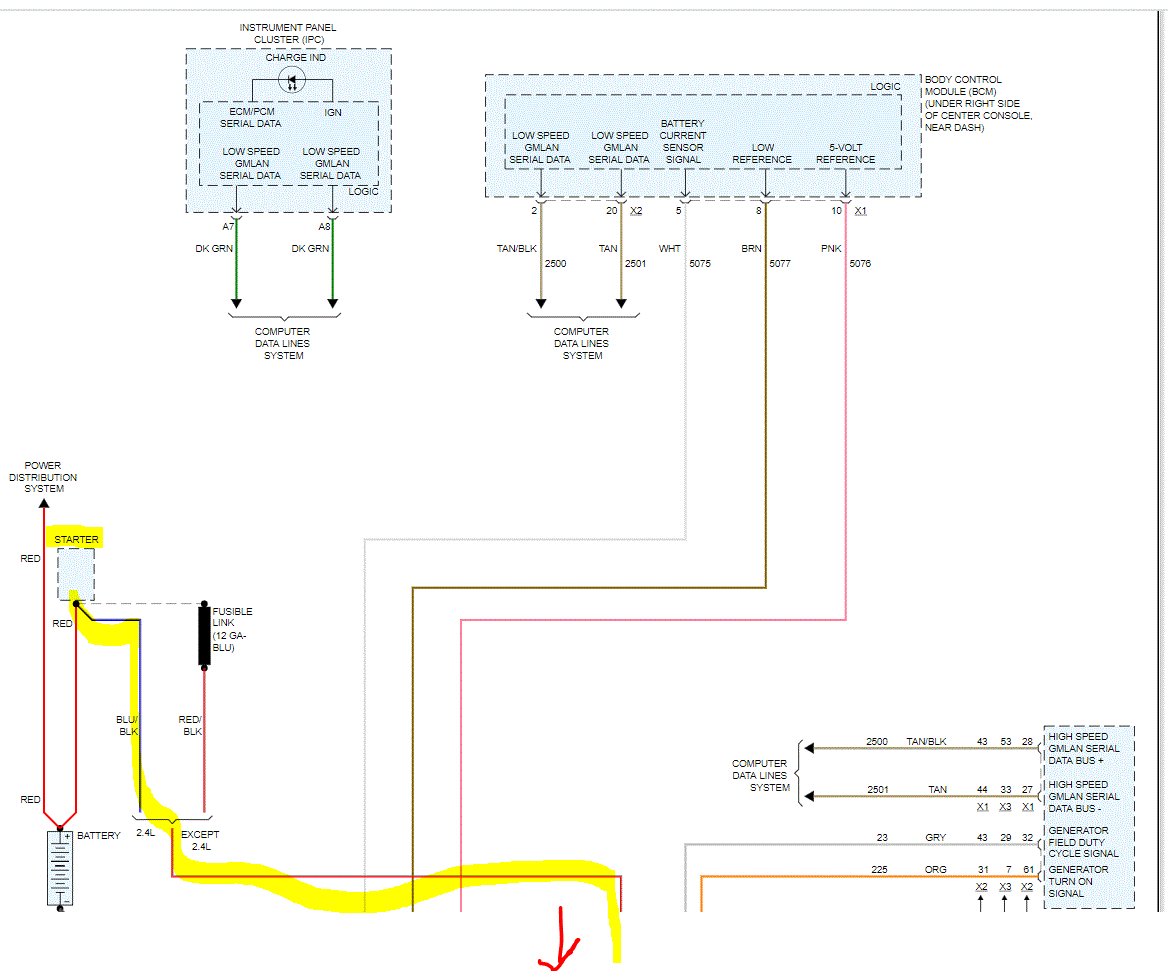
I have had nothing but problems with my car since I bought it. I bought used with 50,000 in 2013 which I thought was great mileage but something tells me I got a lemon. First all, when I got it, I wasn't told it was wrecked. But, it had been in an accident and my neck on the gas tank is always loose and causes my check engine light to always be on with 2 different codes that I have to replace those sensor and charcoal canisters 3 to 4 times a year. Then i've had to get the timing chain replaced 4 times and I keep up maintenance on my vehicle like tune ups and oil changes when im supposed to but it still shows shavings of metal in my oil changes. But now i've got an issue i'm having trouble dealing with. I was driving with the A/C on and radio and my battery light came on, the traction control came on and I lost all power steering. I turned everything off and made it about two miles and it shut off. Thinking it was the alternator because the battery is newish, I replaced the alternator and it happened again. So I went and got the battery tested and it was good and I got it fully charged and got the alternator tested and it was bad. Get a new alternator and same thing happens. I did this process again 2 more times. So I began to think it's a wiring issue but I seen on the starter I had a loose wire and nut so I replaced the starter as well. And, the same exact issue is present. Does anyone know what this could be? I was told maybe the fusible link wire is bad but the rest of the wiring looked and felt fine. Please any help or knowledge of what it could possibly be would be great. I'm on a hold now for a diagnostic appt with Chevrolet but can't get in till the end of May. Thanks in advance.




