New alternators fail to charge battery after installation

Tiny
THOMAS SHATAS
  • MEMBER
  • 2002 KIA OPTIMA
  • 2.4L
  • 4 CYL
  • 2WD
  • AUTOMATIC
  • 88,000 MILES
I have traced the orange and white wires to their respective sources and discovered no failures. So I am asking for the complete wiring diagram so that I can trace the gray wire in the diagram to its source because I suspect that the failure is in that side of the circuit. Thanks
Sunday, January 19th, 2020 AT 11:51 AM

2 Replies

Tiny
ASEMASTER6371
  • MECHANIC
  • 52,796 POSTS
Good afternoon,

You should have 2 powers that are constant. The orange and the White wires should have battery voltage.

https://www.2carpros.com/articles/how-to-check-wiring

The gray should have power with the key on. That controls the light.

Roy
Was this
answer
helpful?
Yes
No
Sunday, January 19th, 2020 AT 12:42 PM
Tiny
CJ MEDEVAC
  • MECHANIC
  • 11,005 POSTS
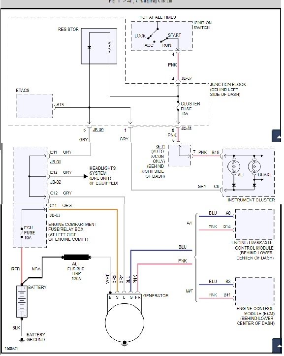
I looked up your vehicle's system wiring diagrams in Prodemand.

I am unable to copy (or cannot figure out) how to copy from this pay-online vehicle manual. I have been "screen-shoting" from it for years now. This may be the only way to do it.

It took three screenshots to get your "charging system" diagram and large enough to be legible.

I always try to overlap my shots so that nothing is missing. The 1st three are the top/ middle/ bottom.

Printing the shots and taping them together may make things more understandable.

With a little time on my hands, I pasted my 3 shots on a large white background in "paint", I had to resize them and a few other operations.

Pic 4 is my "Frankenstein" attempt to reassemble the shots. It is crappy! You may want to disregard it completely! (Sorry!)

The Medic
Was this
answer
helpful?
Yes
No
+1
Sunday, January 19th, 2020 AT 1:17 PM

Please login or register to post a reply.