New alternator not charging new battery?

Tiny
RYANH89
  • MEMBER
  • 2018 VOLKSWAGEN ATLAS
  • 3.4L
  • V6
  • 2WD
  • AUTOMATIC
  • 105,000 MILES
The battery keeps draining every few days. I have replaced both the alternator and a new battery the new alternator is still not charging the battery.
Tuesday, May 2nd, 2023 AT 8:08 PM

1 Reply

Tiny
KEN L
  • MASTER CERTIFIED MECHANIC
  • 55,297 POSTS
When the engine is running let's check the voltage output of the alternator.

This guide can help:

https://www.2carpros.com/articles/how-to-check-a-car-alternator

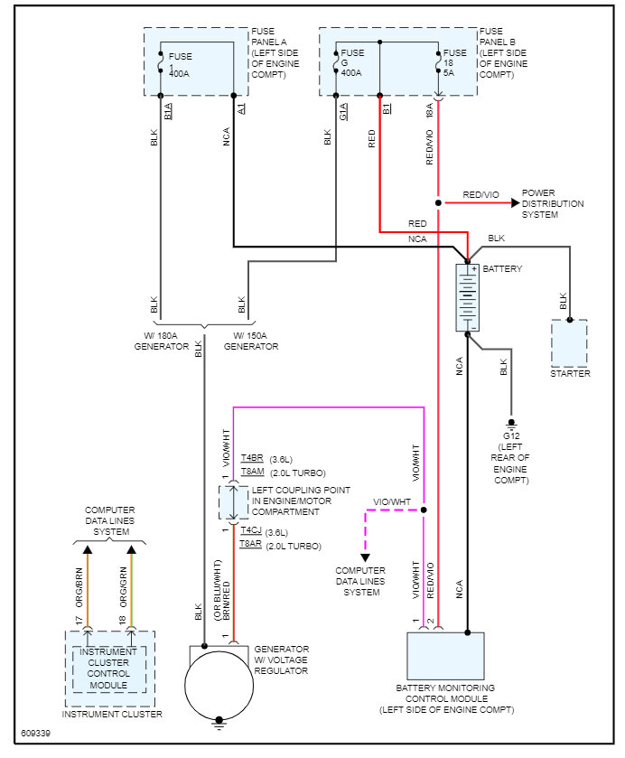
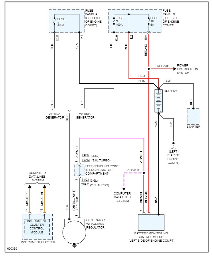
If the alternator is not charging let's check fuse # 18 - 5 amp and fuse G 400 amp in the fuse panel B in the engine compartment. Also fuse 1 - 400 amp in the fuse panel A on the left side of the engine compartment. Here are the wiring diagrams so you can see how the wiring system works for the alternator.

https://www.2carpros.com/articles/how-to-check-a-car-fuse

If the fuses are good double check the connection at the rear of the alternator if that's okay, you may have a defective alternator. Here are the instructions for the replacement to ensure the job is being done correctly. Check out the images (below). Please let us know what happens.
Was this
answer
helpful?
Yes
No
Wednesday, May 3rd, 2023 AT 10:46 AM

Please login or register to post a reply.