Hey All,
The rundown:
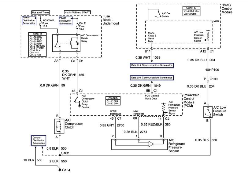
The truck had a faulty A/C compressor clutch. Unaware of prior A/C operation. Decided to replace with a new factory AC Delco/Denso A/C compressor, along with a new accumulator and o-ring gaskets.
System was vacuumed for an hour and held vacuum. Set up the tank to fill system with 3 lbs of Freon. The new A/C compressor will not engage even though the indicator “snowflake” is present on the climate control unit. I could only fill about 6 ounces of Freon as a result.
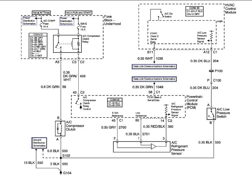
Checked wire connections on the new compressor. They are good. Swapped the A/C relay with a known working relay. I then jumped the pressure sensor on the accumulator. None turned on the compressor.
I resorted to jumping pins 30 and 87 on the A/C relay pinout. This will engage compressor. I continued to fill the system while the compressor was running. According to the scale it would not fill all 3 lbs, but close to 2.5lbs
Main concern: Why is the brand new compressor not engaging when prompted from the dash control unit?
Any tips or directions where to go from here would be greatly appreciated.
Wednesday, October 3rd, 2018 AT 10:34 PM



