HOME
ASK A QUESTION
REPAIR GUIDES
BECOME A MEMBER
LOG IN
Login with Facebook
OR
Remember me
NOT A MEMBER?
FORGOT PASSWORD?
CONTACT US
PRIVACY POLICY
TERMS AND CONDITIONS
☰
Home
Ford
Ranger
Drivetrain
Transmission
Gear Position Sensor
Neutral safety switch schematics needed?
STAMEY77
MEMBER
1992 FORD RANGER
3.0L
V6
2WD
AUTOMATIC
100,000 MILES
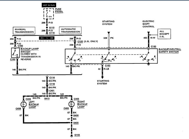
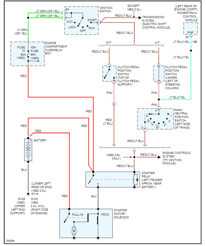
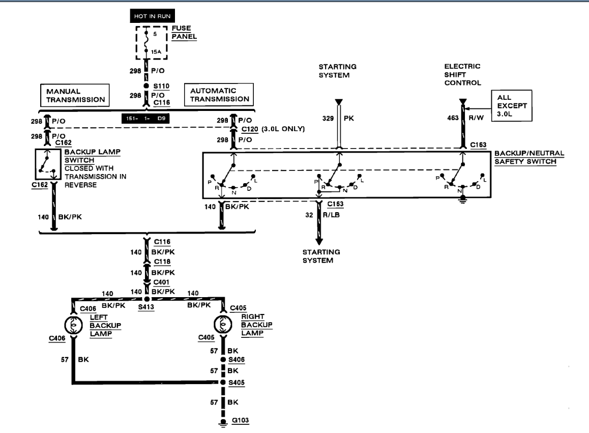
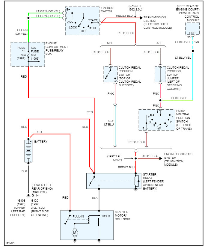
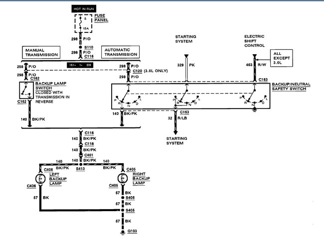
Need to know which wires under hood plug go to neutral safety switch.
Sunday, April 9th, 2023 AT 11:02 AM
1 Reply
KEN L
MASTER CERTIFIED MECHANIC
55,281 POSTS
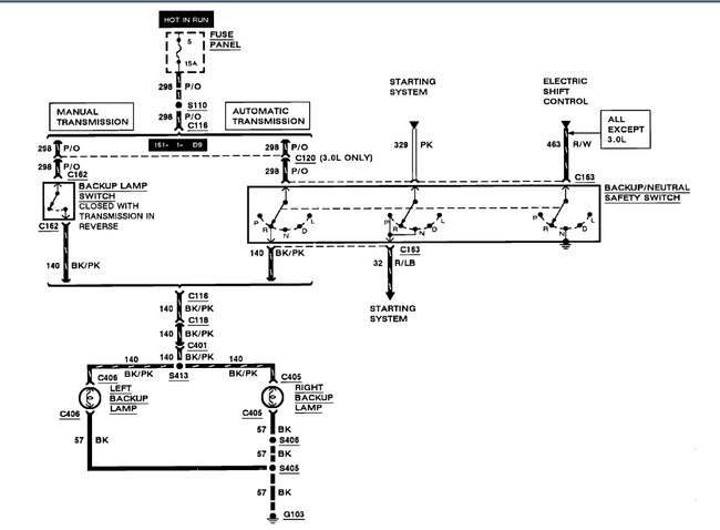
Sure, here are the wiring diagrams and a guide to help you check the connections:
https://www.2carpros.com/articles/how-to-check-wiring
Check out the images (below). Please let us know if you need anything else to get the problem fixed.
Images (Click to make bigger)
Was this
answer
helpful?
Yes
No
Monday, April 10th, 2023 AT 10:53 AM
Please
login
or
register
to post a reply.
Related Transmission Gear Position Sensor Content
Neutral Safety Switch
2003 Ford Ranger Xlt 45000 Miles. I Am About To Put An Alarm On My Ranger. The Alarm Has Remote Start On It And I Have A Manual Transmission...
Asked by
Spazzmatic
·
3 ANSWERS
FORD RANGER
GUIDE
Neutral Safety Switch Test
The functionality of the neutral safety switch has changed greatly through the automotive development era, what was once a simple switch for the reverse lights and starter...
Is There A Neutral Safety Switch In A Manual
Is There A Neutral Safety Switch In A Manual. Here Is The Problem. When You Start The Truck You Have To Push The Clutch In, But Here The...
Asked by
bigbounce 13
·
1 ANSWER
2 IMAGES
1997
FORD RANGER
1992 Ford Ranger Clutch
Just Put In Transmission And Now The Clutch Won't Push Down, Can You Help Please?
Asked by
shooter41
·
3 ANSWERS
1992
FORD RANGER
Manual Transmission Locked In Fourth Gear.
The Transmission Shifter Is In Neutral, L But When I Let Out The Clutch It Is Locked In Fourth Gear. If I Shift Into Any Other Gear And Let...
Asked by
rdanzl
·
1 ANSWER
1992
FORD RANGER
1992 Ford Ranger Blown Tranny
What Can Replace It
Asked by
Ellie Moore
·
1 ANSWER
1992
FORD RANGER
VIEW MORE
Ask a Car Question. It's Free!
Starter Not Working
Car Not Cranking? Try This | EASY
How to Use a Test Light