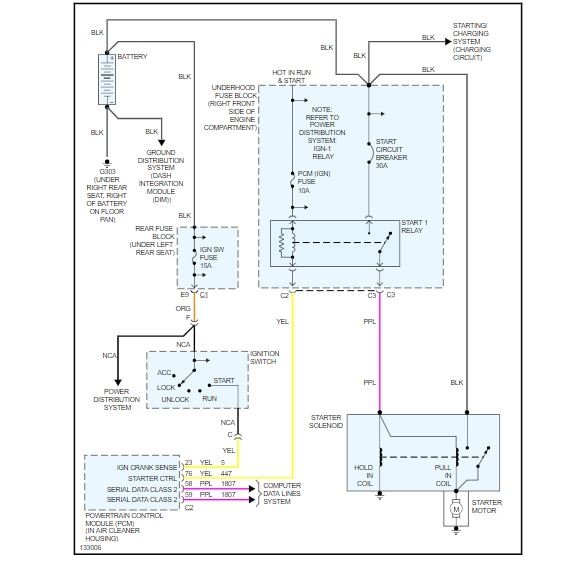
Wednesday, August 7th, 2019 AT 11:08 AM
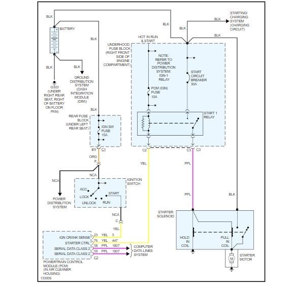
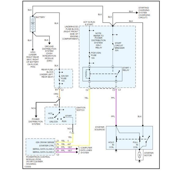
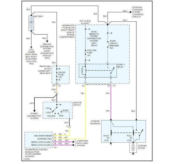
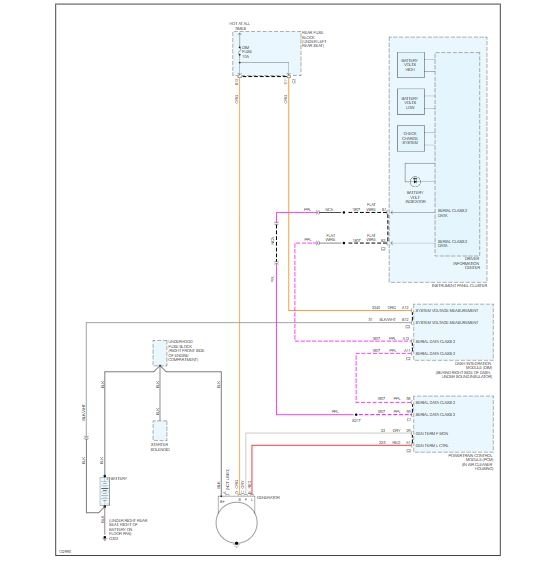
I can't find the neutral safety switch on the car listed above. Please any help. I looked everywhere in the car inside and out and no luck.







