Where do the OBDII port wires go to, BCM or ECM or both?

Tiny
JDALTON65
  • MEMBER
  • 2008 CHEVROLET COLORADO
  • 2.9L
  • 4 CYL
  • 2WD
  • AUTOMATIC
  • 366,182 MILES
Also, I need wiring pin outs for the BCM, OBDII port, and ECM. Any help would be appreciated. Thanks guys!
Tuesday, June 13th, 2023 AT 7:59 PM

3 Replies

Tiny
BORIS K
  • MECHANIC
  • 836 POSTS
Hello,

The ECM and TCM communicate directly to pins 6+14 at the OBD connector.
The BCM communicates via class 2 serial data to the OBD connector on pin 2.

See image 1+2+3 below.

BCM wiring information for connector X1, see image 4+5+6.
For connector X2 see images 7+8+9.

ECM wiring information for connector X1 see image 10+11+12.
For connector X2 see images 13+14+15.

Please let us know if you need any more information.

Cheers, Boris
Was this
answer
helpful?
Yes
No
+2
Wednesday, June 14th, 2023 AT 6:40 AM
Tiny
JDALTON65
  • MEMBER
  • 7 POSTS
Thanks! This was very helpful. I have one more question, where and how do I hook up the data link resistor to the ECM and OBD? I don’t understand the diagram. See attached pictures.
Was this
answer
helpful?
Yes
No
Thursday, June 15th, 2023 AT 6:55 PM
Tiny
BORIS K
  • MECHANIC
  • 836 POSTS
Hello,

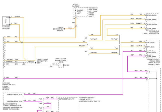
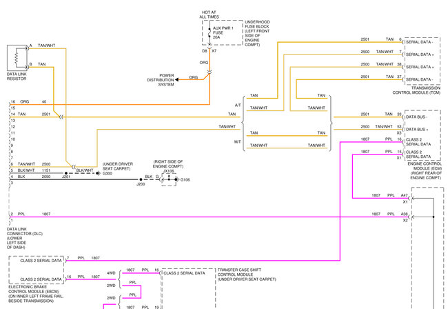
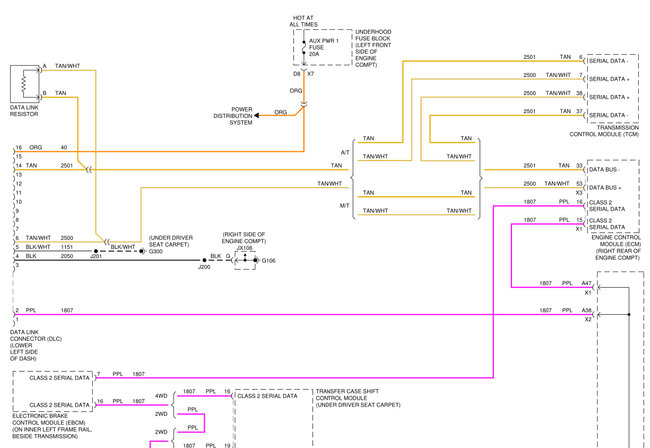
The Data Link resistor is a 120-ohm resistor wired into the GM LAN communication bus to complete the circuit.
The other terminating resistor is installed in either the ECM or TCM. As both 120 ohm resistors are installed in parallel the total terminating resistance between pins 6+14 at the OBD connector should be about 60 ohm.

See typical locations of the Data Link resistor depending on your vehicle configuration.
Images below.

A link:
https://www.stockwiseauto.com/acdelco-88988999-data-link-resistor?Year=2008&Make=Chevrolet&Model=Silverado%201500

In image 4 you can see what the resistor looks like

In theory should be able to splice this resistor into the GM LAN wiring near the OBD connector if there is none fitted to the vehicle.
I would suggest to first check the terminating resistance of the tan and tan/white wire (pins 6+14) with everything plugged in. If you have a total resistance of around 60 ohm then no resistor is needed.

Cheers, Boris
Was this
answer
helpful?
Yes
No
+1
Friday, June 16th, 2023 AT 2:04 AM

Please login or register to post a reply.