Need wiring diagram for window switch and motor?

2002 CHEVROLET SILVERADO
150,000 MILES • 6.0L • V8 • 4WD • AUTOMATIC
Avatar
19JOHNREX86
  • MEMBER
  • 2 POSTS
Back driver's side window will only go up not down and it only works with the driver master switch, it doesn't work with the back switch at all other windows working with main switch.

Does that mean just the back switch is bad or could it be the main switch as well

Thank you for the help
Nov 5, 2024 at 12:10 AM
Repair Safety Notice: This information is for general instructional purposes only. Vehicle repair can be dangerous. Verify all information, follow manufacturer service procedures, use proper tools and safety equipment, and consult a qualified repair shop when needed.
Advertisement
Avatar
STRAILER
  • CAR REPAIR CONTRIBUTOR
  • 54,209 POSTS
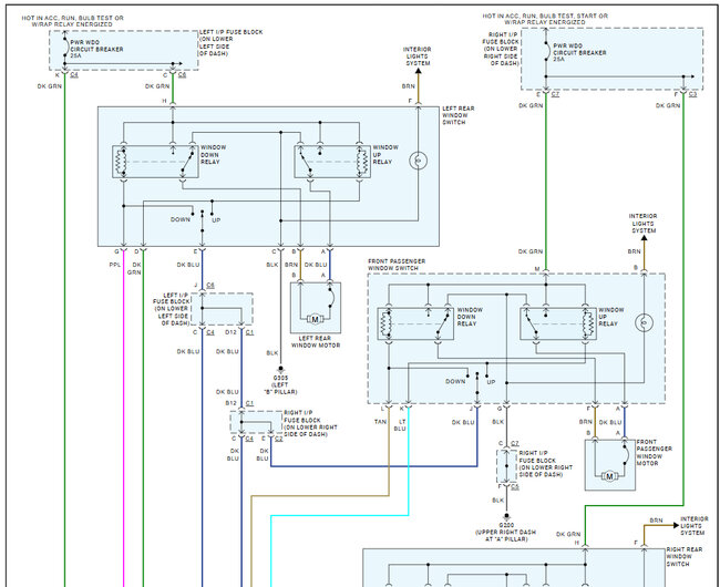
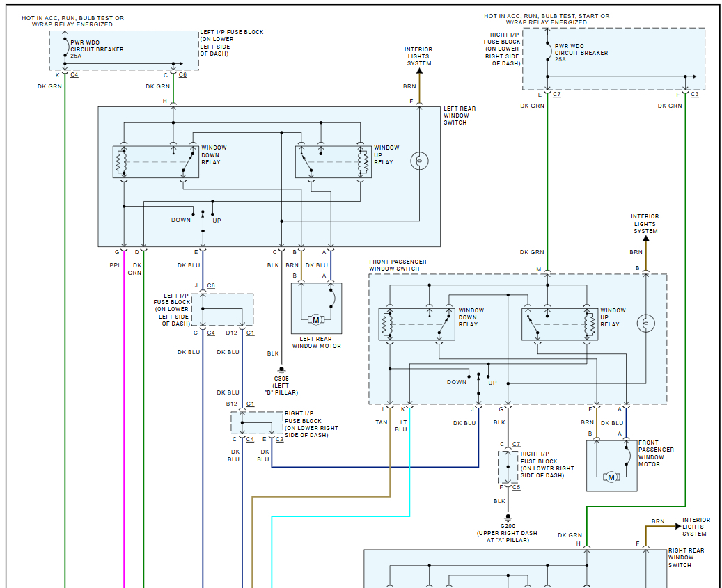
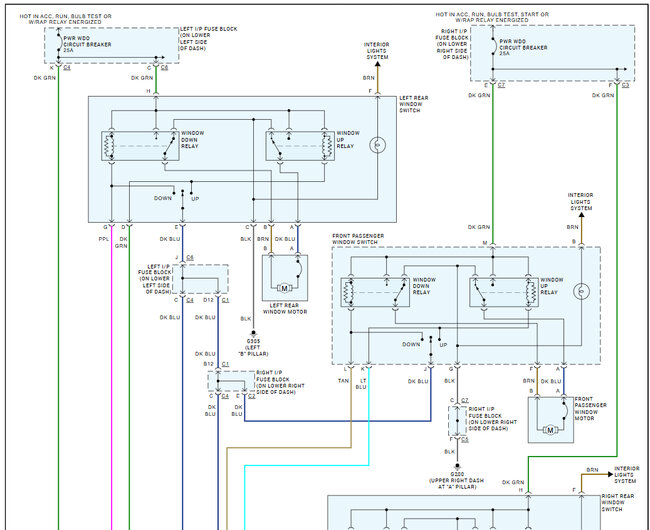
Chances are the rear window switch is bad, the down relay or the main window switch is bad. Here is a guide to help test to see where you are losing power/ground:

https://www.2carpros.com/articles/electric-window-repair

Here is the window wiring diagrams so you can see which wires to test for power and ground:

https://www.2carpros.com/articles/how-to-use-a-test-light-circuit-tester

Check out the images (below). Please upload pictures or videos in your response of any problems so we can see what to help you with.
Nov 5, 2024 at 12:54 PM
Advertisement