Thursday, June 23rd, 2022 AT 2:22 PM
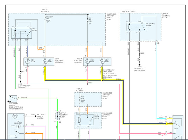
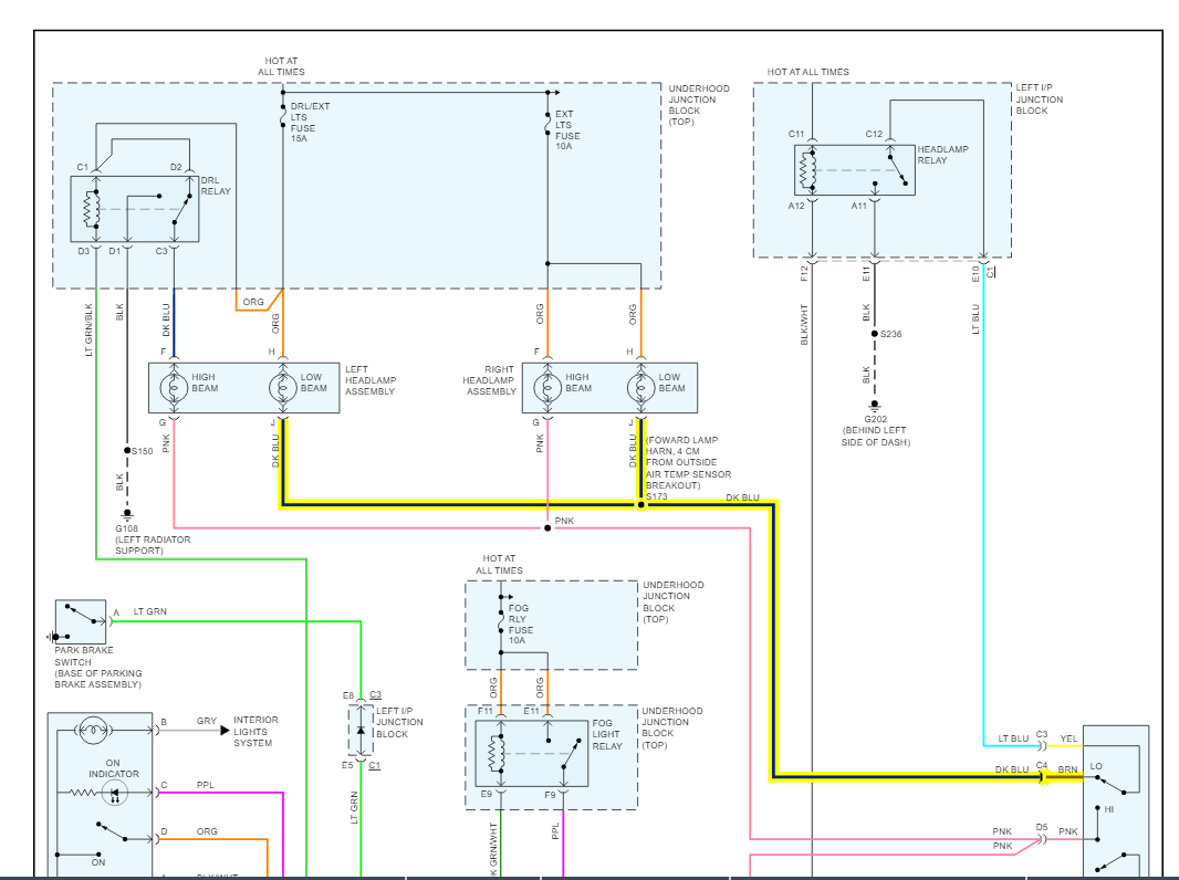
I’m Just trying to put on some aftermarket headlights, and I need to know what are the low beams? There are two dark blue wires connected, so I’m at a lost to know which is which. I saw on another post where they said dark blue was the low beams and the post was for a 2004 Impala.

