Wiring and other diagrams needed

Tiny
ROZELLE
  • MEMBER
  • 1996 VOLKSWAGEN POLO
  • 1.8L
  • MANUAL
  • 110,000 MILES
Car listed above Classic, had a spark and started a fire in the engine some of the pipes and wires got burned. Now I need to replace it so now I want to see a diagram of an engine for that car and all the components and where it all is situated to establish the damage to the car.
Tuesday, November 16th, 2021 AT 1:45 AM

1 Reply

Tiny
KASEKENNY
  • MECHANIC
  • 18,907 POSTS
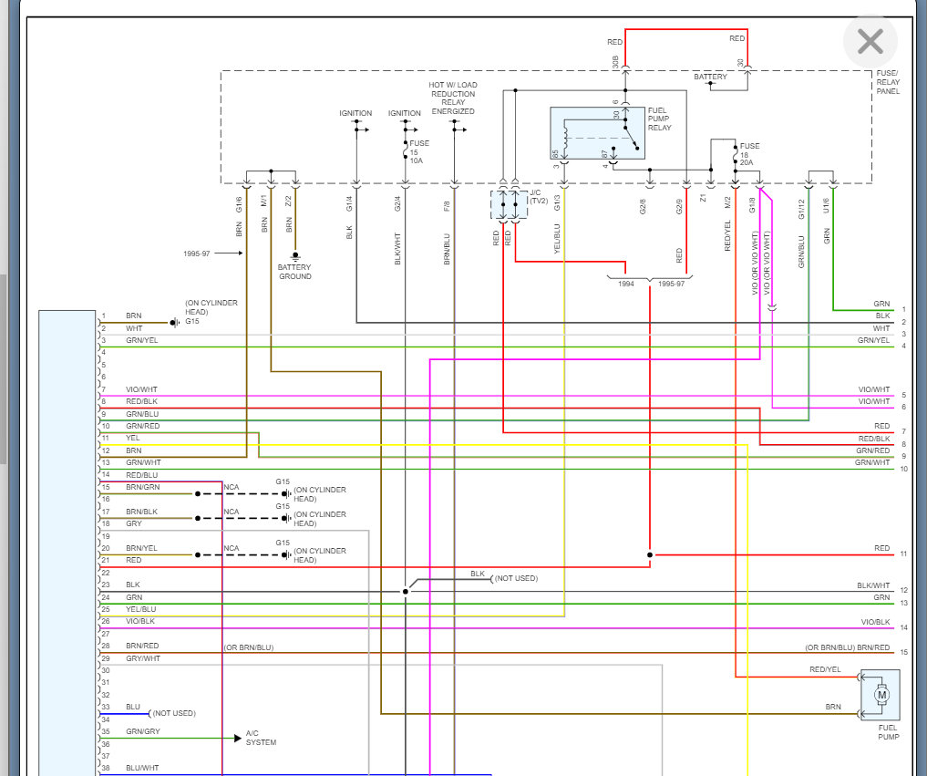
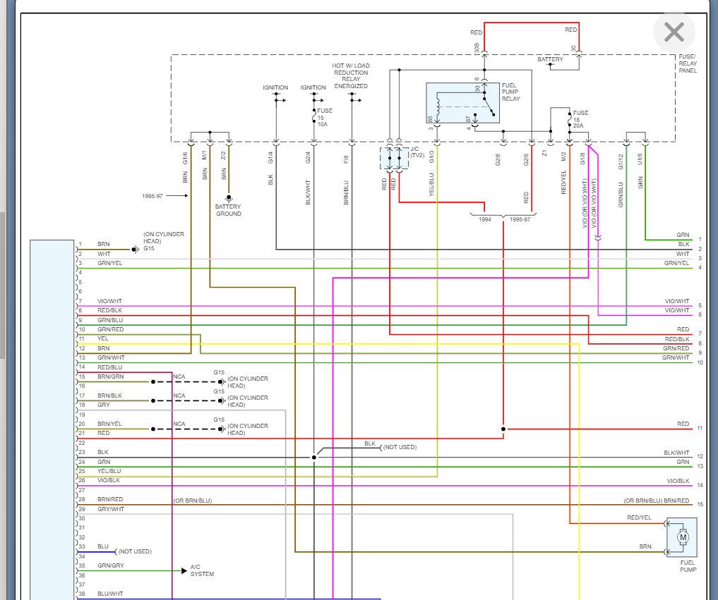
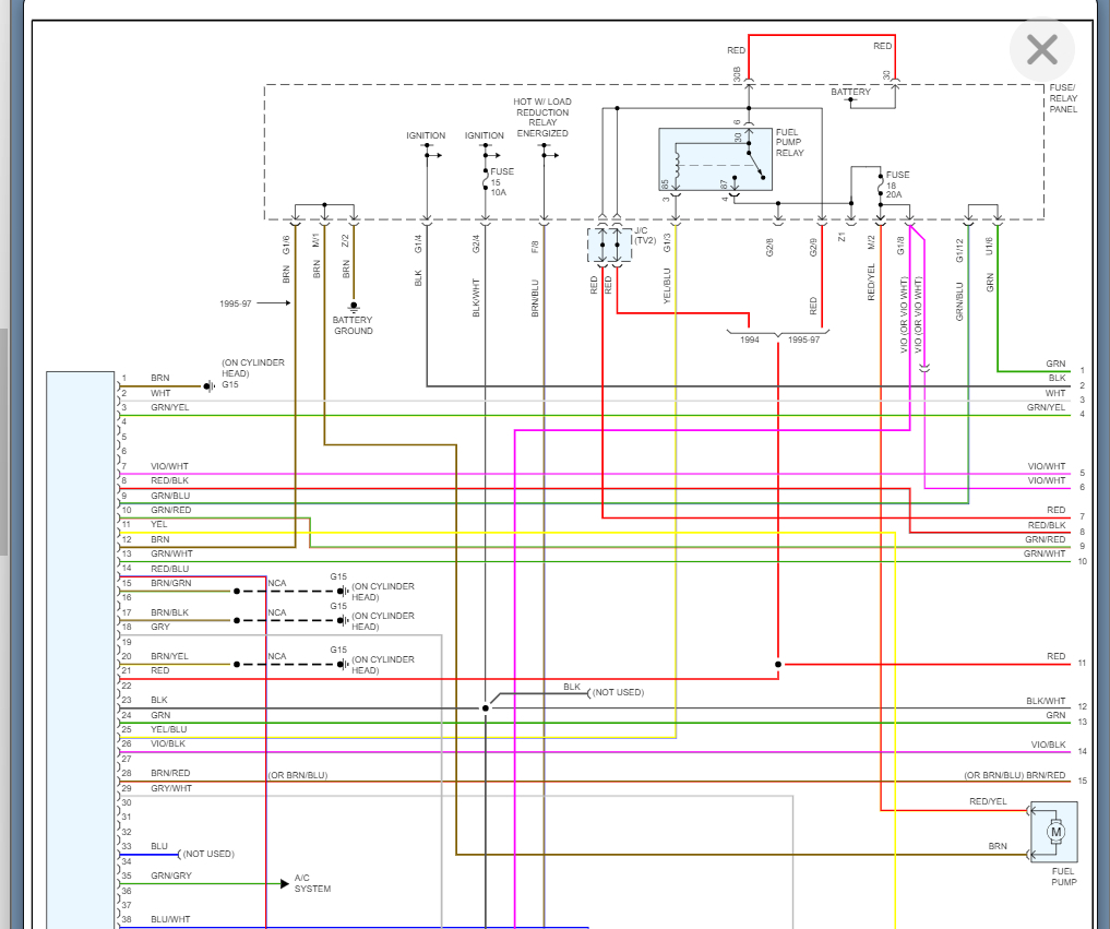
Unfortunately, we don't have a manual on this vehicle because it is not offered here in the USA, but the Golf is and that shares the same engine.

So, I will provide the info from that vehicle. However, we are going to need a little more detail on what it is you are looking for.

I understand that you have some fire damage, but we are going to need to see what was damaged in order to know what to repair.

They just don't break the wiring diagrams down by location of the vehicle. They break them down by systems. This means we are going to need you to find the harnesses that are damaged and trace them to either end and find out what they plug into.

https://www.2carpros.com/articles/how-to-check-wiring

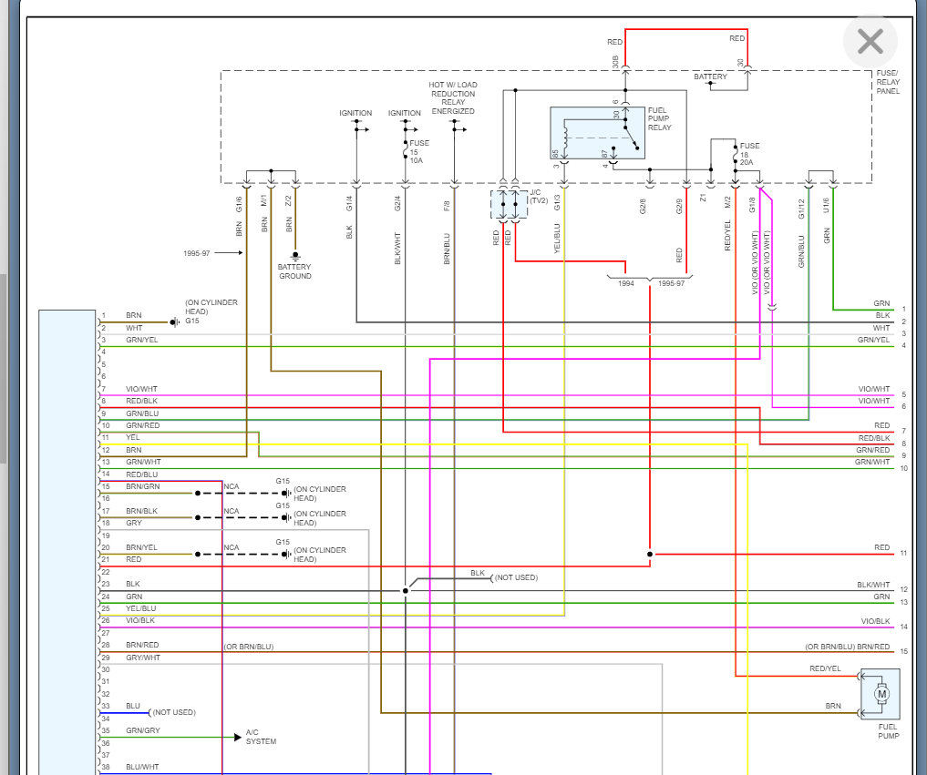
I am providing the powertrain wiring diagrams below that will most likely have the wiring that is damaged in the engine bay but there are other things that this could be so if you can get some pictures of the issues and then trace the damaged wires and make sure they go to the engine control module, then we will be sure what we need to repair.

Thanks
Was this
answer
helpful?
Yes
No
Wednesday, November 17th, 2021 AT 7:06 AM

Please login or register to post a reply.