Radio wiring diagram needed?

Tiny
BENDER LYDIC
  • MEMBER
  • 2021 VOLKSWAGEN JETTA
  • 1.4L
  • 4 CYL
  • TURBO
  • 2WD
  • AUTOMATIC
  • 75,000 MILES
I need radio wiring diagram so I can install my amp and sub. I can't get a straight answer.
Tuesday, June 13th, 2023 AT 1:04 PM

3 Replies

Tiny
KEN L
  • MASTER CERTIFIED MECHANIC
  • 55,302 POSTS
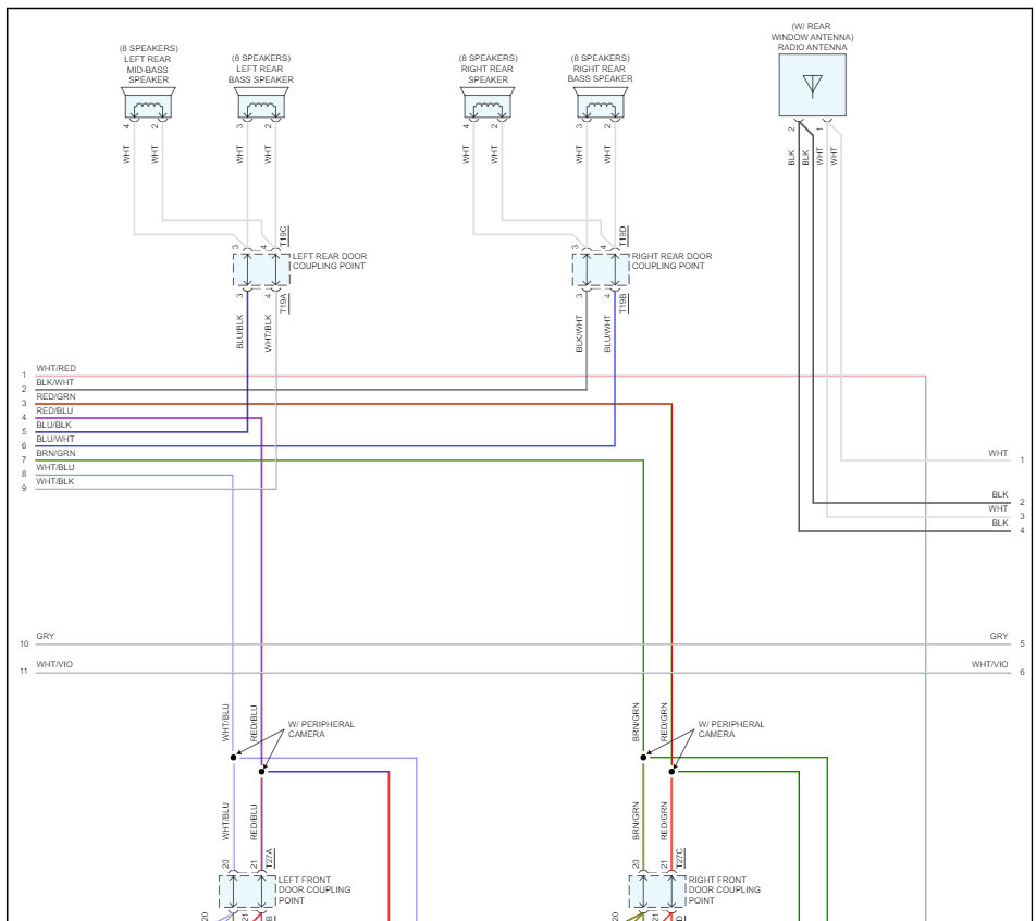
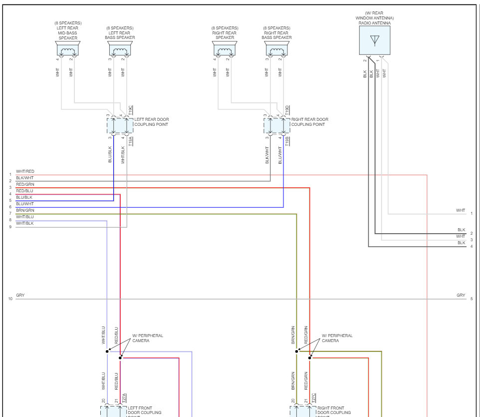
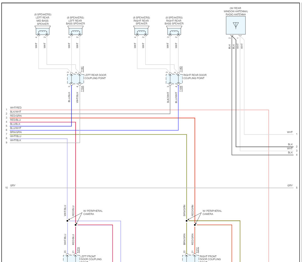
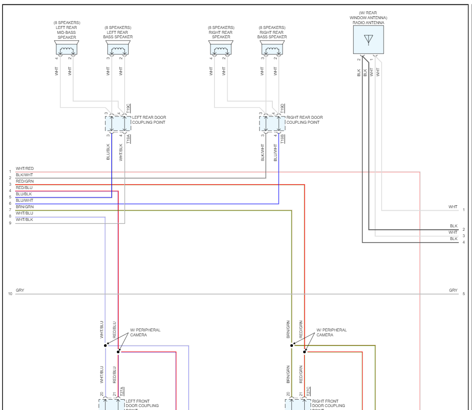
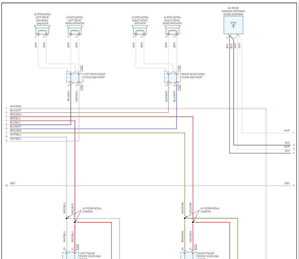
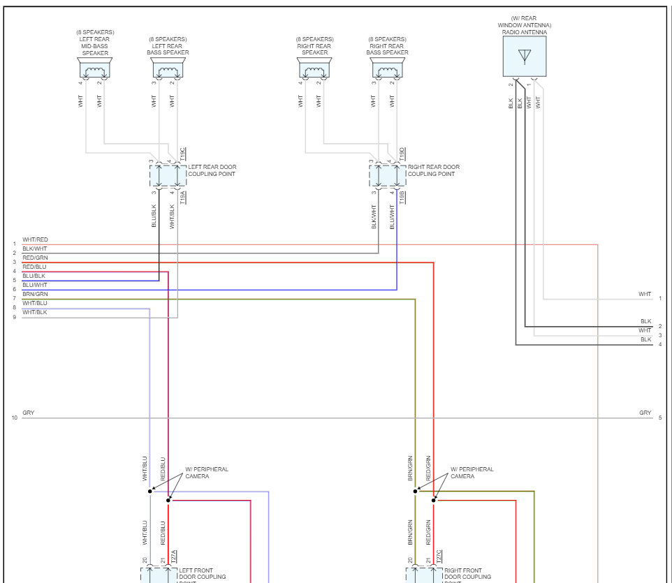
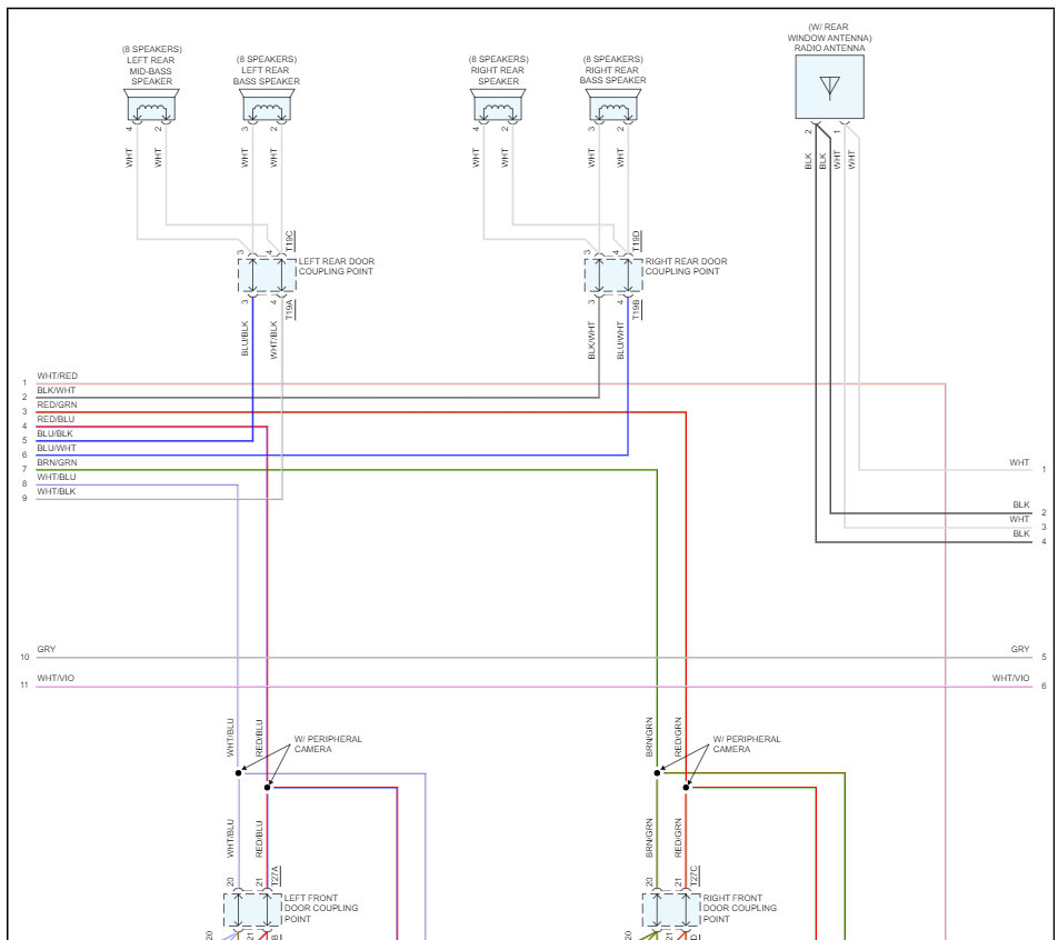
Sure, here are the radio wiring diagrams for your 2021 VOLKSWAGEN JETTA. Check out the images (below). Please let us know if you need anything else to get the problem fixed.
Was this
answer
helpful?
Yes
No
Tuesday, June 13th, 2023 AT 7:30 PM
Tiny
2020JETTASUB
  • MEMBER
  • 1 POST
Hi ken, would it be the same color wires to the rear speakers on a base model 2020 Jetta?
Was this
answer
helpful?
Yes
No
Tuesday, September 5th, 2023 AT 7:54 PM
Tiny
KEN L
  • MASTER CERTIFIED MECHANIC
  • 55,302 POSTS
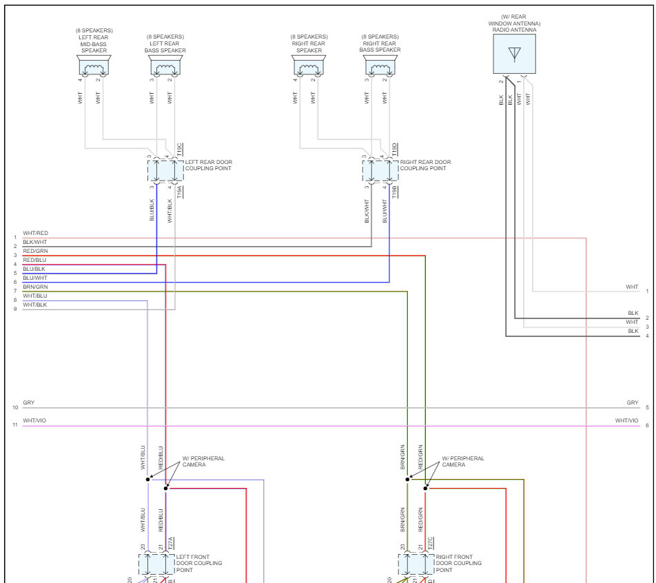
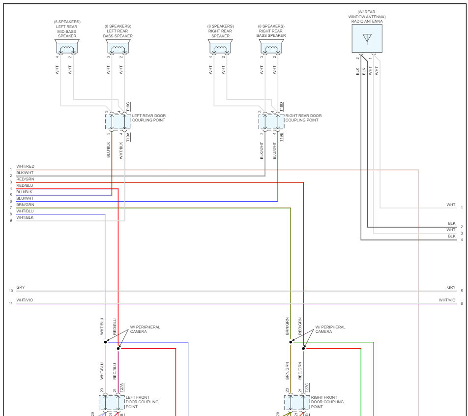
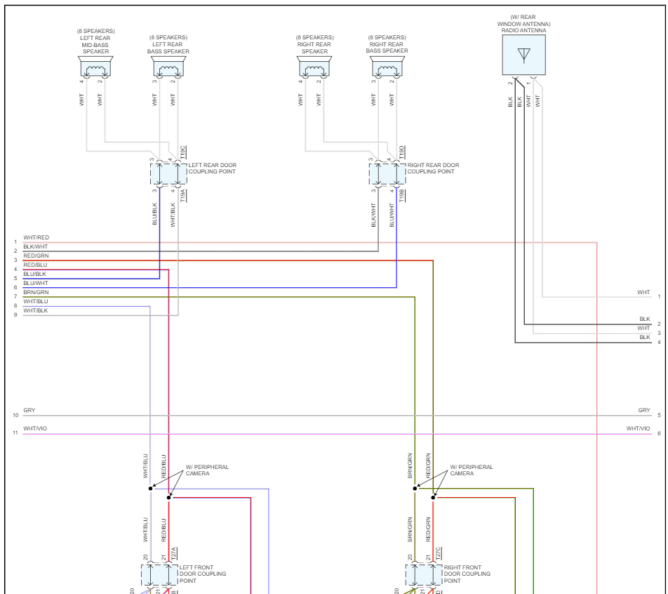
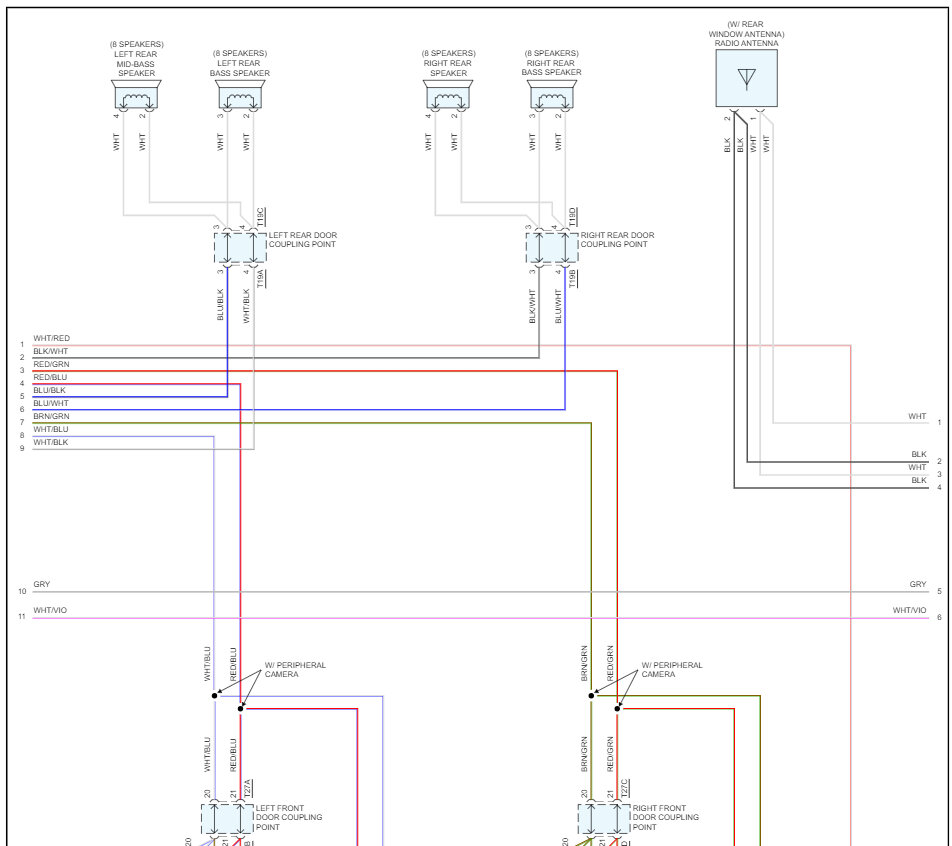
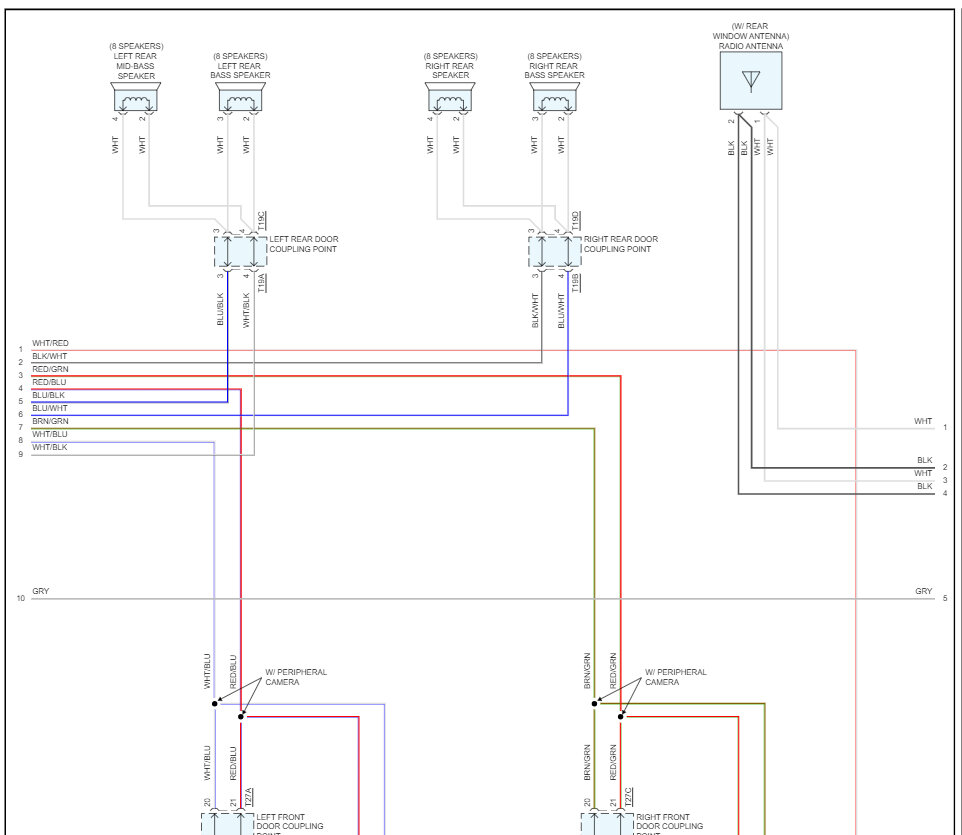
Here are the wiring diagrams for the base model radio for the 2020 Jetta. This guide can help you test the connections:

https://www.2carpros.com/articles/how-to-check-wiring

Check out the images (below). Please let us know if you need anything else to get the problem fixed.
Was this
answer
helpful?
Yes
No
+1
Wednesday, September 6th, 2023 AT 10:13 AM

Please login or register to post a reply.