Sub-Model:
Base
Engine:
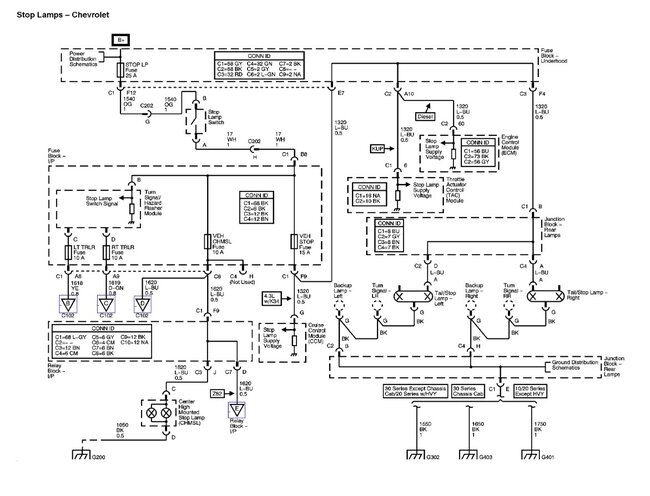
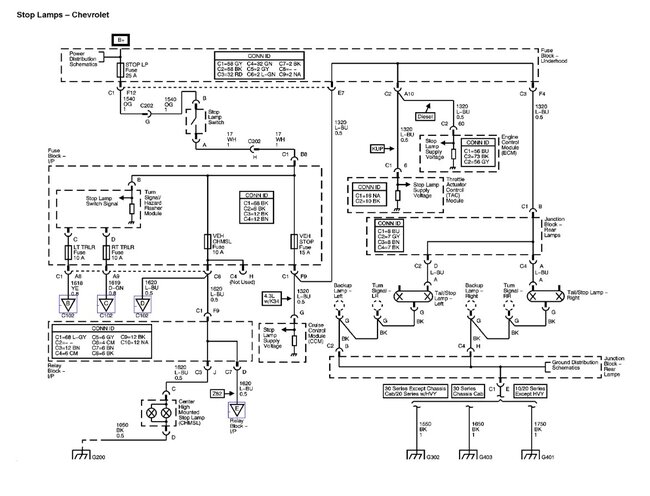
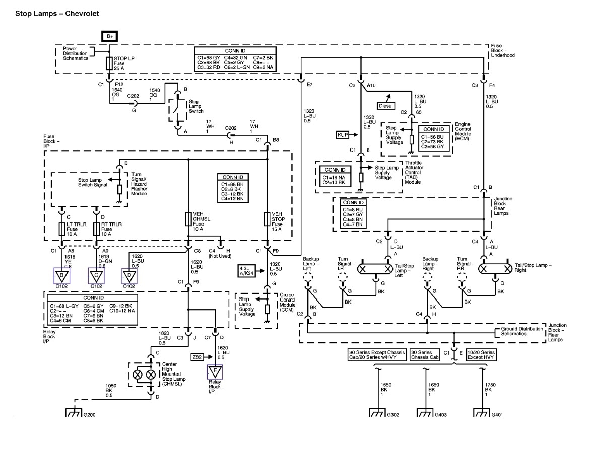
8 Cylinders 6.0L Vortec Compressed Natural Gas (CNG) he had tried to fix the little light in the middle in the back you know the cargo light or whatever on the outside so I can roof of the truck and his brake lights stop working he changed the module and he needs a wiring diagram we're both on a fixed income and I'm confused and he's at his Wit's end trying to figure it out and trying to find one without being charged a million dollars so if you can get me a wiring diagram that would be great thank you for the brake lights
Shop Without Vehicle
Monday, February 2nd, 2026 AT 4:34 PM





