Friday, September 21st, 2018 AT 8:09 AM
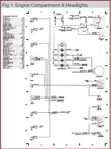
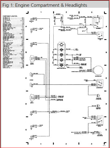
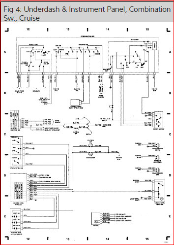
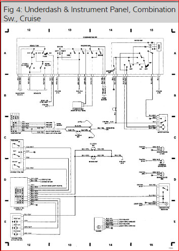
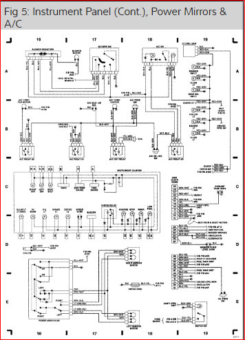
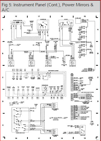
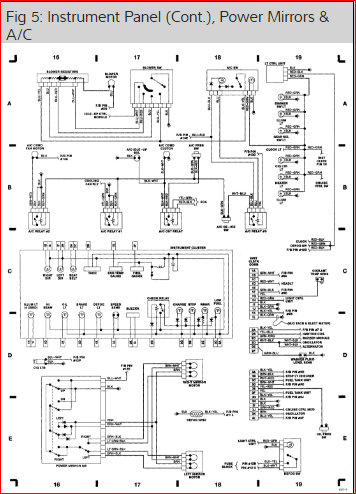
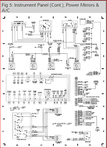
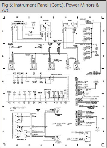
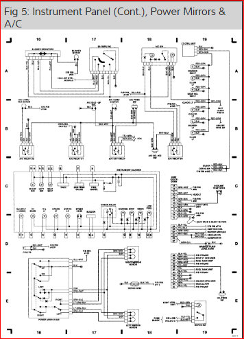
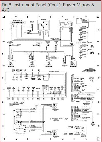
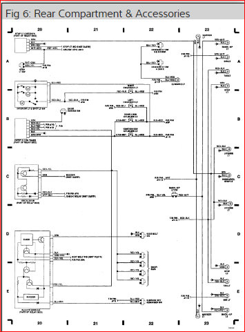
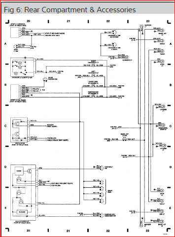
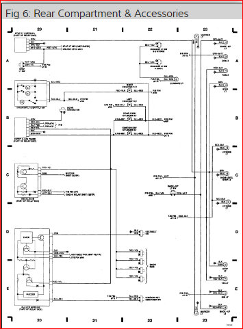
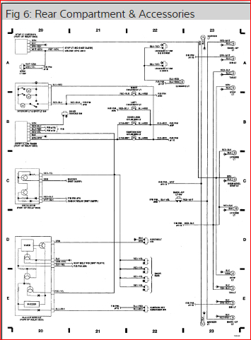
Working on the vehicle listed above (wagon) with fuel pump not getting power. Need to know location of fuel pump relays, and part numbers for them. Also need wiring schematics for the fuel pump, fuel pump relays, and ignition switch. It sounds like other people have had this problem with their vehicles as well.








