Since it is working (somewhat) when it is in park, I have a feeling the problem may be in the lamp position module for the left side.
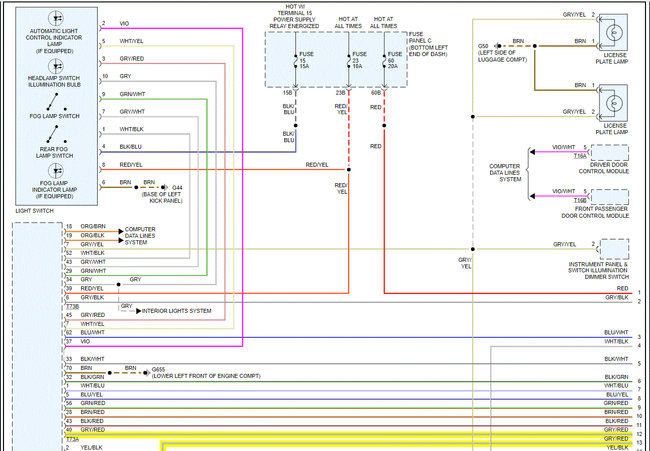
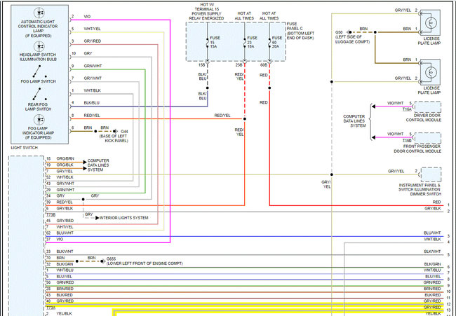
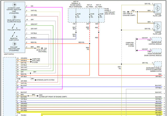
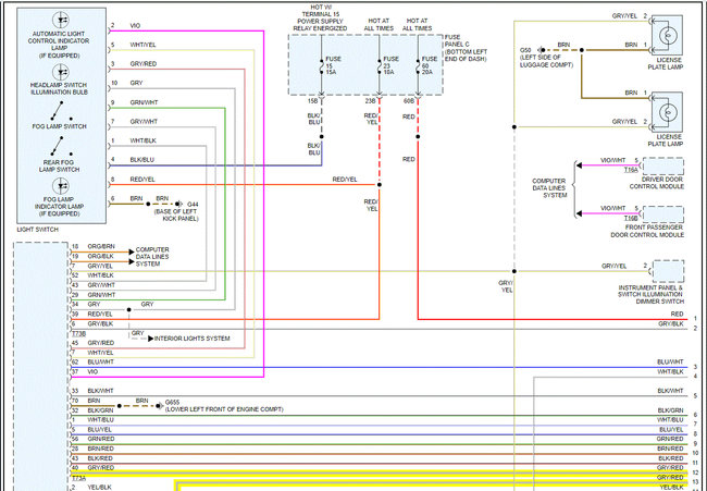
I attached the wiring schematics for the exterior lighting system. I highlighted the wires related to both the left and right parking lights. Additionally, the last two pics show the module I am referring to. As far as the delay, it can't be a ground issue because the brake lights use the same ground location and they work properly. So, I suspect it could be the module. Also, the j519 module (electronic control module) may be the issue.
If you haven't already, you may want to consider performing a scan of the can-bus system. CAN stands for controller area network. Basically, all the modules/computers are tied together via a few wires. If there is a failure in any of the modules, this procedure should identify it. Here is a quick video showing how it's done. Note: When this is done, we need to pay attention to the J519 control module for codes.
https://youtu.be/InIlnsjOVFA
If possible, have that done. Hopefully, it will identify a code that is related.
Take a look through the schematics below. I had to cut them in half to make them readable for you. I did, however, overlap them so you can follow from one to the next.
Let me know what you find or if you have other questions.
Take care,
Joe
See pics below.
Was this helpful?
Yes
No
Thursday, April 29th, 2021 AT 8:16 PM










