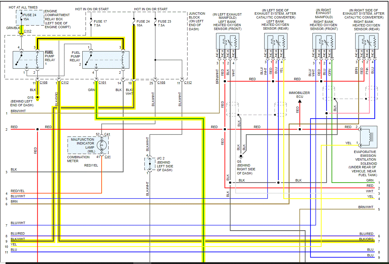
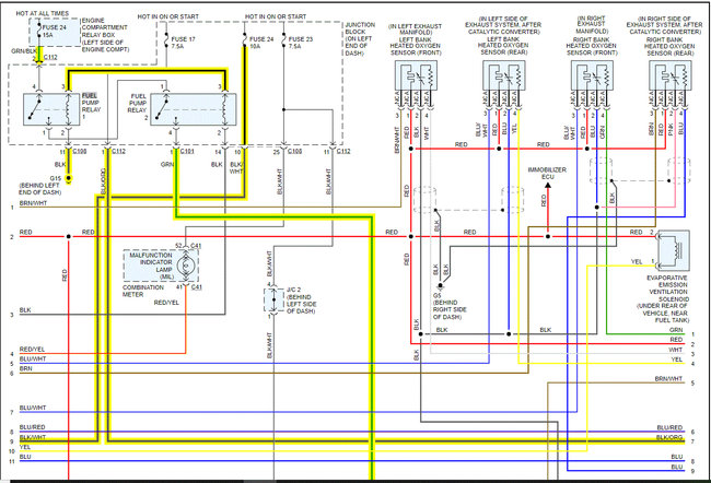
I'm having a random misfire and I have the code for a bad fuel temperature sensor but it was replaced. I just need to check the terminals of those cables which I know it starts on the fuel pump but I don't know where it goes after that specially on the front. Can someone please send me pictures of the Diagrams for those cables and if known where those cables are in the front? Thank you.
Jul 23, 2021 at 9:20 AM





