I need the diagram of the multifunction connector, the one that goes in the column under the steering wheel, the one that controls the.

Tiny
MIKE1500
  • MEMBER
  • 1996 CHEVROLET 1500
  • 4.3L
  • V6
  • 2WD
  • MANUAL
  • 12,986 MILES
I don't remember how the pins are distributed anymore.


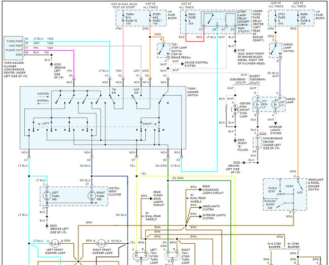
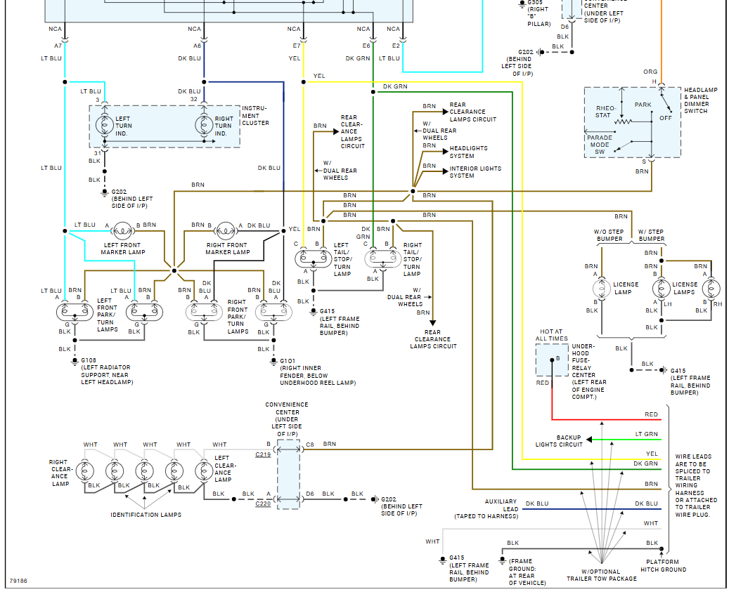
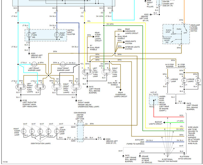
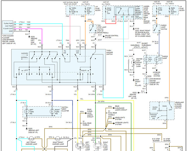
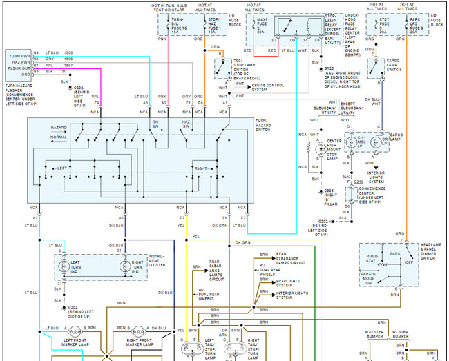
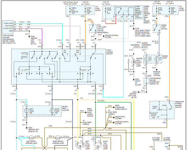
I need the diagram of the multifunction connector EL that goes on the column under the steering wheel EL that controls the lights
Thursday, December 26th, 2024 AT 6:01 AM

7 Replies

Tiny
KEN L
  • MASTER CERTIFIED MECHANIC
  • 55,522 POSTS
Sure, here are the wiring diagrams for the blinkers. Check out the images (below). Let us know if you need anything else.
Was this
answer
helpful?
Yes
No
+1
Thursday, December 26th, 2024 AT 2:05 PM
Tiny
MIKE1500
  • MEMBER
  • 6 POSTS
Thank you very much. However, I do have another question: the multi-connector on the column suddenly burned a pink cable that came out of the hot-spot and stopped working. I've been driving without lights for a long time. I don't go out with the truck at night, only during the day, as a precaution.
Was this
answer
helpful?
Yes
No
Thursday, December 26th, 2024 AT 2:14 PM
Tiny
KEN L
  • MASTER CERTIFIED MECHANIC
  • 55,522 POSTS
Good idea, With the key on, I would test the fuse #16 turn back up in the fuse panel under the dash.

Here is a guide to help you:

https://www.2carpros.com/articles/how-to-check-a-car-fuse

Let us know how it goes.
Was this
answer
helpful?
Yes
No
+1
Friday, December 27th, 2024 AT 10:30 AM
Tiny
MIKE1500
  • MEMBER
  • 6 POSTS
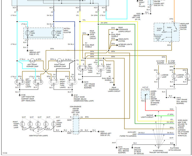
I have already checked fuse 16 and everything is perfect without any problem, thank you. If it is not too much trouble, could you help me with the diagram of the connector that is located on the firewall?
Was this
answer
helpful?
Yes
No
Saturday, December 28th, 2024 AT 2:14 AM
Tiny
KEN L
  • MASTER CERTIFIED MECHANIC
  • 55,522 POSTS
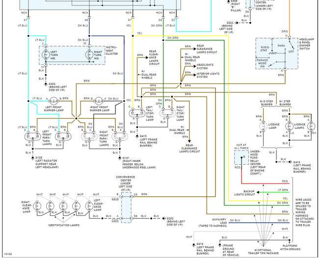
I think this is the one you need. Check out the images (below). Let us know how it goes.
Was this
answer
helpful?
Yes
No
+1
Saturday, December 28th, 2024 AT 10:24 AM
Tiny
MIKE1500
  • MEMBER
  • 6 POSTS
Thank you very much for helping me! Thank you very much! Greetings from the state of Morelos, Mexico!
Was this
answer
helpful?
Yes
No
Saturday, December 28th, 2024 AT 10:37 AM
Tiny
KEN L
  • MASTER CERTIFIED MECHANIC
  • 55,522 POSTS
De nada, utilice 2CarPros siempre que estemos aqui para ayudar.
Was this
answer
helpful?
Yes
No
Sunday, December 29th, 2024 AT 12:27 PM

Please login or register to post a reply.