Wednesday, October 5th, 2022 AT 7:19 PM
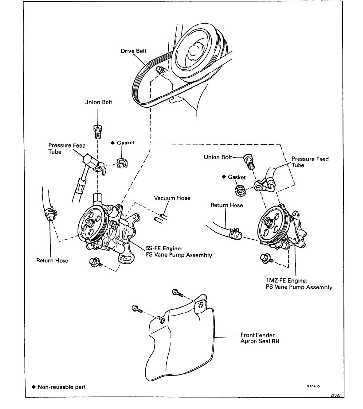
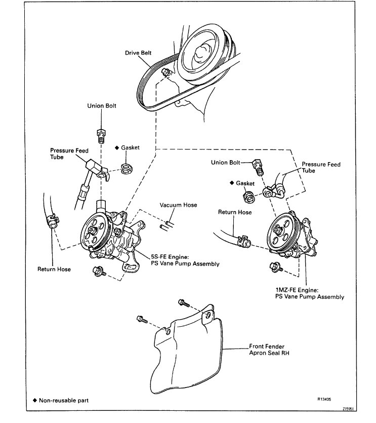
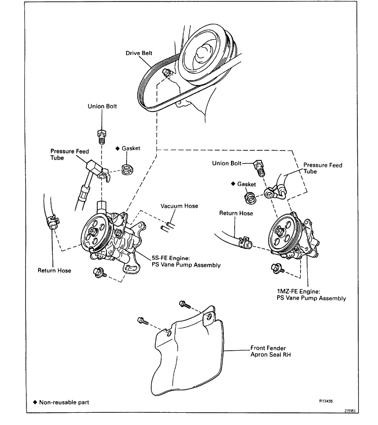
A large puddle of fluid appeared overnight. It's dripping mainly off of the frame, but hard to see what's above that. When I shine a light on it, it has a greenish tint, but when I touch it or wipe it up, it's tan/brown/caramel color. It doesn't have a distinctive smell that I can tell. I'm thinking power steering, but I'm not sure as I'm not familiar with foreign engines. I've attached a few pictures; any help/info is appreciated.













