Windshield wipers and speedometer not working?

Tiny
MLM.MAYNES
  • MEMBER
  • 2002 FORD RANGER
  • 2WD
  • MANUAL
  • 200,000 MILES
I was told the wipers could be symptom, but speedometer wasn't as likely. So anyway, I was trying to check the wiper motor to chassis ground and found a red wire that comes from the wiper reservoir but isn't attached to anything was tucked up under by headlight. What is this wire and could it be the problem?
Friday, July 22nd, 2022 AT 9:25 AM

1 Reply

Tiny
JACOBANDNICKOLAS
  • MECHANIC
  • 110,192 POSTS
Hi,

Did both stop at the same time? I ask because there really isn't any correlation between the two components.

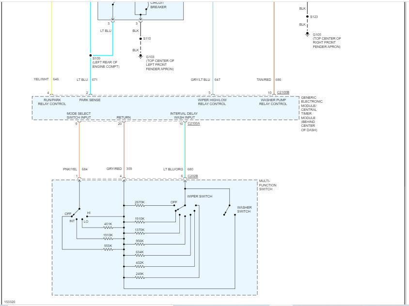
As far as the red wire, have you checked to see if there is power to it? As far as the wiper washer reservoir is concerned, the power supply to the pump is black with a white tracer. There is a red wire that goes from fuse 16 in the central junction box to the wiper motor. The fuse will only provide power when the key is in the start or acc position. Check that wire to see if it has 12v.

Here is a link that you may find helpful:

https://www.2carpros.com/articles/how-to-check-wiring

Also, I need you to check the fuse in the CJB to make sure it is good and has power to and from it.

Here is a link you may find helpful:

https://www.2carpros.com/articles/how-to-check-a-car-fuse

I attached the wiring schematic related to the wiper system, so you have a reference.

Let me know what you find or if you have questions,

Take care,

Joe

See pics below. Pic 3 shows the fuse to check under the dash, left side.
Was this
answer
helpful?
Yes
No
Friday, July 22nd, 2022 AT 9:26 PM

Please login or register to post a reply.