Rear running lights do not work

Tiny
PDOWLER
  • MEMBER
  • 2001 DODGE DAKOTA
  • 4.7L
  • V8
  • 4WD
  • MANUAL
  • 193,000 MILES
My brake and blinkers work, but my taillights both don't work. One stopped working a while back, but recently the other stopped working too. The fuses look good, I don't know what I should look for.
Friday, February 11th, 2022 AT 6:47 PM

1 Reply

Tiny
JACOBANDNICKOLAS
  • MECHANIC
  • 110,194 POSTS
Hi,

Have you checked the bulbs? The bulbs for this (3157) have a dual element. One is for the signals and brake light. The other is for the parking lights. If the one element failed, you can still have brake and turn signal lights and the parking lights won't work.

Are the front parking lights working?

There is a fuse and relay for the parking lights in the junction block. However, if the front parking lights are working, they are good, so I need to know.

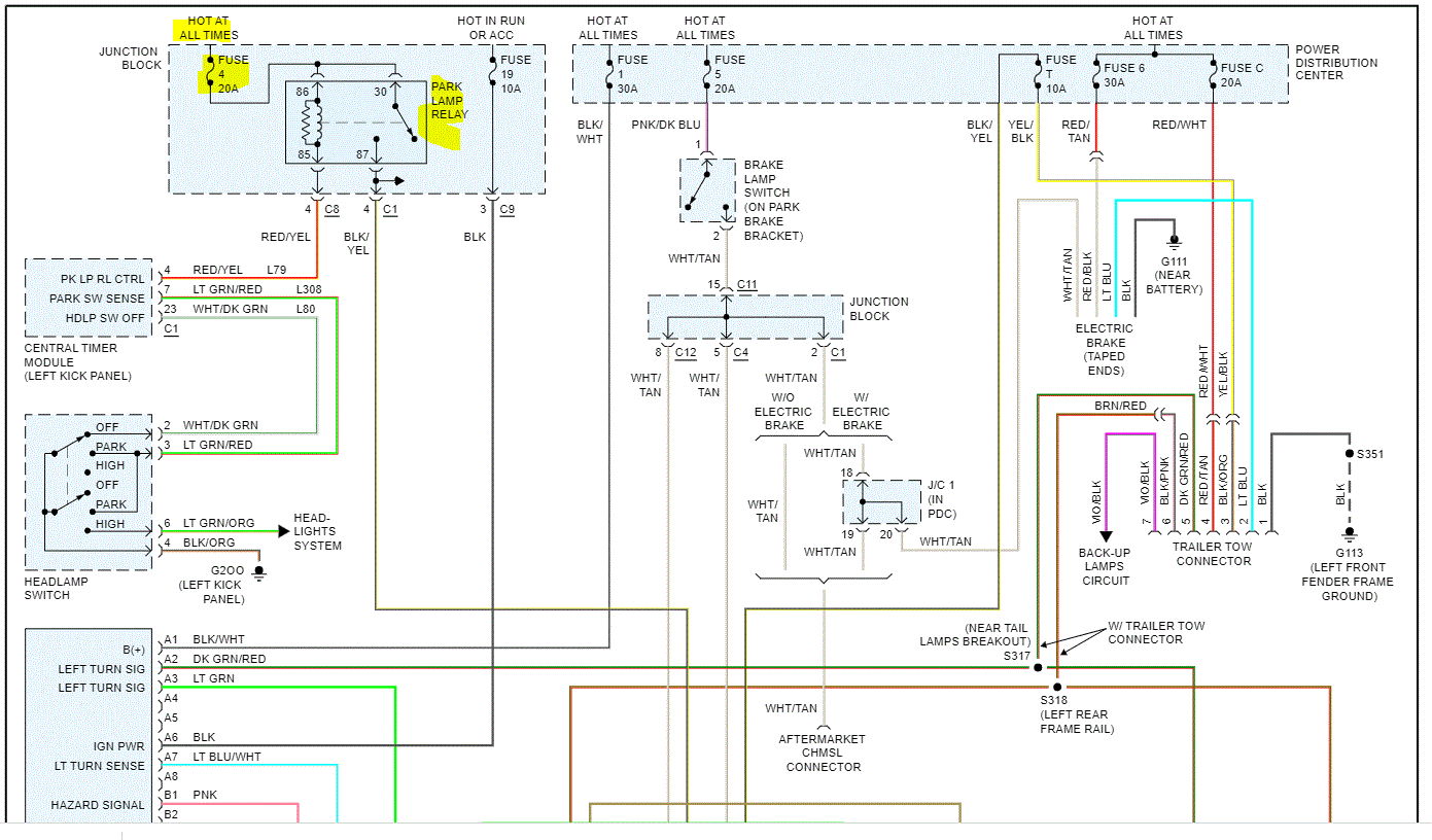
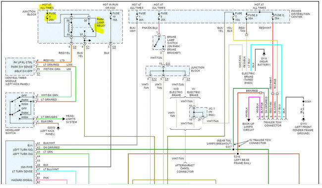
I attached the wiring schematic below for your review. Rather than purchasing the bulbs and not needing them, remove the bulb, and inspect the socket for damage. Also, check the black wire with the yellow tracer for power when the parking lights are on.

Here is a link you may find helpful:

https://www.2carpros.com/articles/how-to-check-wiring

If you haven't already removed the light assembly, open the tailgate and there will be two Torx screws (I think a T25) visible at each side of the bed. They hold the light in place. Remove them, and gently and slightly pull outward and back on the light assembly to disconnect the rubber mounts. Install is the reverse.

Let me know what you find or if you have other questions.

Take care,

Joe

See pics below.

Was this
answer
helpful?
Yes
No
Friday, February 11th, 2022 AT 7:14 PM

Please login or register to post a reply.