License plate lights do not work?

Tiny
BELENMATEO21
  • MEMBER
  • 2019 CHEVROLET SILVERADO
  • 5.3L
  • V8
  • 4WD
  • AUTOMATIC
  • 77,000 MILES
I have already replaced my license plate light bulbs and they still don’t come on. I bought a fuse tester but I looked at all of the fuse boxes, but I can’t find the specific one that’s connected with the license plate bulbs.
Saturday, January 7th, 2023 AT 1:14 PM

1 Reply

Tiny
JACOBANDNICKOLAS
  • MECHANIC
  • 110,192 POSTS
Hi,

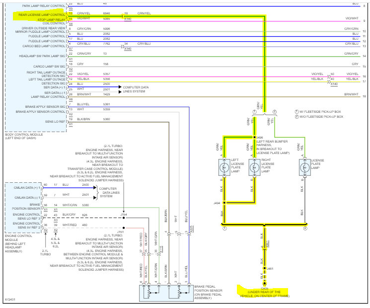
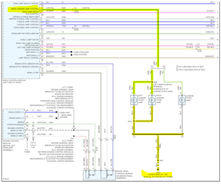
You won't find a fuse specific for the license plate lamps. The power to turn them on is provided through the body control module (BCM).

The body control module is under the left side of the dash and controls many different things.

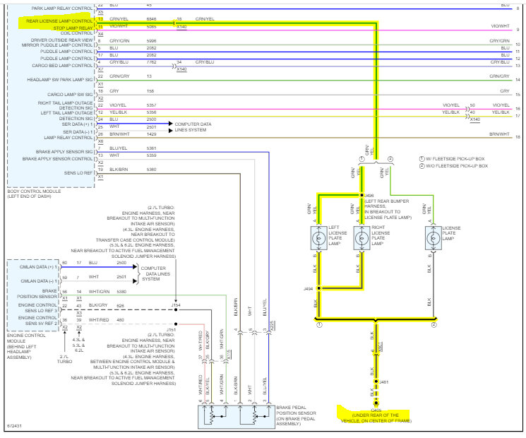
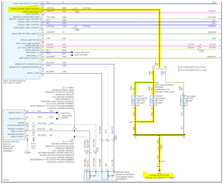
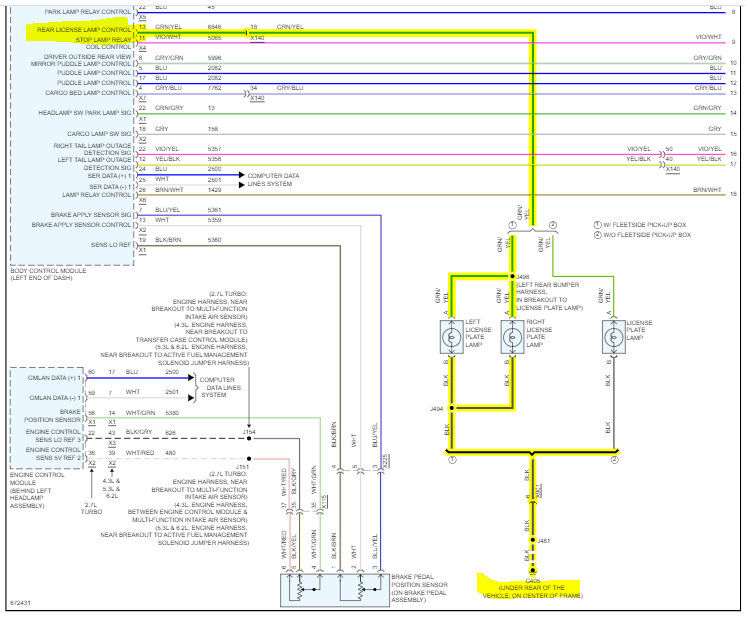
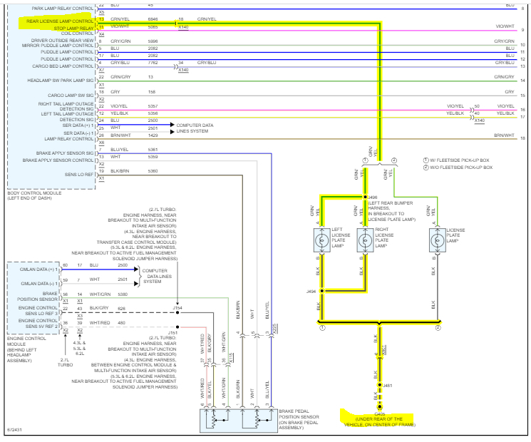
So, we need to start simple. At the lamps, there will be a green wire with a yellow tracer. That is the power supply. With the lights on, check if there is power to that wire.

If there is power, confirm the black wire has continuity to ground.

Here is a link you may find helpful:

https://www.2carpros.com/articles/how-to-check-wiring

Let me know. Also, inspect the light sockets to make sure the connectors and not pushed in too far from heat.

I attached the schematic below so you can see what I'm referring to.

Let me know if you have questions and what you find. If you do find there is no power to the green/yellow wires, then we need to check at the BCM for power.

Take care,

joe

See pic below.
Was this
answer
helpful?
Yes
No
Saturday, January 7th, 2023 AT 10:11 PM

Please login or register to post a reply.