Heater not blowing out any air?

Tiny
JONINEWTON
  • MEMBER
  • 2001 DODGE DAKOTA
  • 3.9L
  • V6
  • 2WD
  • MANUAL
  • 223,000 MILES
I have the vehicle listed above Sport model 3.9 magnum and I replaced the power steering pump and water pump tensioner and all. Last year I replaced my resistor for my heater and my blower motor is fine, but can't get it to work. It's not blowing out at all.
Wednesday, March 3rd, 2021 AT 11:21 AM

1 Reply

Tiny
CARADIODOC
  • MECHANIC
  • 34,489 POSTS
Need answers to a lot of questions so we go in the right direction. Why did you replace the blower resistor and did it solve a problem?. If so, what was that problem? Did your truck come with air conditioning or is it a heater-only model?

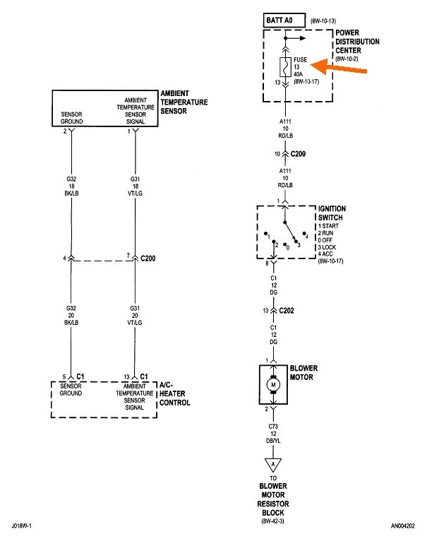
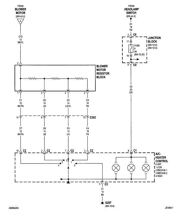
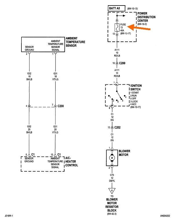
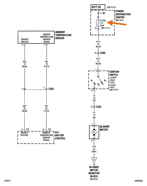
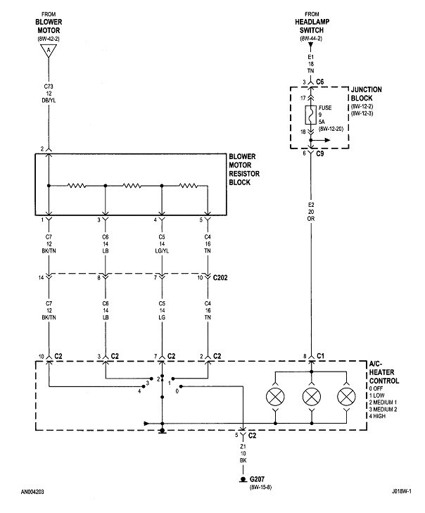
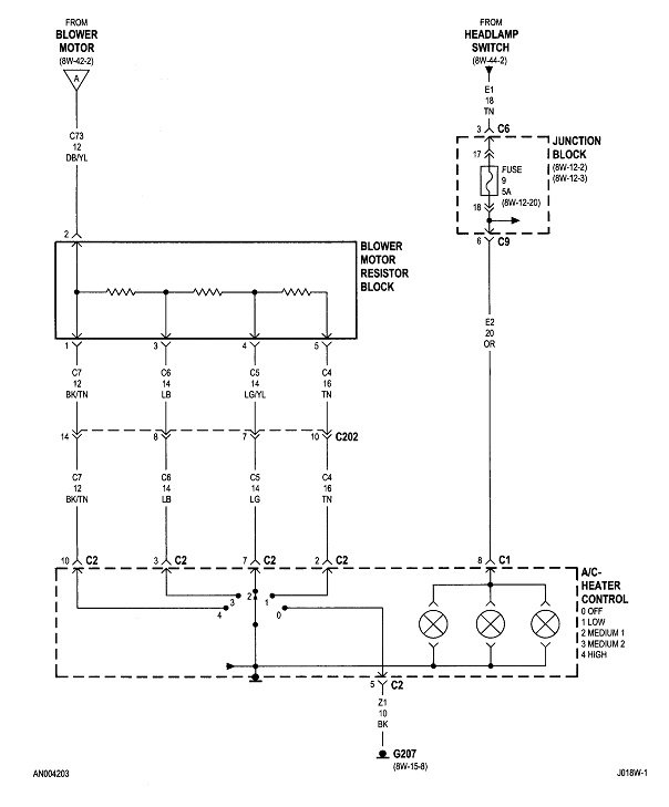
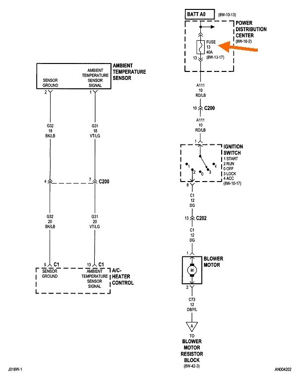
I posted the first two diagrams for the heating and AC system that pertain to the fan. You might want to start by checking fuse 13 in the Power Distribution Box. That's the under-hood fuse box. The fuse is pointed out in the fourth drawing. Keep in mind that fuse, and that part of the ignition switch feeds a lot of other circuits, usually including power windows and the radio. so we have to look for anything else that is not working.

We may need to look at the ignition switch connector and the heater fan switch connector for signs of overheating. Some voltage measurements may also be necessary. For this type of problem, a test light can be more accurate and faster than using a digital voltmeter. Here's an article that shows how to use a test light, if you need it:

https://www.2carpros.com/articles/how-to-use-a-test-light-circuit-tester

We will likely need to take some voltage readings at the resistor and the fan motor's connector, but to be accurate, those readings will have to be taken while everything is plugged in. If you want to get a head start, check for voltage on the dark green wire at the fan motor, by back-probing through the back of the connector body next to the terminal. If you find voltage there, check next on the dark blue / yellow wire. Let me know what you find.
Was this
answer
helpful?
Yes
No
Wednesday, March 3rd, 2021 AT 2:14 PM

Please login or register to post a reply.