Thursday, December 9th, 2021 AT 6:25 AM
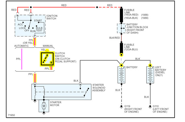
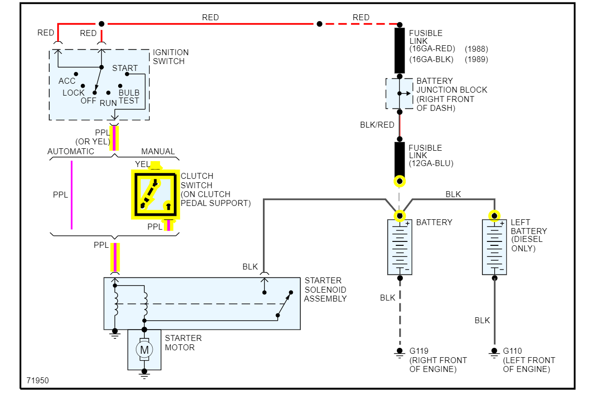
I push my clutch in and turn my key and it won't do anything. Replaced the battery thinking it was it because the voltage went down, I can pull turn the key on pull started and it'll run but if it shuts off and it won't crank again. I already replaced the clutch sensor switch.




