Fans turn on but once I crank it up the fans stop?

Tiny
WHITNEY MARTIN
  • MEMBER
  • 2002 HONDA ACCORD
  • V6
  • 2WD
  • AUTOMATIC
  • 2,500,000 MILES
When I turn the switch my fans turn on but one I crank it up the fans stop. I bought new fans and radiator.
Friday, July 29th, 2022 AT 4:38 PM

1 Reply

Tiny
KEN L
  • MASTER CERTIFIED MECHANIC
  • 55,512 POSTS
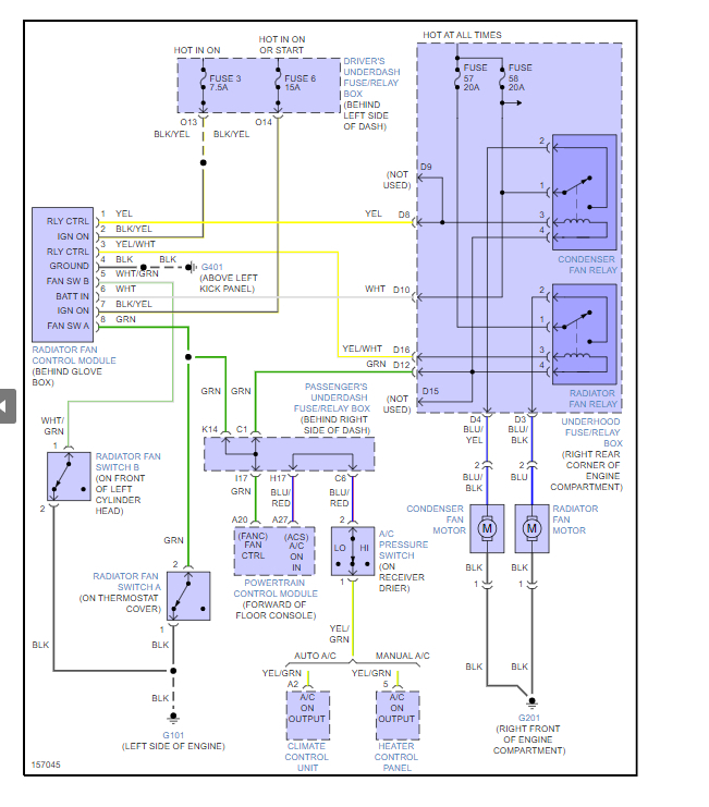
Do the fans come on with the air conditioner? The fans will run when the key is on and then shut off if the engine is not up to operating temperature at which point, they will cycle to maintain the correct temperature. But we should check the system fuses #3 and #6 in the under-dash fuse panel and fuse# 57 and # 58 i the under-hood panel to make sure everything is okay. Here is a guide and the fuse locations in the diagrams below:

https://www.2carpros.com/articles/how-to-check-a-car-fuse

Also, I have included the fan wiring diagrams so you can see how the system works. Check out the diagrams (below). Please let us know what you find. We are interested to see what it is.
Was this
answer
helpful?
Yes
No
Saturday, July 30th, 2022 AT 11:10 AM

Please login or register to post a reply.